Saturday, August 15th, 2020 AT 8:34 PM
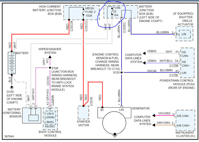
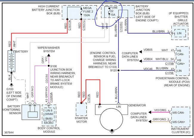
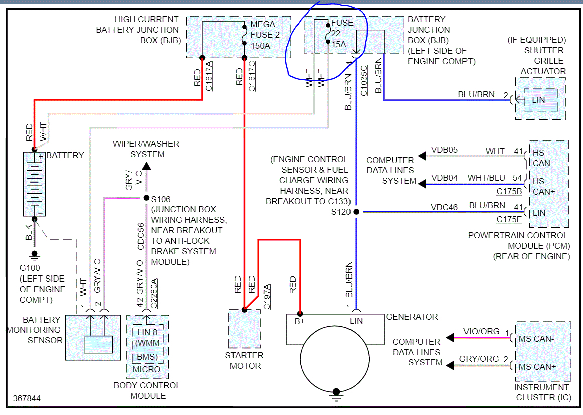
Hi, my car listed above SE model, hatchback. Battery light is on and I don't know why. Have a brand new battery new alternator and new starter put in within the last 2 months and the light wont go off. Battery holds its charge no issues. Alternator voltage is where it needs to be. So what could be the issue?

