Battery will not charge, new battery and new alternator?

Tiny
LEEFORD
  • MEMBER
  • 2009 CHEVROLET MALIBU
  • 3.6L
  • 6 CYL
  • 2WD
  • AUTOMATIC
  • 119,234 MILES
Can't find fuse location from alternator to battery.


Rve
Sunday, August 6th, 2023 AT 1:07 PM

3 Replies

Tiny
JACOBANDNICKOLAS
  • MECHANIC
  • 110,192 POSTS
Hi,

Battery voltage to the alternator comes from the starter motor. There is a wire from the starter with a fusible link in it which powers the alternator at all times.

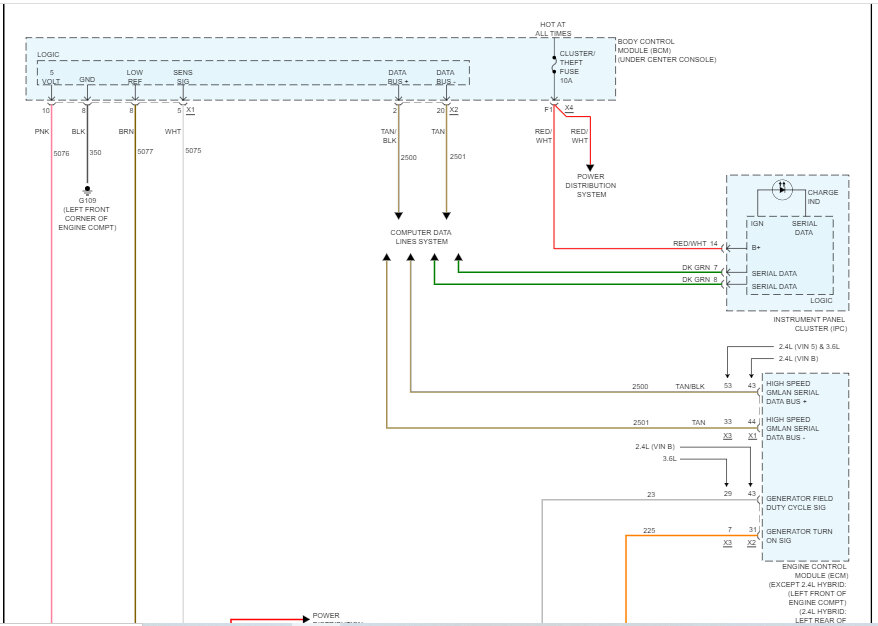
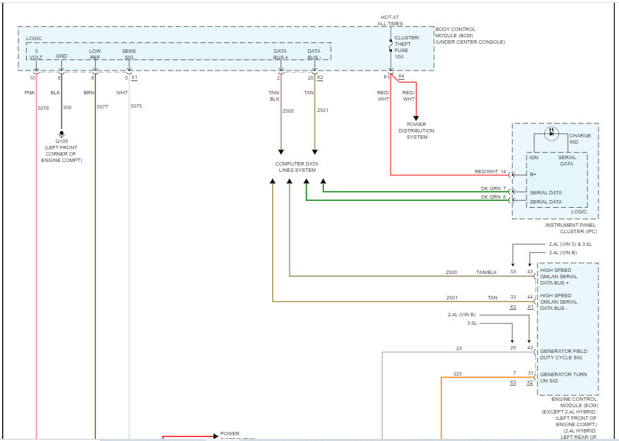
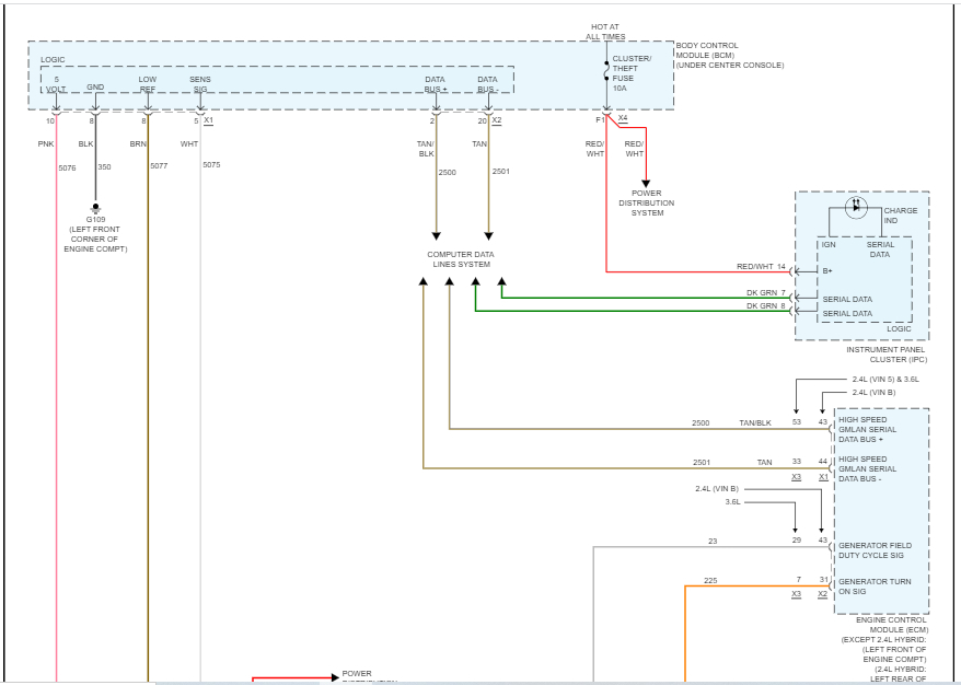
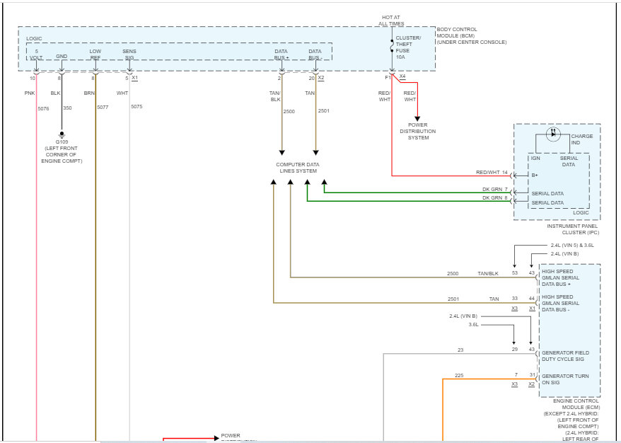
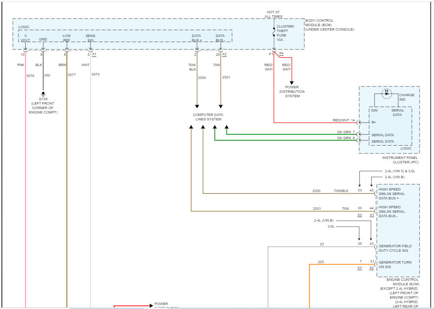
I attached the wiring schematic of the charging circuit and highlighted what I'm referring to. Take a look and let me know if that helps.

Take care,

joe

See pics below. Note: I had to cut the pic in half to make it readable for you to read. I did overlap the two pics so you can follow from one to the next.
Was this
answer
helpful?
Yes
No
Sunday, August 6th, 2023 AT 11:53 PM
Tiny
LEEFORD
  • MEMBER
  • 2 POSTS
Why the heck does the alternator need a wire from the starter? The starter starts your car, then it turns off and doesn't do anything until you start the car again. The alternator makes electricity to recharge the battery and power all your accessories. Why do you mix the two together ever?
Was this
answer
helpful?
Yes
No
Monday, August 7th, 2023 AT 3:13 AM
Tiny
JACOBANDNICKOLAS
  • MECHANIC
  • 110,192 POSTS
Hi,

The starter and alternator are two separate things, but power is supplied from the starter to the battery.

If you can picture this, the positive battery cable runs directly to the starter. A wire from the same post on the starter then takes the same battery voltage to the alternator. If you check the red wire with a black tracer at the alternator, it should have battery voltage at all times. If you don't have power to it, then the fusible link I mentioned may have failed. Also, if that power supply to the alternator isn't provided, it won't charge the battery because in its initial state, the alternator lacks a magnetic field required for effective power generation.

Let me know if that helps you to better understand. If you have questions, let me know.

Take care,

Joe
Was this
answer
helpful?
Yes
No
Monday, August 7th, 2023 AT 1:18 PM

Please login or register to post a reply.