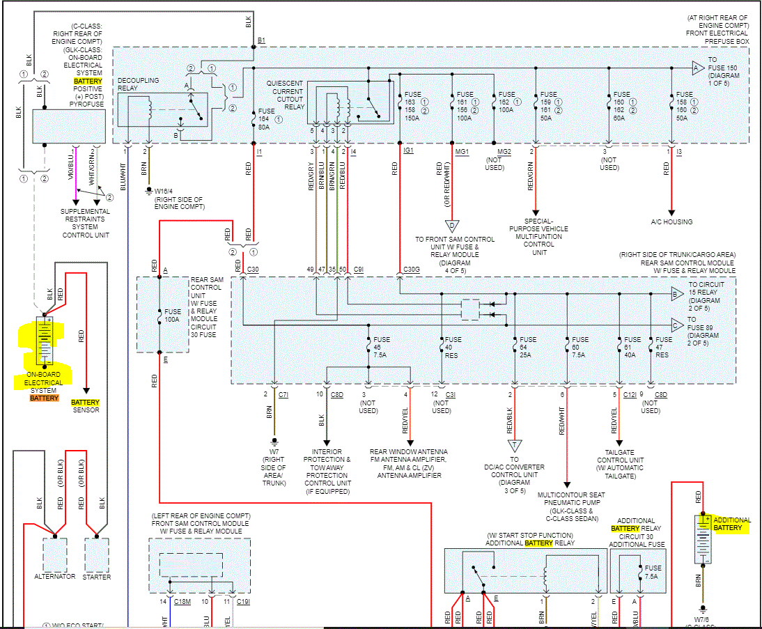
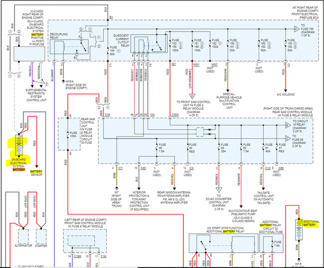
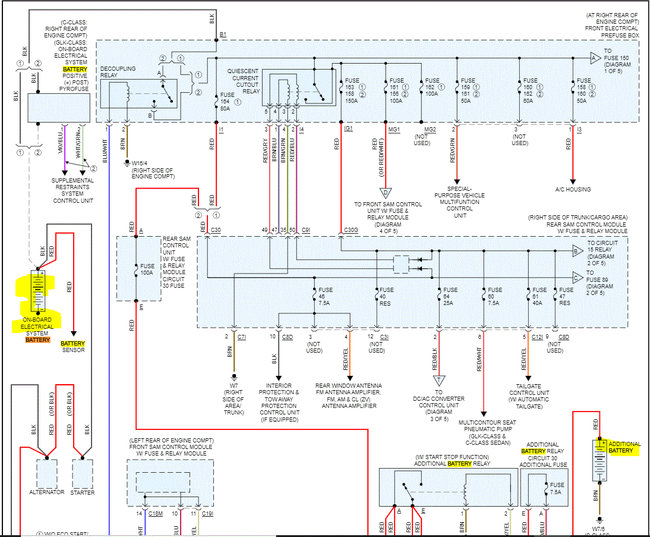
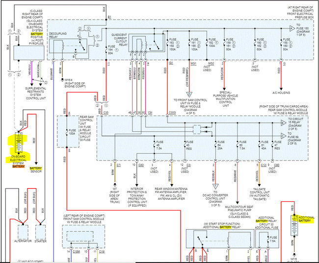
WDDGF4HB4DR272262
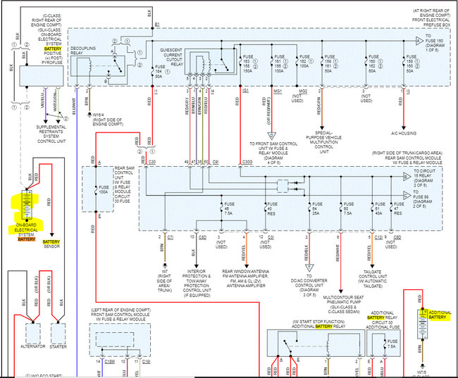
I am trying to solve an issue with sunroof, seTs and windows not working, trying to see if there is an aux battery in these models.
I am trying to solve an issue with sunroof, seTs and windows not working, trying to see if there is an aux battery in these models.
May 3, 2022 at 12:07 PM

