Battery light stays on?

Tiny
ELEWIS84
  • MEMBER
  • 2017 NISSAN SENTRA
  • 1.8L
  • 4 CYL
  • 2WD
  • AUTOMATIC
  • 98,000 MILES
I was told my alternator was failing so I had it replaced. However, my battery light is still illuminated while the engine is running.
Thursday, July 13th, 2023 AT 10:37 AM

2 Replies

Tiny
KEN L
  • MASTER CERTIFIED MECHANIC
  • 55,266 POSTS
You may have a defective alternator but to be sure let's use this guide to see if it is charging:

https://www.2carpros.com/articles/how-to-check-a-car-alternator

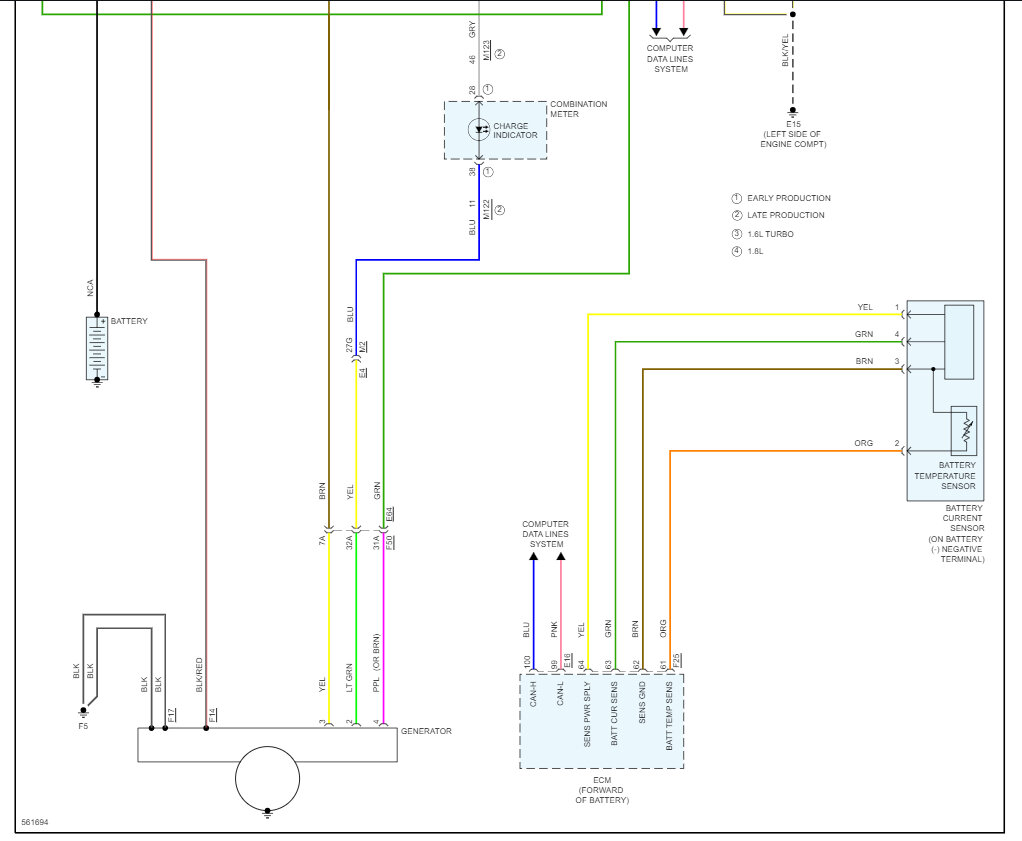
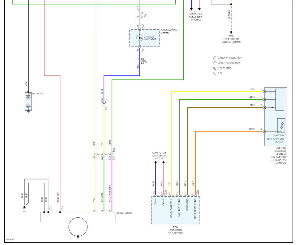
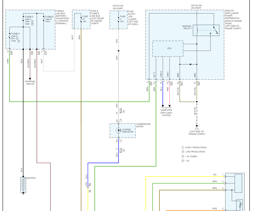
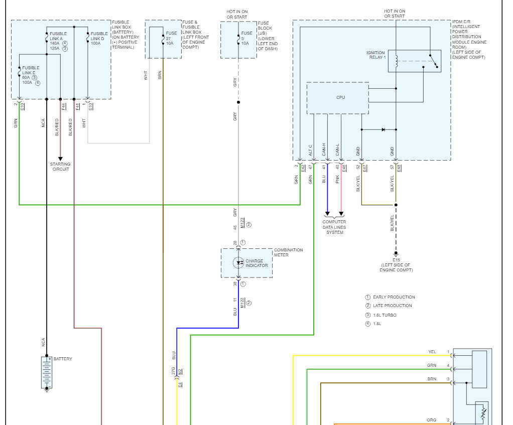
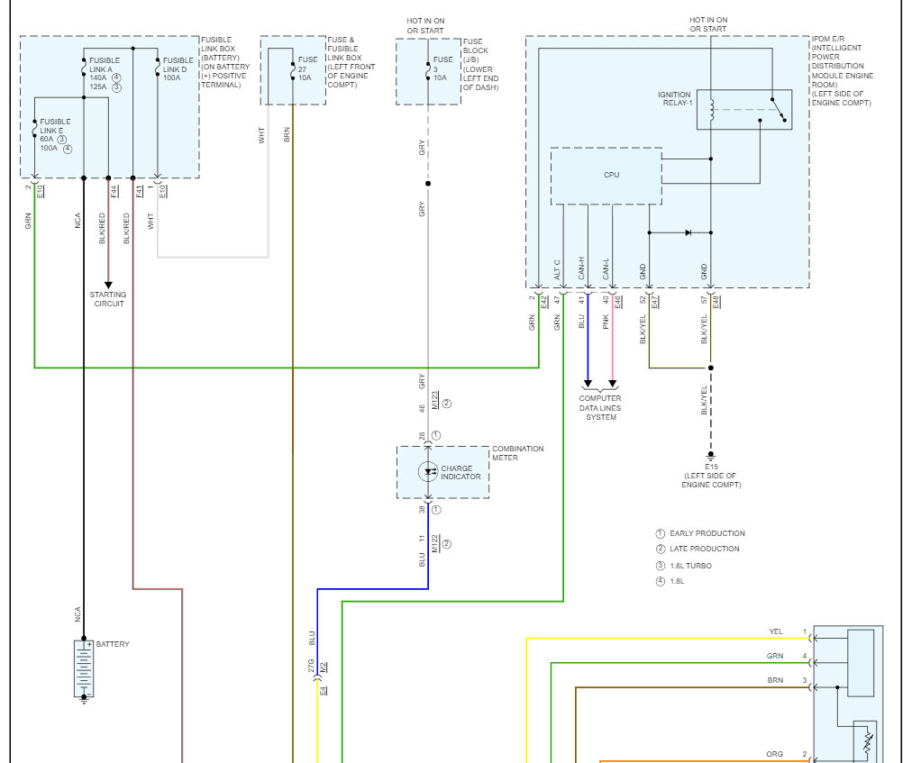
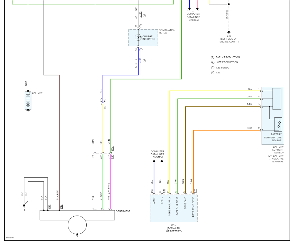
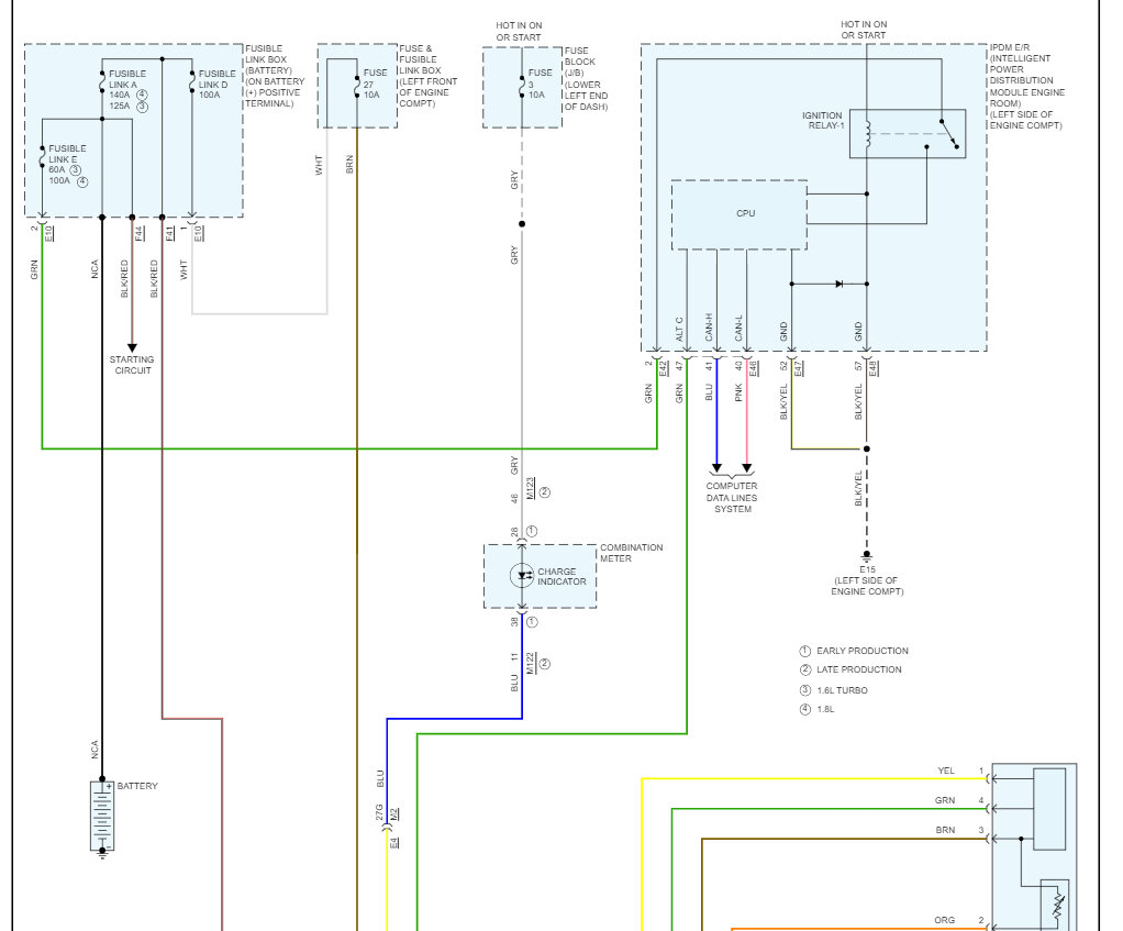
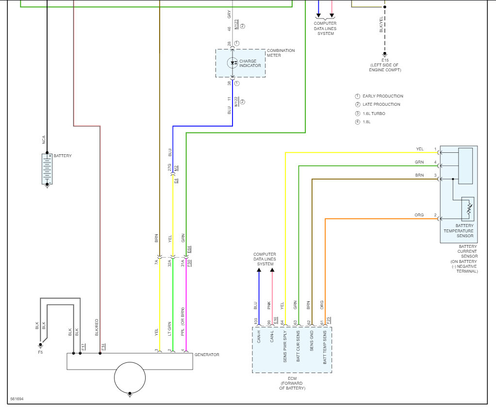
If not let's check the fuses #27 in the left front of the engine compartment and fuse #3 in the lower left end of the dashboard. Here are the alternator wiring diagrams so you can see how the system works.

https://www.2carpros.com/articles/how-to-check-a-car-fuse

If everything checks out you may need to reset the battery monitor, this video can help:

https://youtu.be/ETNv2S_idIU

Check out the images (below). Let us know what happens and please upload pictures or videos of the problem so we can see what's going on.

Was this
answer
helpful?
Yes
No
Thursday, July 13th, 2023 AT 5:45 PM
Tiny
KEN L
  • MASTER CERTIFIED MECHANIC
  • 55,266 POSTS
You are welcome AH
Was this
answer
helpful?
Yes
No
Sunday, May 5th, 2024 AT 12:27 PM

Please login or register to post a reply.