Saturday, July 13th, 2019 AT 9:59 PM
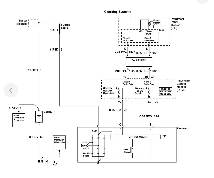
Hi, I don't know if it would make a difference but it's from Canada. So the battery light came on a couple weeks ago and the car shut off on me. I bought a brand new alternator (the one I took off I put on a week before from a salvage yard) still nothing later in the day I noticed the wire from the alternator to the starter was off. I put a new end on it and fixed it and still nothing. I even tried putting an additional wire on the stud on the starter and going straight to my battery and still wouldn't charge it. The plug on the alternator has a red wire and a grey one the red wire lights up the test light and the grey one won't. The schematic shows that the grey wire goes to my computer. My buddy thinks the computer is bad but I have no clue at this point. Any help with this would be amazing. Thank you




