a little history, alternator failed and was replaced with a totally new one. At the same time the battery was also replaced
since old battery was over 4 years old. Blinking started after these replacements.
We have checked output of new alternator, 14.4v at idle, thoroughly cleaned battery connections and negative cable where cable attaches to engine. There is no"check engine" light but we have not checked to see if any codes are present. The interval of the blinking does not change under differing electrical loads, i.E. Headlights and blower motor on or off. Battery stays fully charged and the vehicle runs great.
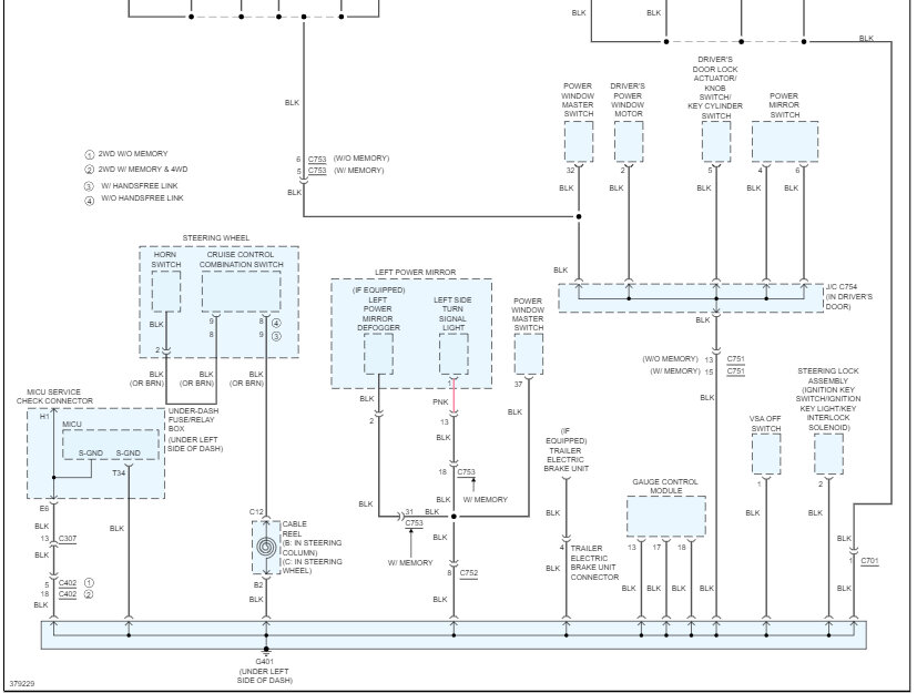
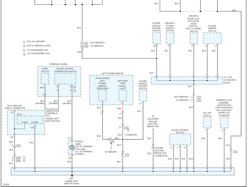
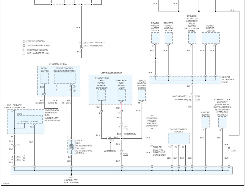
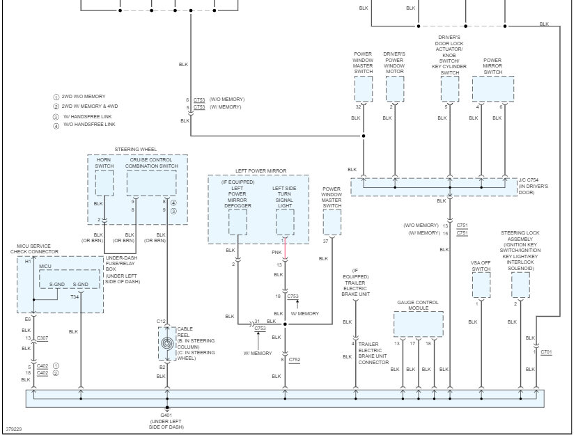
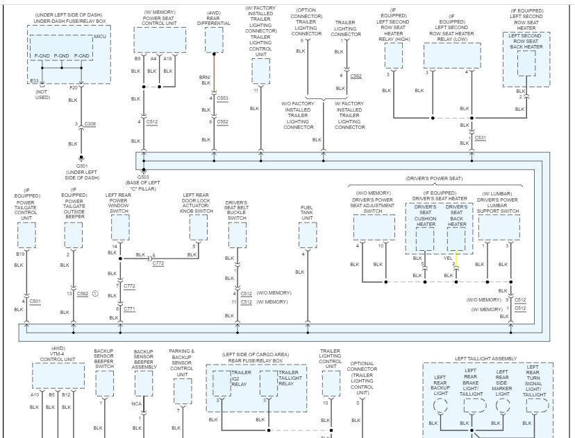
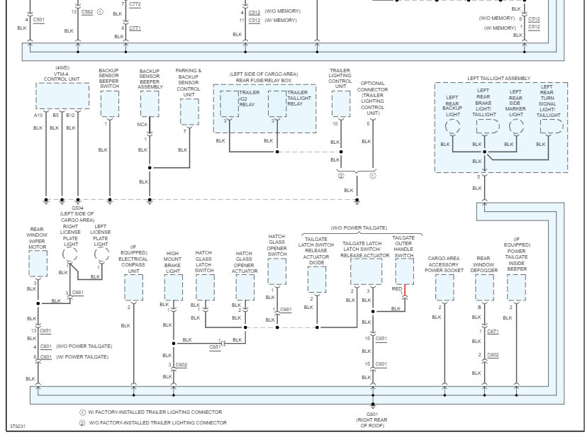
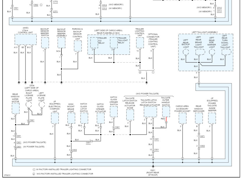
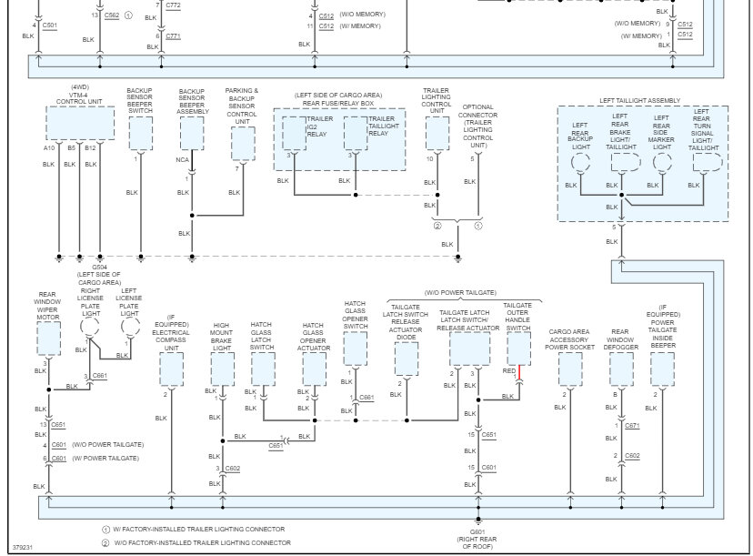
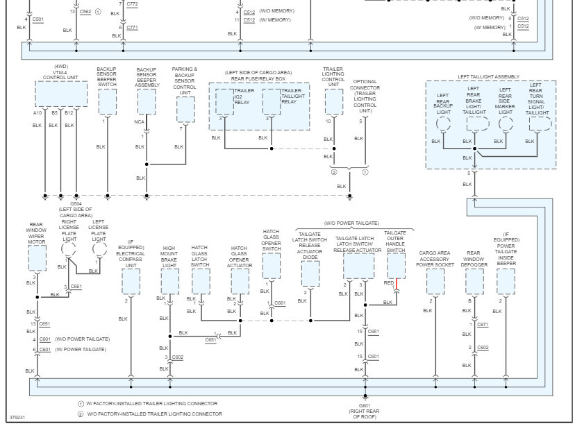
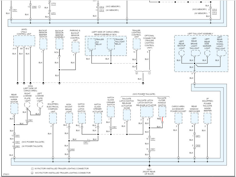
Research on Honda forums suggest this blinking is often caused by a faulty electronic load detector (eld). We understand the eld is located in the engine compartment electrical box.
Could you provide us with the testing procedure for eld and step by step instructions for the replacement of the eld? Also, any other insights you might have as to why this blinking is occurring.
Thank you in advance for your response and for the times you have helped us in the past!
Saturday, August 27th, 2022 AT 8:27 PM




















