Battery light always stuck on and interior lights only work intermittently

Tiny
MK7CASEY
  • MEMBER
  • 2007 CHEVROLET IMPALA
  • 5.3L
  • V8
  • 2WD
  • AUTOMATIC
  • 189,000 MILES
I have been having an issue where my battery light is always on, I have already checked voltage at battery terminals and verified alternator is good. Also, the interior lights, lights behind speedometer don't work sometimes.
Tuesday, November 23rd, 2021 AT 5:59 AM

5 Replies

Tiny
JACOBANDNICKOLAS
  • MECHANIC
  • 110,192 POSTS
Hi,

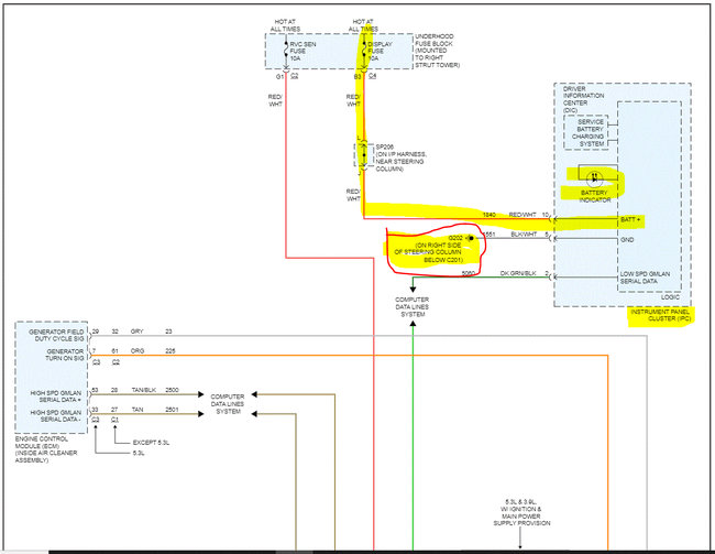
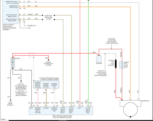
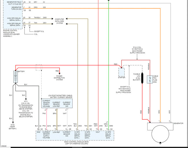
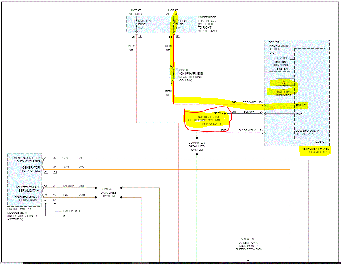
When you checked the alternator output with the engine running, was it producing approximately 14v? If so, then the first thing I'm suggesting is to check the ground for the instrument cluster. This could be causing both problems you mentioned.

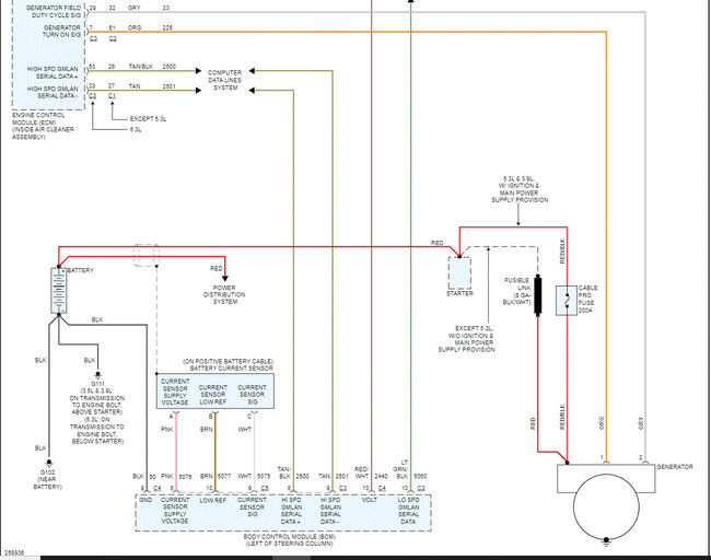
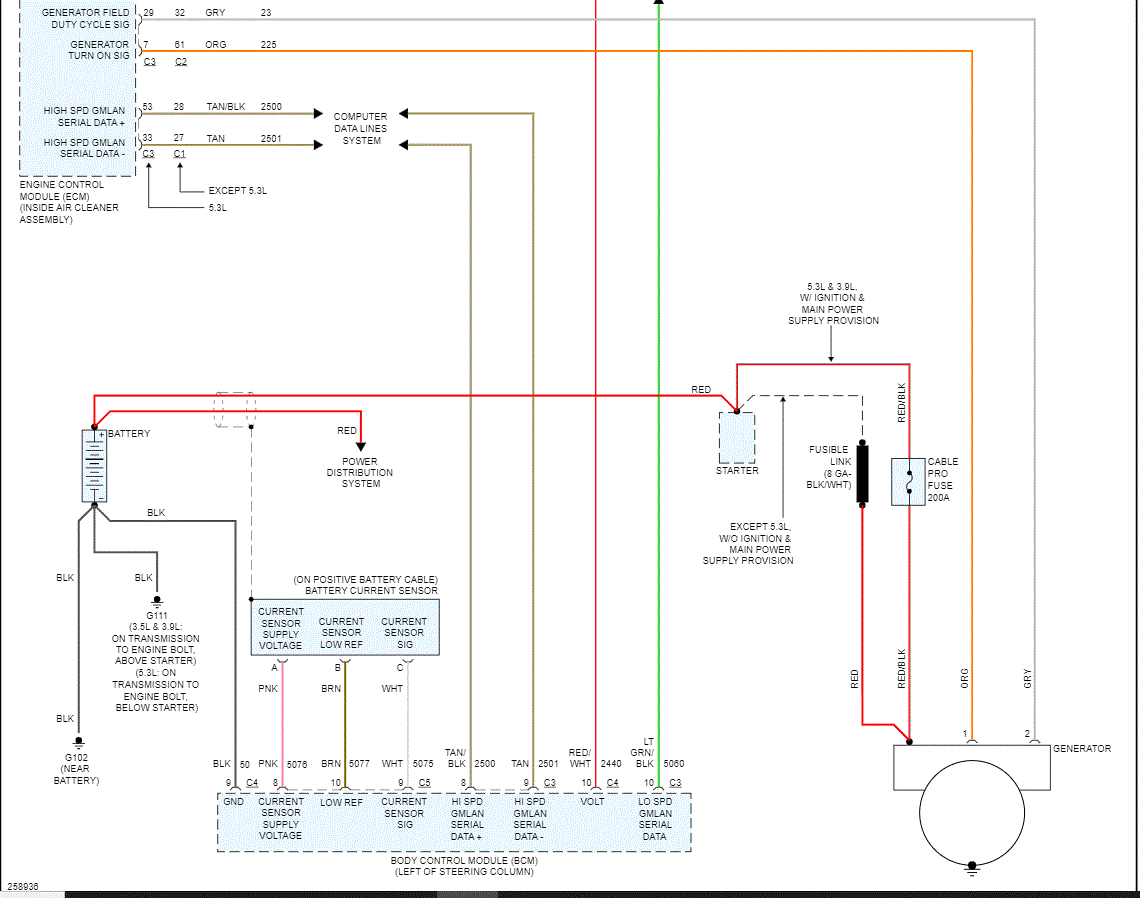
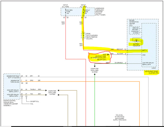
I attached the wiring schematic below for the charging system and highlighted the ground location. Check that and let me know what you find.

Note: The ground will be located on the right side of the steering column and secured to the body. It will be a black wire with a white tracer.

Let me know what you find or if you have other questions.

Take care,

Joe

See pics below. Note: I had to cut the schematic in half to make it readable for you. I did overlap the two so you can follow from one to the next.
Was this
answer
helpful?
Yes
No
Tuesday, November 23rd, 2021 AT 8:21 PM
Tiny
MK7CASEY
  • MEMBER
  • 17 POSTS
Any idea on what it takes to get to the ground? After some research it looks like the dash needs to be taken apart. It's for g202.
Was this
answer
helpful?
Yes
No
Wednesday, November 24th, 2021 AT 8:45 AM
Tiny
MK7CASEY
  • MEMBER
  • 17 POSTS
Also, to answer your question alternator was reading 14.2 volts.
Was this
answer
helpful?
Yes
No
Wednesday, November 24th, 2021 AT 8:53 AM
Tiny
MK7CASEY
  • MEMBER
  • 17 POSTS
I checked the grounds and all are intact and look great.
Was this
answer
helpful?
Yes
No
Wednesday, November 24th, 2021 AT 2:02 PM
Tiny
JACOBANDNICKOLAS
  • MECHANIC
  • 110,192 POSTS
Hi,

Here is my theory. I suspect the problem is in the instrument panel/cluster. If the red wire with a white tracer to the IPC is getting power, the ground is good, and there are no loose wires on the battery or alternator, that is my first suspect.

Since you indicated the lights behind the speedo don't always work. To me, it sounds like there is a short in the cluster.

To determine if there is an issue in the IPC, body control module, engine control module, or the can-bus system, the vehicle should have the can-bus scanned for codes. CAN stands for controller area network. Basically, all computers/modules are tied together via a few wires. This scan type will identify codes regardless of the module storing them.

Here is a quick video showing how it's done:

https://youtu.be/u-4syLc-ifQ

This would be what I would suggest next. Otherwise, it will become a guessing game.

Let me know your thoughts. Also, if I don't hear from you for a couple of days, have a Happy Thanksgiving.

Take care,

Joe

Was this
answer
helpful?
Yes
No
Wednesday, November 24th, 2021 AT 9:56 PM

Please login or register to post a reply.