Sunday, November 21st, 2021 AT 5:22 PM
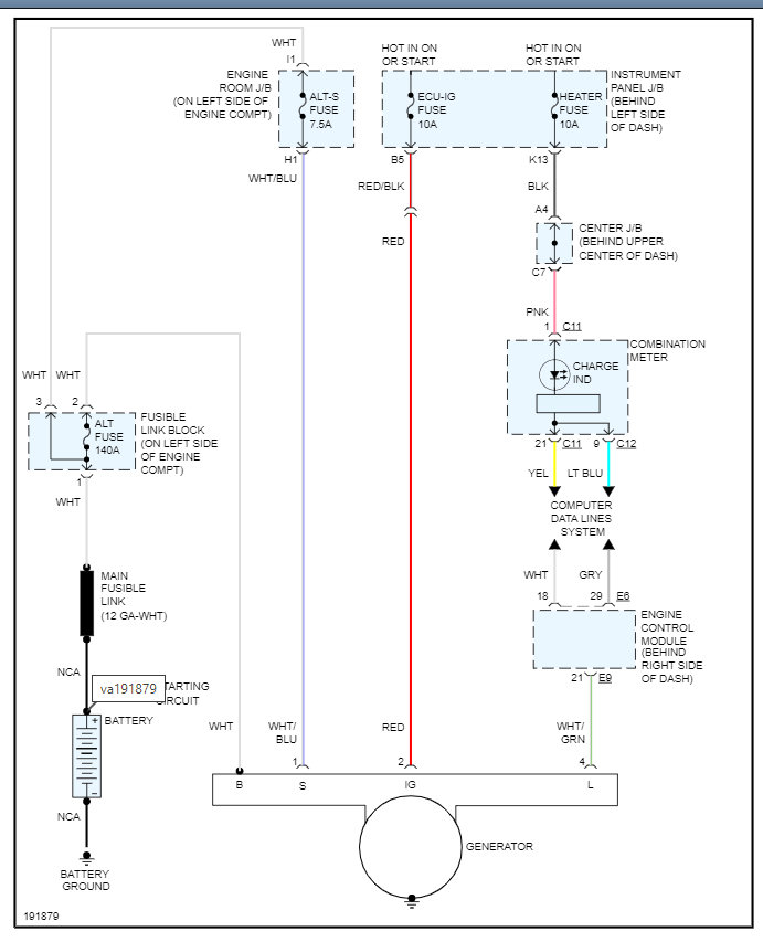
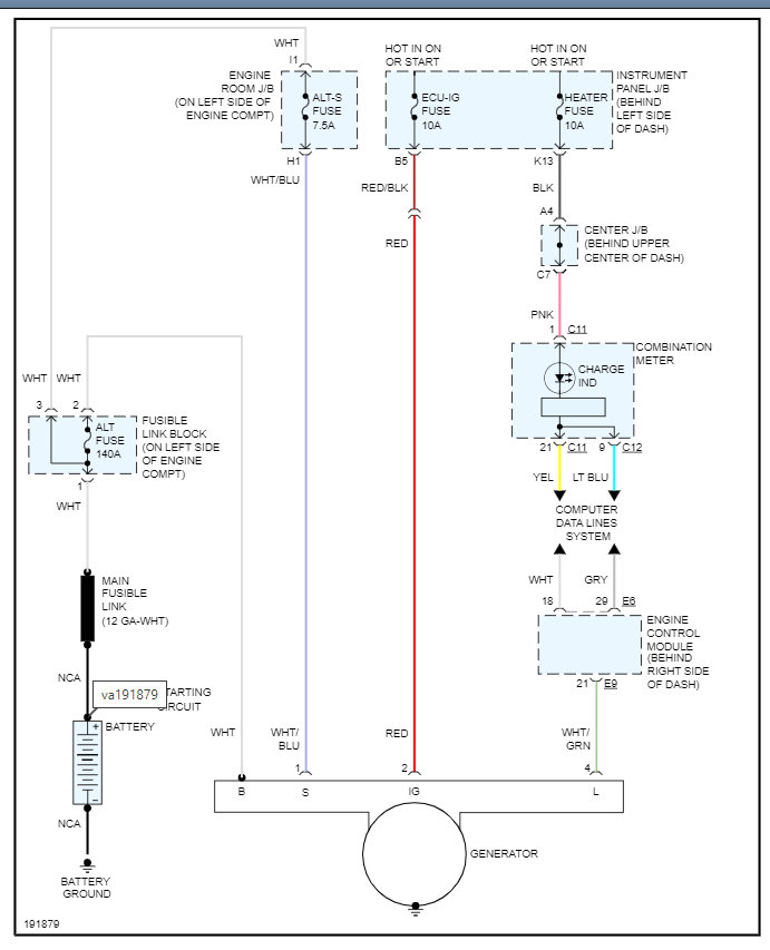
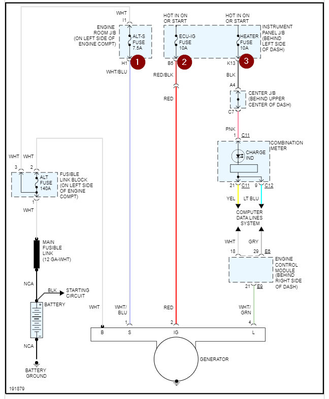
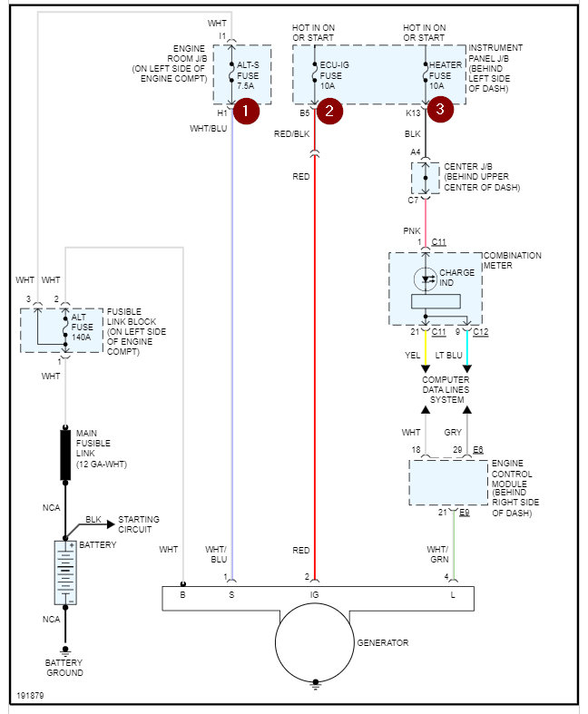
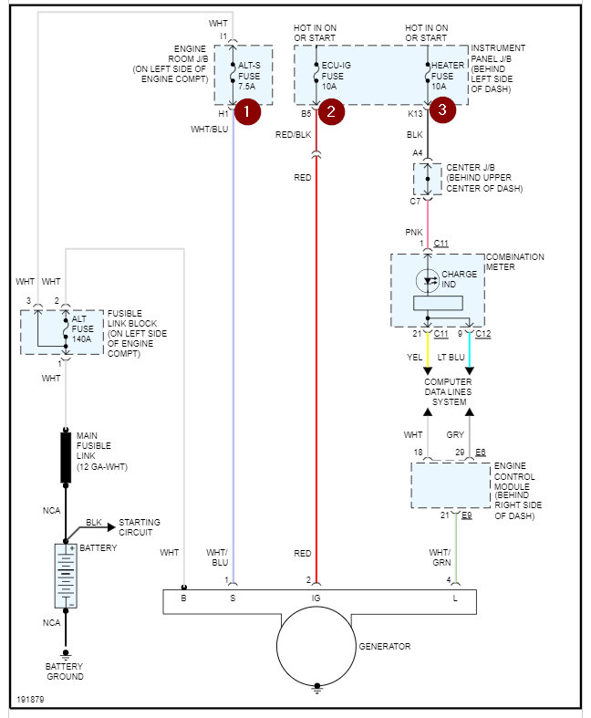
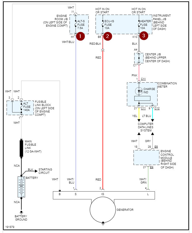
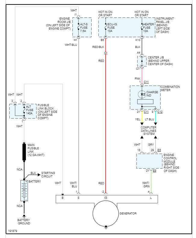
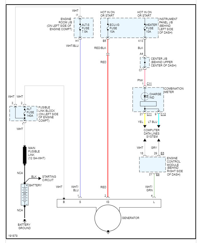
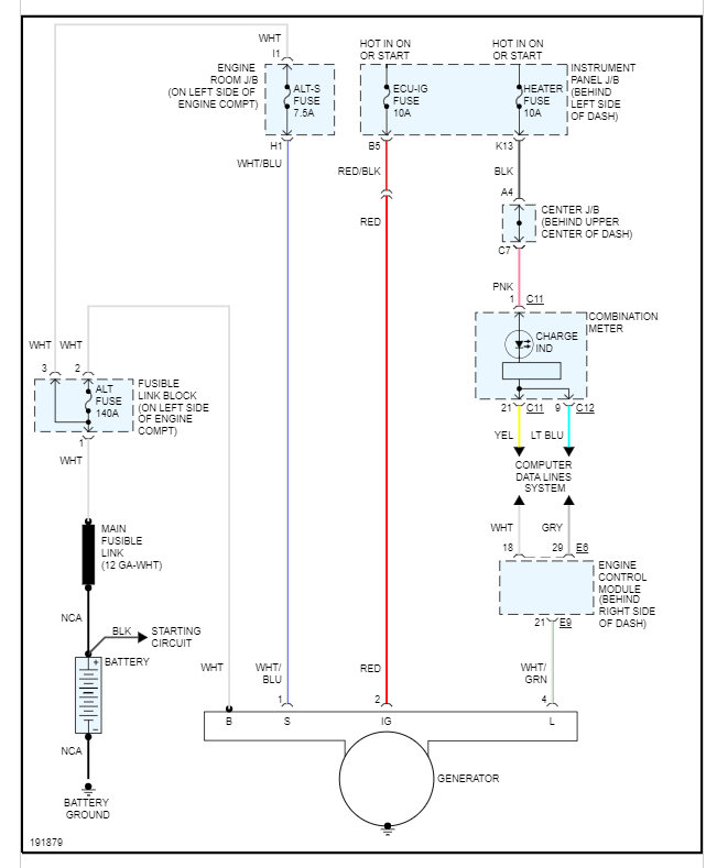
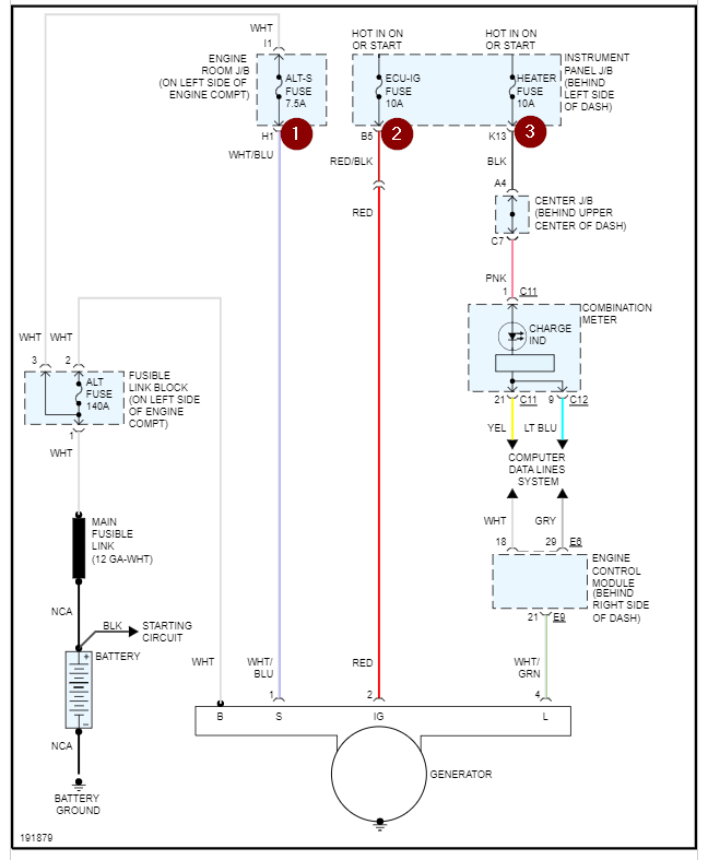
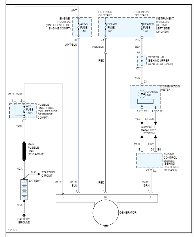
My battery light is intermittently coming on even after replacing my alternator and battery. They both were tested as bad and that's when I decided to replace them. I noticed that my new alternator is charging at 13.75v even with my headlights and radio on. Is that normal? The car starts up and runs fine but the battery light just keeps coming on. I tested the alternator at advance auto before I installed, and it passed on their machine.









