Wednesday, January 9th, 2019 AT 3:42 PM
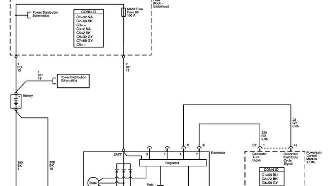
I have an issue with the battery light. I replaced the battery and I replaced the alternator twice. Also I changed the main fuse and it's still lit. What else should I check?


