Battery light

Tiny
JEROME MURRAY
  • MEMBER
  • 2000 CHEVROLET CAVALIER
  • 150,000 MILES
I disconnected the alternator and did not disconnect the battery. The alternator wire touched the outside of the alternator and sparked. I pulled it away and then a puff of smoke come from around the starter. So I hooked everything back up it started fine and after running a few minutes the battery light came on. I had the alternator checked after this and it's good. Don't no what would make the light come on.
Tuesday, November 17th, 2020 AT 4:44 PM

1 Reply

Tiny
CARADIODOC
  • MECHANIC
  • 34,490 POSTS
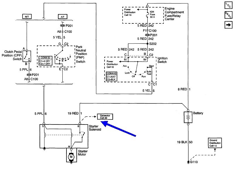
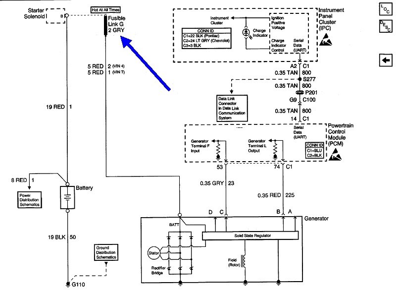
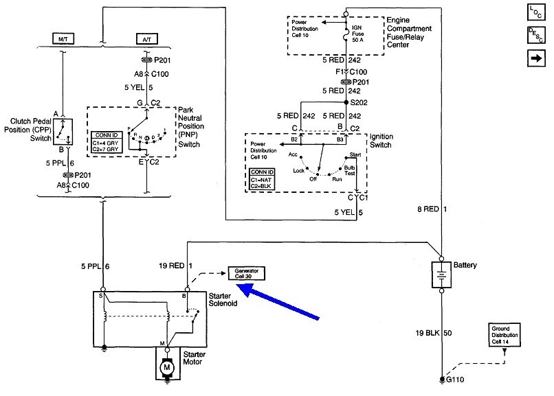
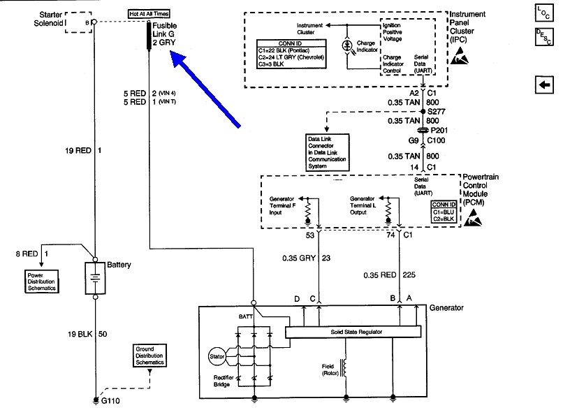
Check the voltage on the bolted-on output wire on the back of the generator when the engine is not running. You should find full battery voltage there. If you do not, suspect a fuse link wire was burned open. GM likes to use the large battery cable stud on the starter as a convenient tie point. That would explain the puff of smoke from that area.

This first diagram shows the charging system with the blue arrow pointing to the fuse link wire. The second diagram is for the starting system. That blue arrow shows where the fuse link wire taps off from the battery cable.

If you can see that fat battery cable on the starter, there will be additional smaller wires connected to that same large stud. Those start out with a fuse link wire on each one. To test them, tug on them a little. A good one will act like a wire. One that is burned open will act like a rubber band. If you find one that burned open, you can buy replacements at any auto parts store. One can be cut into pieces to make three or four repairs. The length of the fuse link doesn't matter. Cut the old link out, then solder in the new one. Be sure to solder the splices, then seal them with moisture-proof heat-shrink tubing. Never use electrical tape as it will unravel into a gooey mess on a hot day. Tape also does a real poor job of sealing out moisture.
Was this
answer
helpful?
Yes
No
Tuesday, November 17th, 2020 AT 5:23 PM

Please login or register to post a reply.