Saturday, June 19th, 2021 AT 12:31 PM
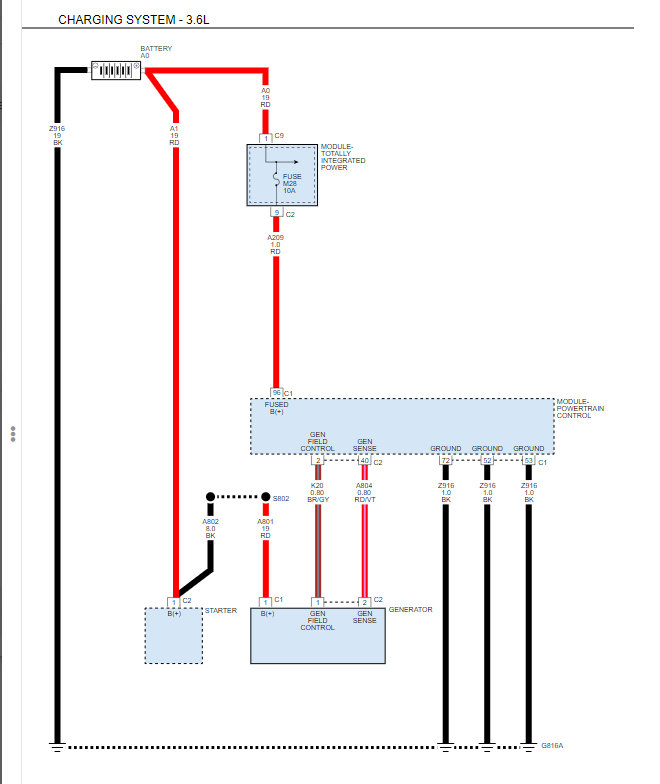
The other day my battery light came on. Got it tested. Was okay replaced it and light still was on. Next day light was on still drove it for 30 minutes lost my A/C and all random light came on, shut it off and wouldn't start. Let it rest started back up drove it to a shop. Tested battery it was low so figured it must alternator. Got one. That was bad, exchanged and that was bad got a new one and now the wire harness clip won't stay in. Any ideas.





