Battery light?

Tiny
NMAY
  • MEMBER
  • 2007 LINCOLN TOWN CAR
  • 4.6L
  • V8
  • 2WD
  • AUTOMATIC
  • 66,000 MILES
Installed a new battery, checked alternator, with light on and off shows alternator good. When the light comes on I turn on the heater and the light goes off. Sometimes it just accelerating, and it will go off.
Tuesday, January 10th, 2023 AT 11:56 AM

5 Replies

Tiny
JACOBANDNICKOLAS
  • MECHANIC
  • 110,194 POSTS
Hi,

I need you to perform something for me. It sounds like the alternator isn't producing what it needs to.

All you will need is a multimeter or voltmeter. I need to know the voltage at the battery with the engine running and with it off. Follow the directions in this link and let me know what you find:

https://www.2carpros.com/articles/how-to-check-a-car-alternator

Let me know if that is something you can do or if you have other questions.

Take care,

joe
Was this
answer
helpful?
Yes
No
Tuesday, January 10th, 2023 AT 7:41 PM
Tiny
NMAY
  • MEMBER
  • 6 POSTS
Hi, we checked the diodes and from testing showed bad. We then took the alternator off and took to Napa, and they put on tester, and it showed bad, so we replaced alternator and belt. Did not fix the problem. Battery light is still coming on. When we rev up the engine and turn the heater on the light will go off. When we turn on the A/C light stays on. We do not know where to go from here. Any suggestions would be appreciated. Thanks
Was this
answer
helpful?
Yes
No
Saturday, January 14th, 2023 AT 9:07 AM
Tiny
JACOBANDNICKOLAS
  • MECHANIC
  • 110,194 POSTS
Hi,

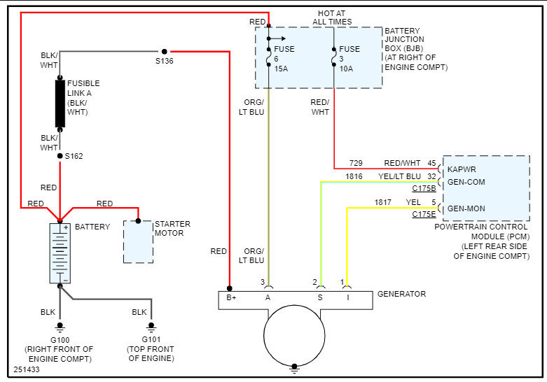
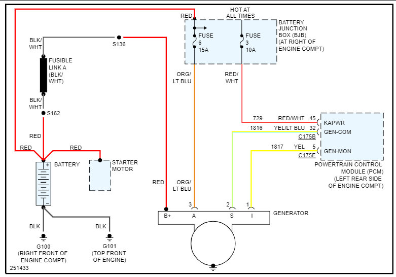
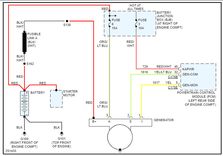
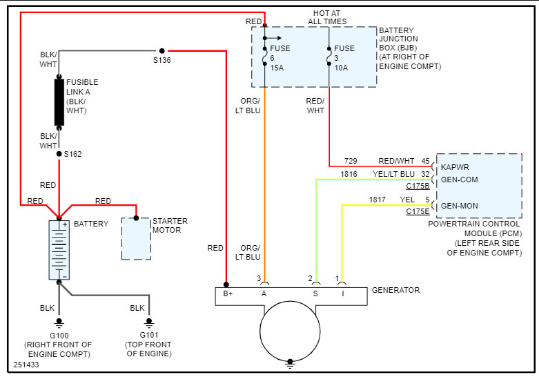
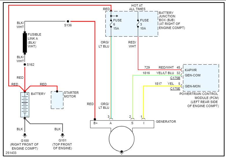
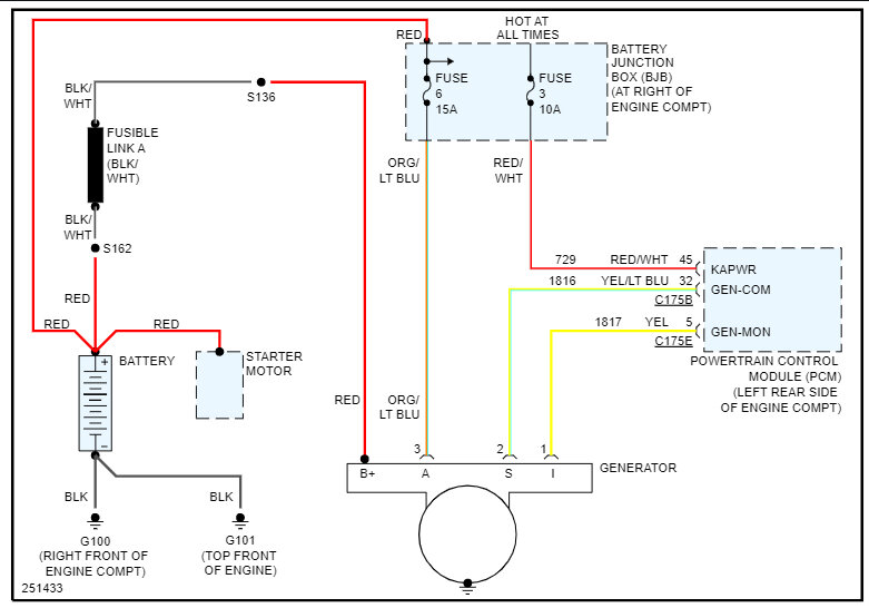
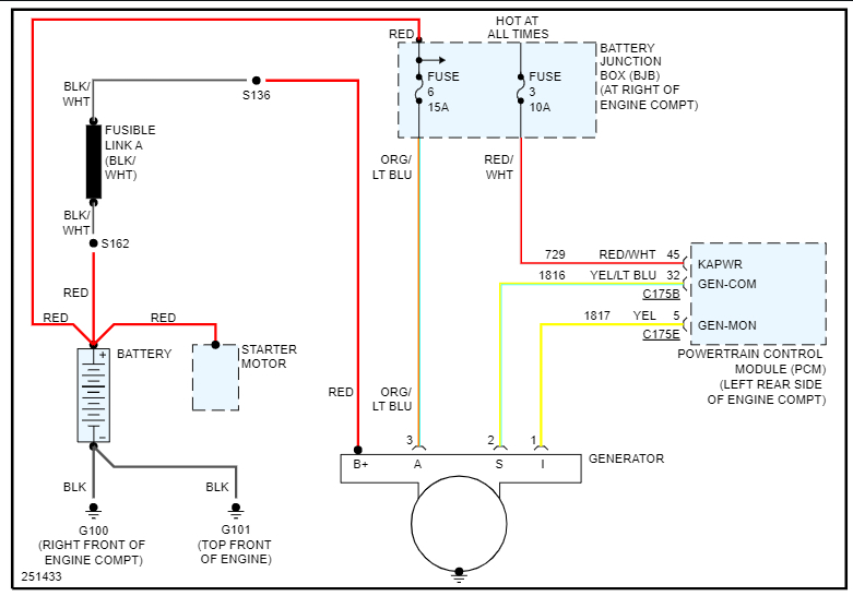
I have gone through several schematics and found nothing that is physically tied together that would cause what you described.

If you look below, I attached the wiring schematic for the charging system.

At the PCM, you have KAPWR which is keep alive power. That is constant power to the vehicle for things such as the clock and radio settings.

The GEN-COM signal represents the commanded voltage set point for output. This communicates with the PCM to determine output.

At the PCM, the GEN-MON is last. This stands for the generator monitor which sends a signal to the PCM based on the alternator load and output.

The other two wires are battery voltage wires. If the alternator has tested good, I suspect something may be happening at the PCM.

After the wiring schematics below is a definition of how the circuit functions. After that are basic diagnostics. Take a look through them and let me know if you are comfortable performing them.

Take care,

Joe

See pics below.
Was this
answer
helpful?
Yes
No
+1
Sunday, January 15th, 2023 AT 5:52 PM
Tiny
NMAY
  • MEMBER
  • 6 POSTS
Thank you so much for your help. We found a PCM relay that was bad. Changed relay and that fixed problem. You are so much appreciated.
Was this
answer
helpful?
Yes
No
Friday, January 27th, 2023 AT 11:05 AM
Tiny
JACOBANDNICKOLAS
  • MECHANIC
  • 110,194 POSTS
Hi,

You are very welcome. I'm glad to hear you found the problem.

Please feel free to come back anytime in the future. You are always welcome.

Take care,

Joe
Was this
answer
helpful?
Yes
No
Friday, January 27th, 2023 AT 6:53 PM

Please login or register to post a reply.