Battery is getting too high of voltage, how to replace the voltage regulator?

Tiny
9718030753
  • MEMBER
  • 1997 JEEP GRAND CHEROKEE
  • 5.2L
  • V8
  • 4WD
  • AUTOMATIC
  • 268,000 MILES
My gauge keeps going up to 19 instead of normal and it got my battery hot. How do I change the voltage regulator?
Wednesday, February 10th, 2021 AT 5:51 PM

1 Reply

Tiny
CARADIODOC
  • MECHANIC
  • 34,463 POSTS
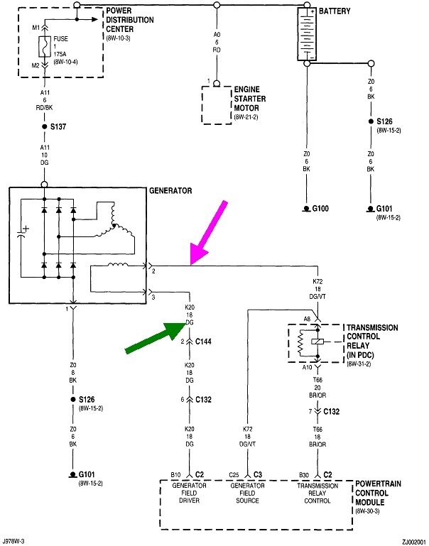
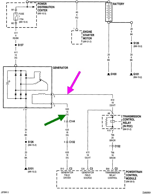
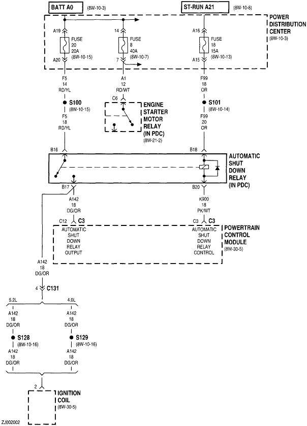
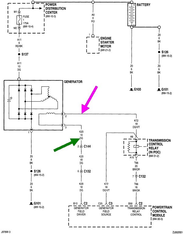
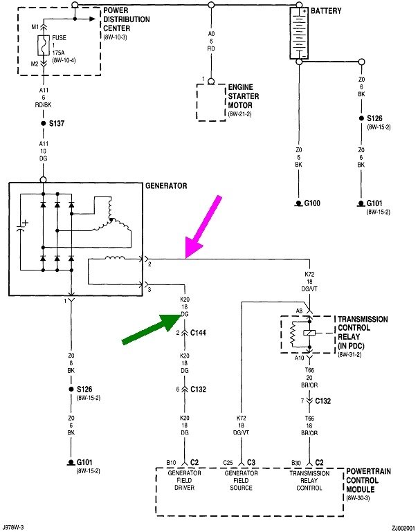
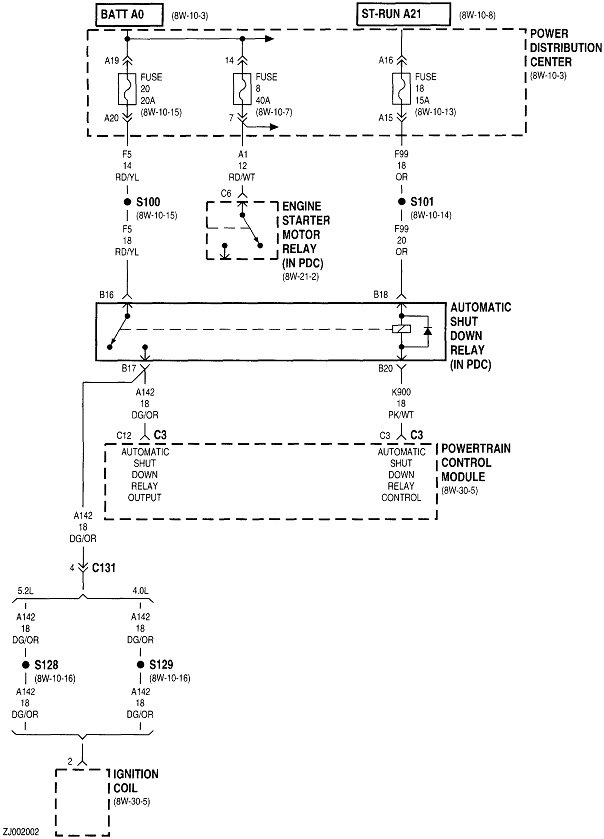
The voltage regulator is built into the Engine Computer and has been uncommonly reliable. Lets make that our second-best suspect for now.

The better suspect is the dark green control wire is grounded. Start by measuring the voltages on the two smaller terminals on the back of the alternator. This has to be done with the engine running. You'll find full system voltage on one of those terminals. The other one should have less, but not 0 volts. The lower this voltage is, the bigger the difference is, the bigger the electromagnetic field is, and the more output voltage and current you'll get. Normally you'll find this one is between about 4 - 11 volts.

Even if the voltage regulator circuit is shorted inside the computer, due to all the other circuitry involved, it can't bring the dark green wire all the way down to 0 volts. You'll find it's closer to perhaps two volts. If you find it's at 0 volts, suspect that dark green wire is grounded. Let me know what you find.
Was this
answer
helpful?
Yes
No
Wednesday, February 10th, 2021 AT 6:40 PM

Please login or register to post a reply.