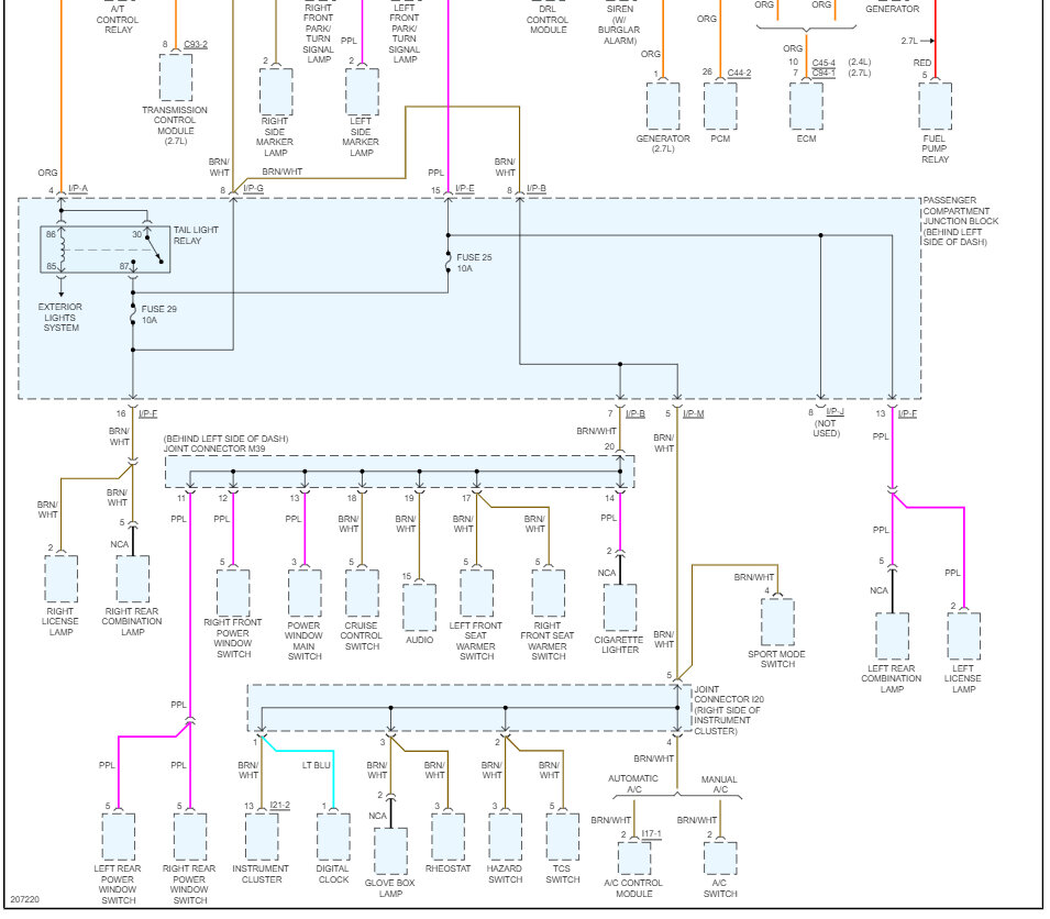
Tuesday, May 2nd, 2023 AT 5:01 PM
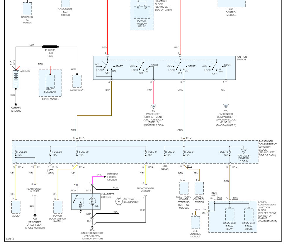
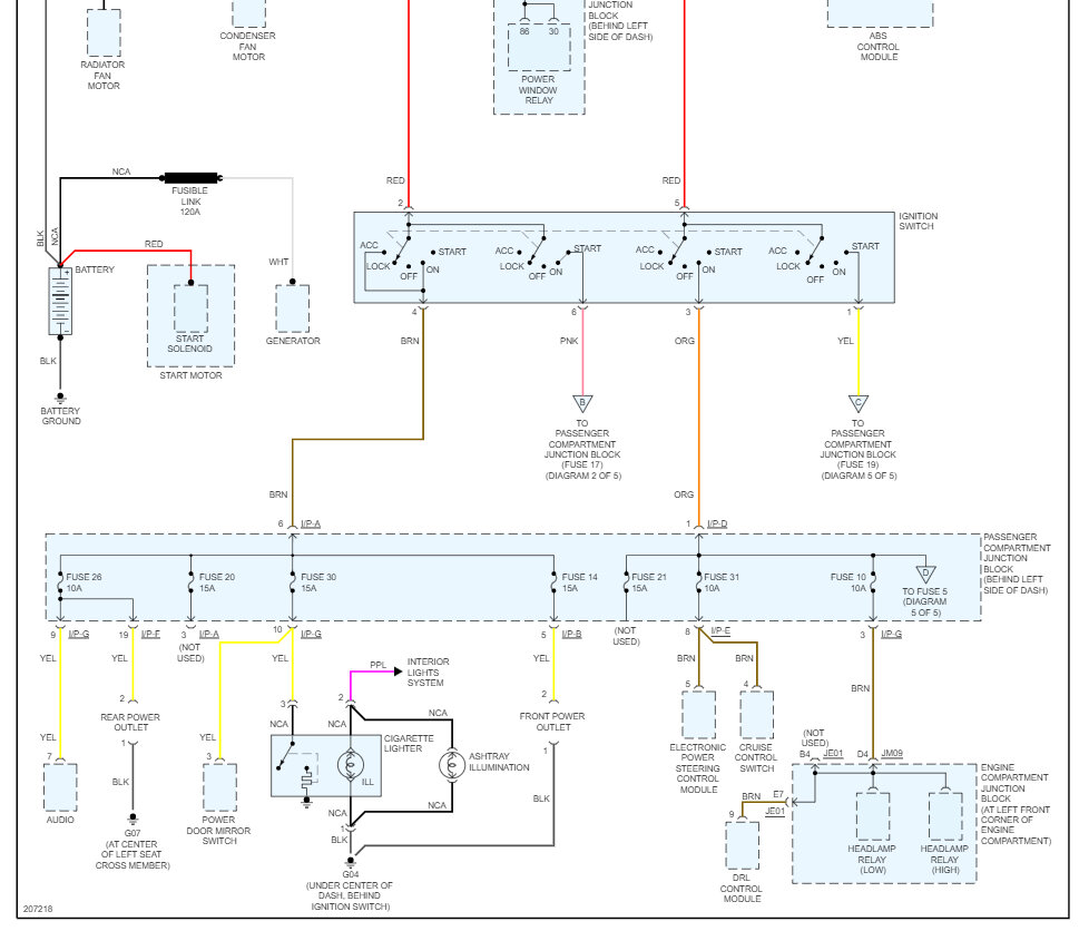
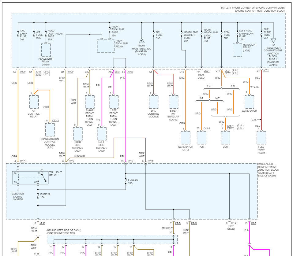
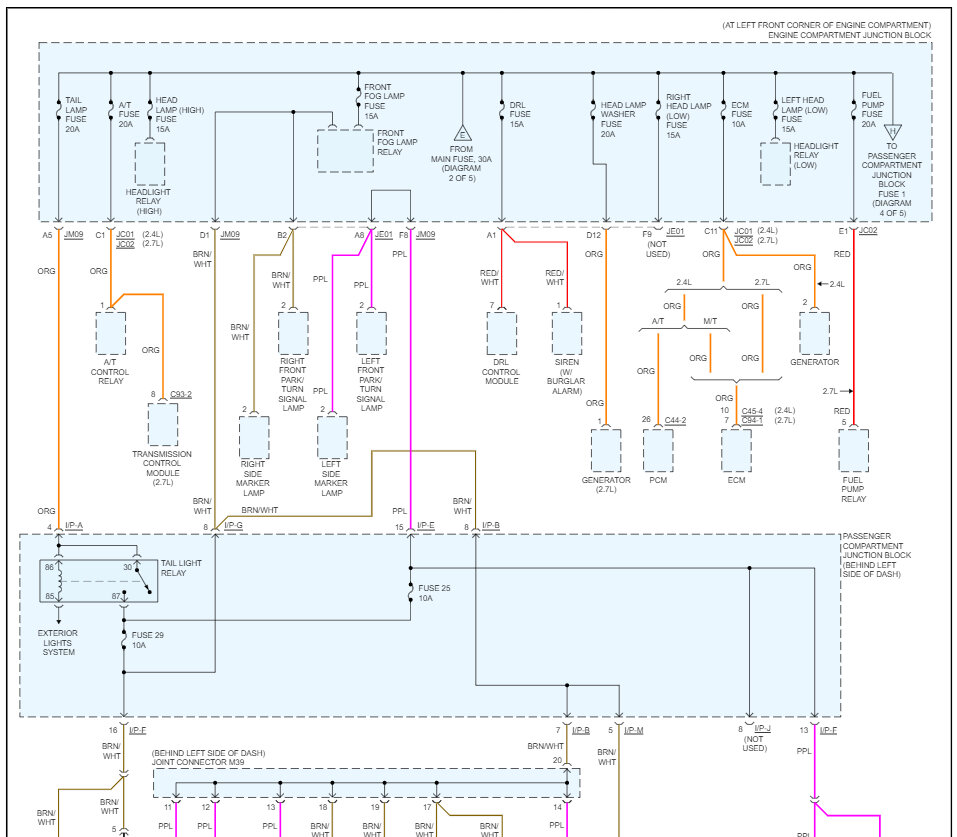
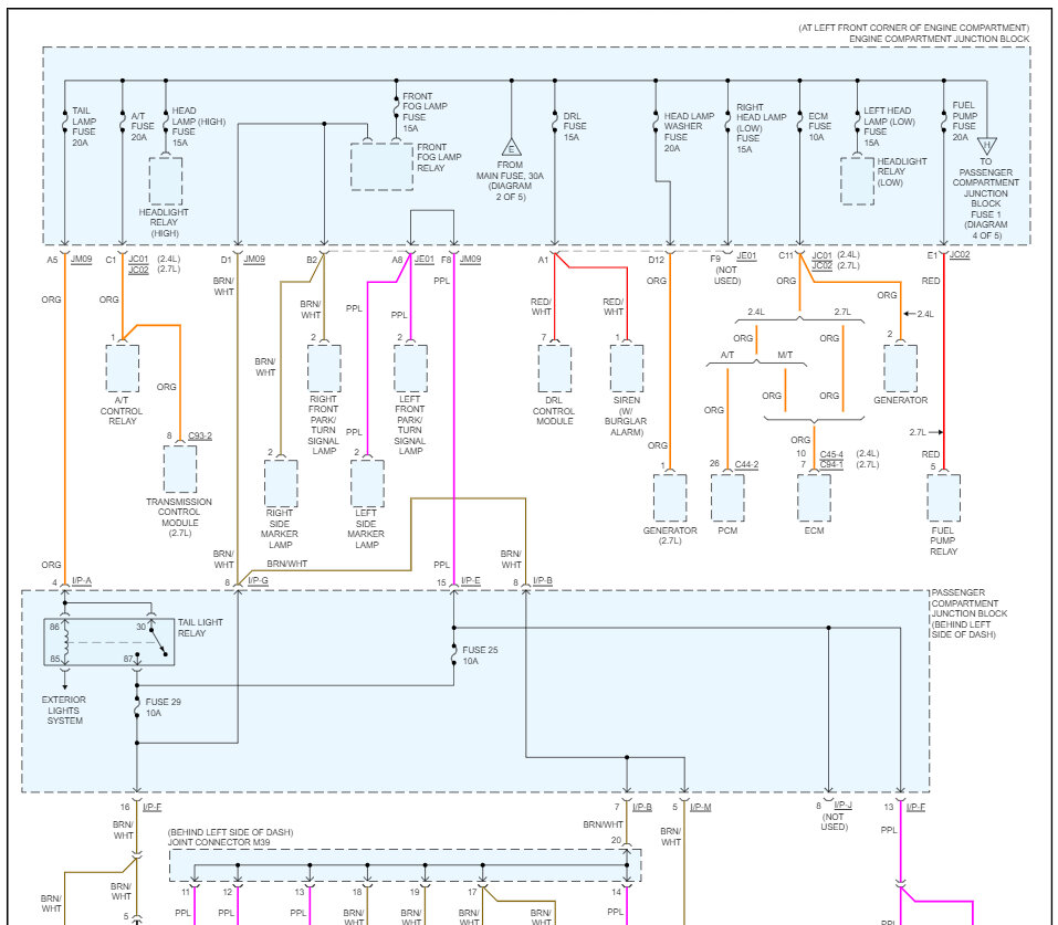
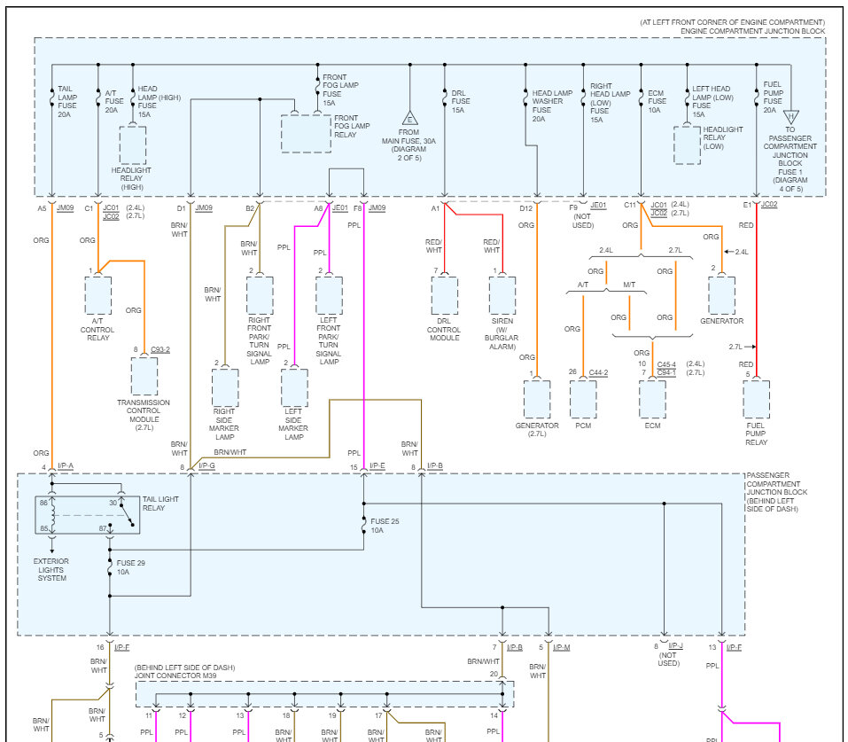
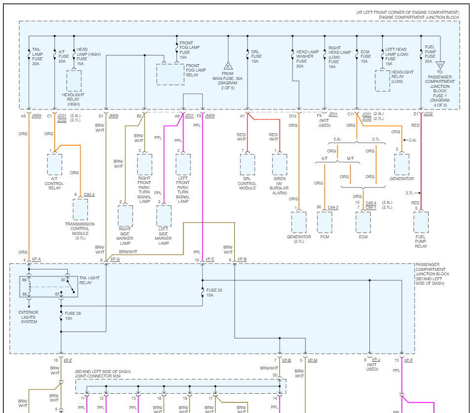
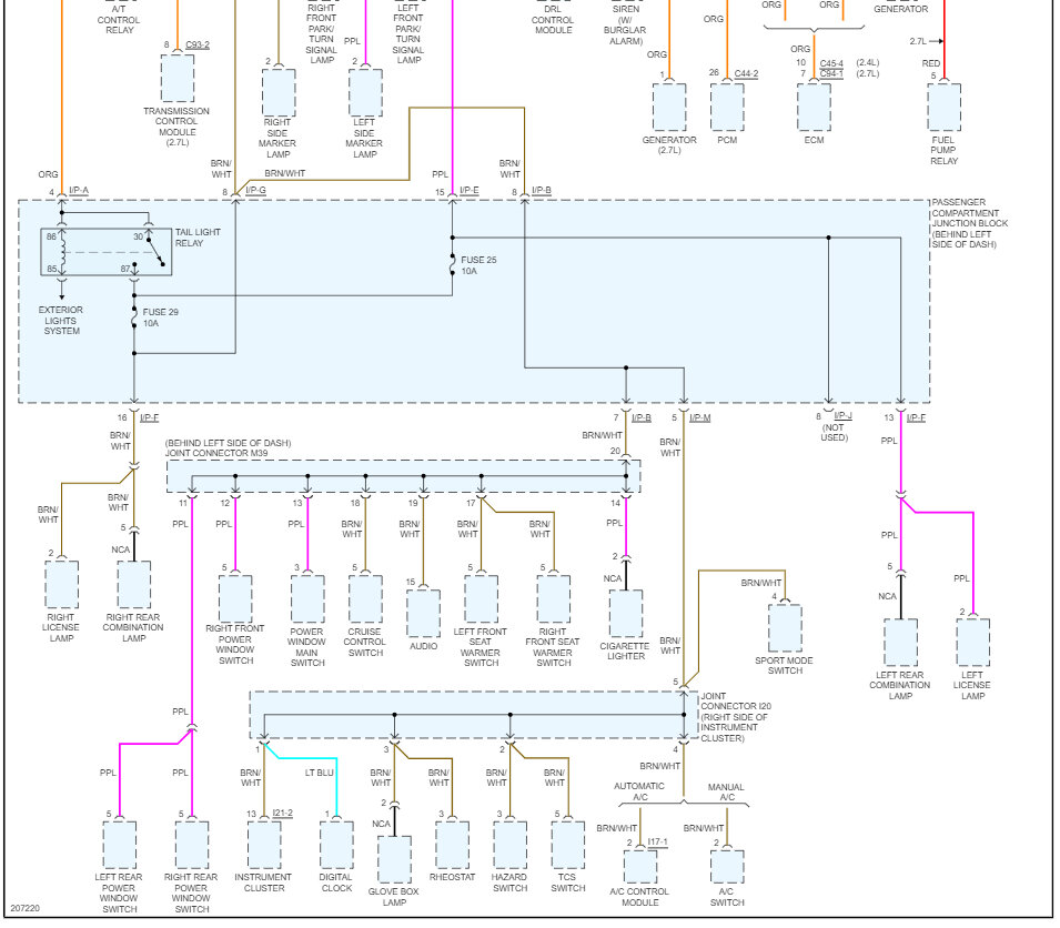
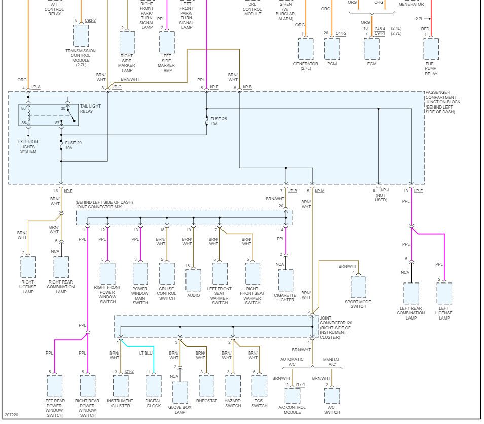
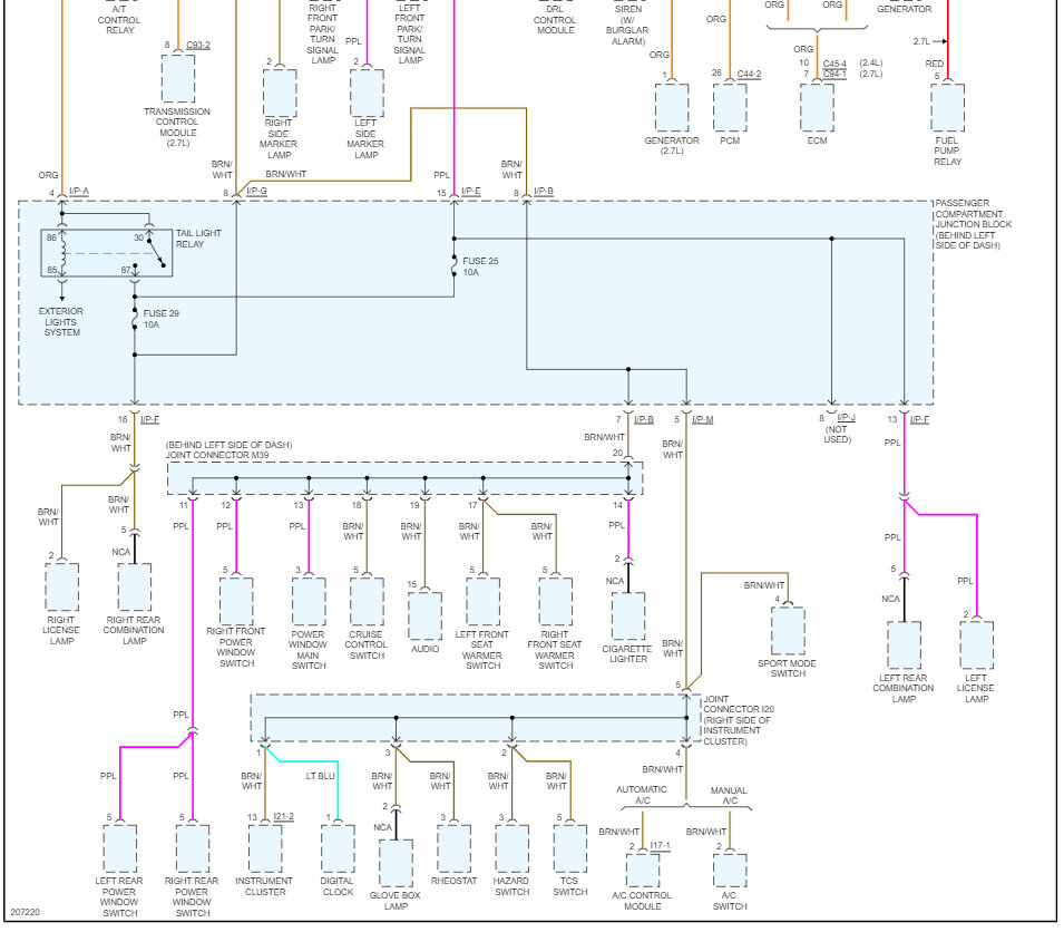
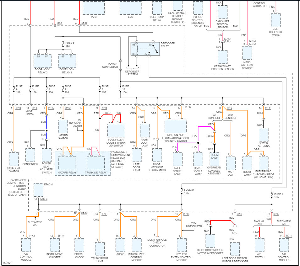
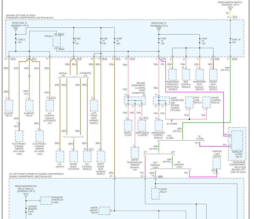
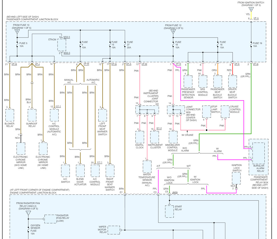
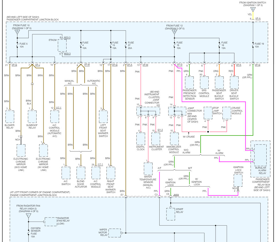
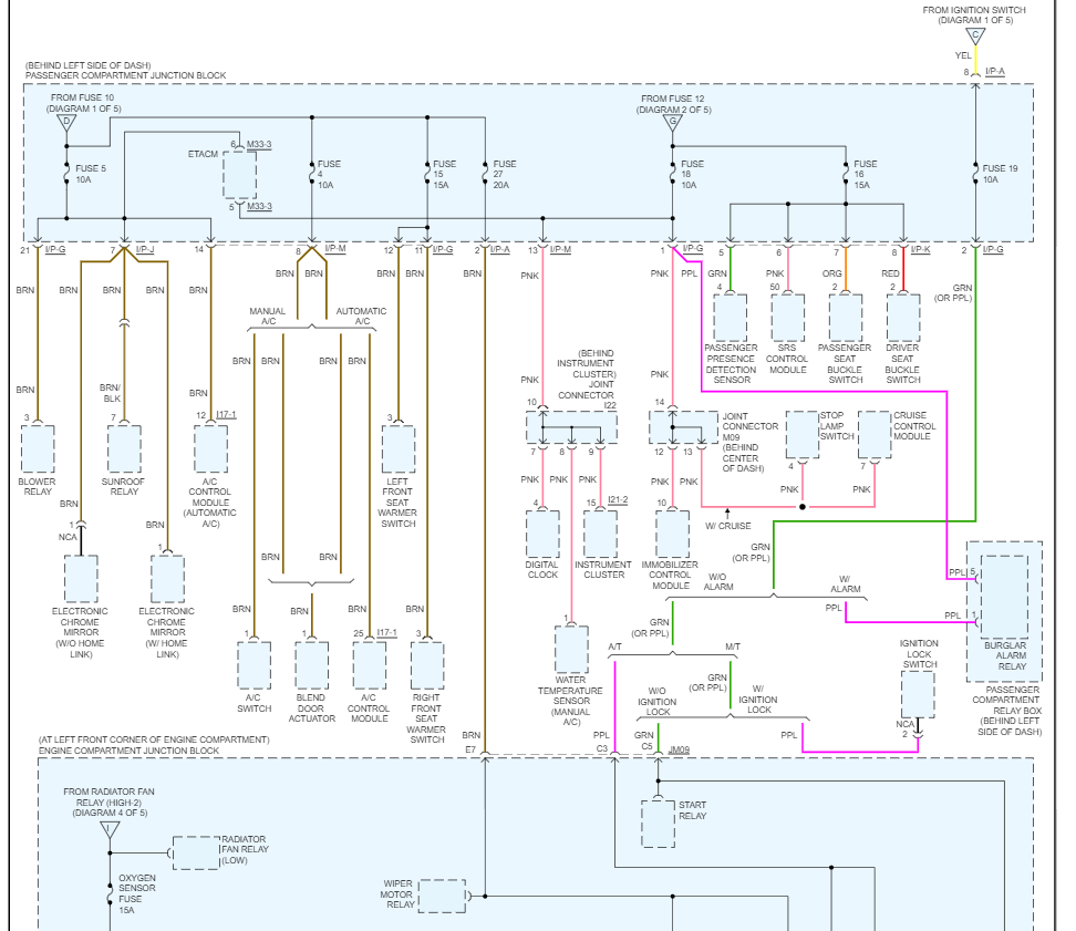
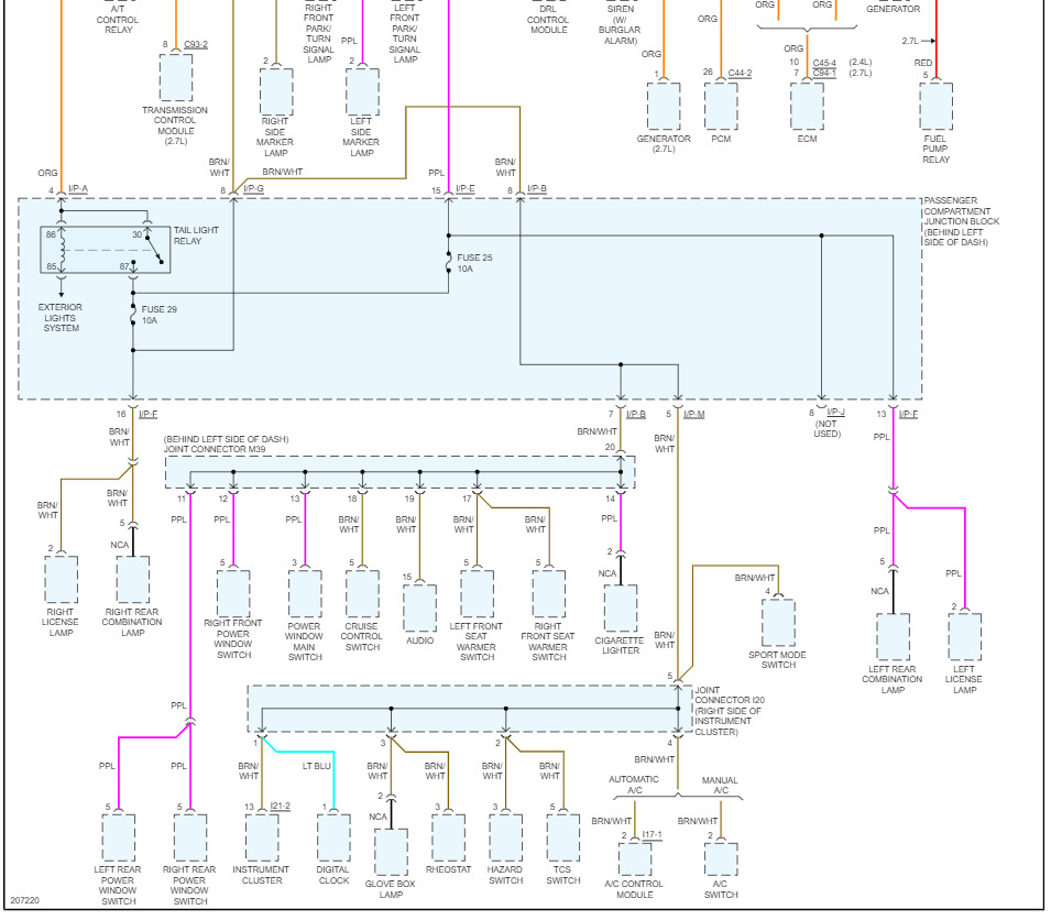
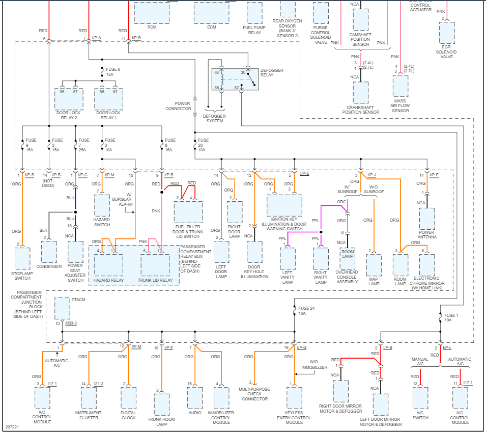
My son had a drained battery, so I went and bought him a new one. I didn't pay attention to when he put the new battery in, and he did negative to positive and vice versa. He did try to start it as well and it didn't work. That's when i checked a saw it was wrong. Once i corrected the issue the car would start. I did change out the fusible link on the positive side and the alternator is now working again. I replaced the ETACS, D/Clock, and ACon fuses in the interior. These were the only fuses that were bad. However, the A/Con fuse immediately pops when turning the key. The only symptoms I can see currently is the Climate Control Module doesn't turn on, and the cigarette power outlets do not work. I have a used CCM coming in the mail in case that is the cause. I don't find any broken fuses under the hood. A lot of the fuses under the hood, however the legs are a little black which is a little concerning. My fuse boxes look like the ones in this link https://fuseandrelay.com/hyundai/sonata-tagaz.html which is different than some videos I've watched. Any advice on other things i need to check or something I'm missing?













