Battery drain

Tiny
FRANK GUERRA
  • MEMBER
  • 2002 DODGE DURANGO
  • 5.9L
  • V8
  • 2WD
  • AUTOMATIC
  • 27,654 MILES
I have a bad battery drain. New battery, new alternator, new starter new battery terminals and it drains real fast. The drain is coming from 30 amp hazard and turn signal fuse and 20 amp fuse power out. How to find it from that point what to do? Oh, the engine is from a Durango but I put it in a 2003 Dakota.
Saturday, February 13th, 2021 AT 8:45 AM

1 Reply

Tiny
CARADIODOC
  • MECHANIC
  • 34,490 POSTS
Is this running the battery dead or are you after some other symptom?

Be aware too that since the mid '90s, it can take up to 20 minutes for some computers to go to sleep mode. Until then, they can draw up to three amps.

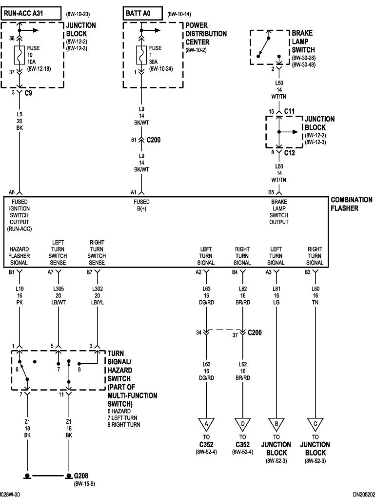
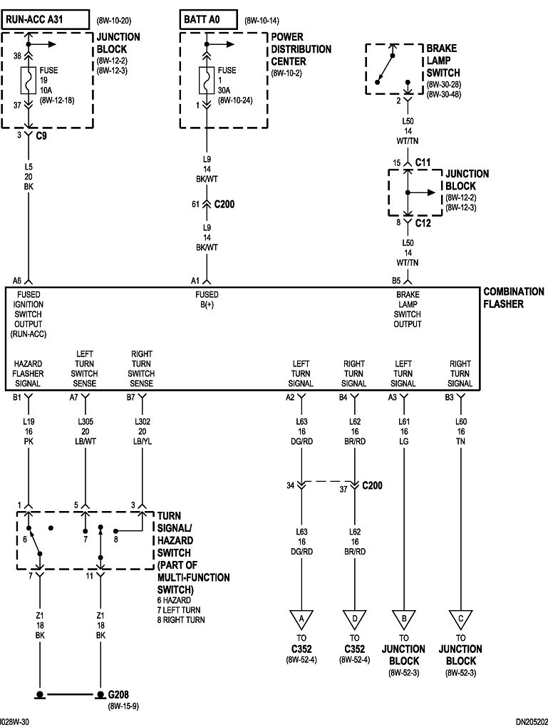
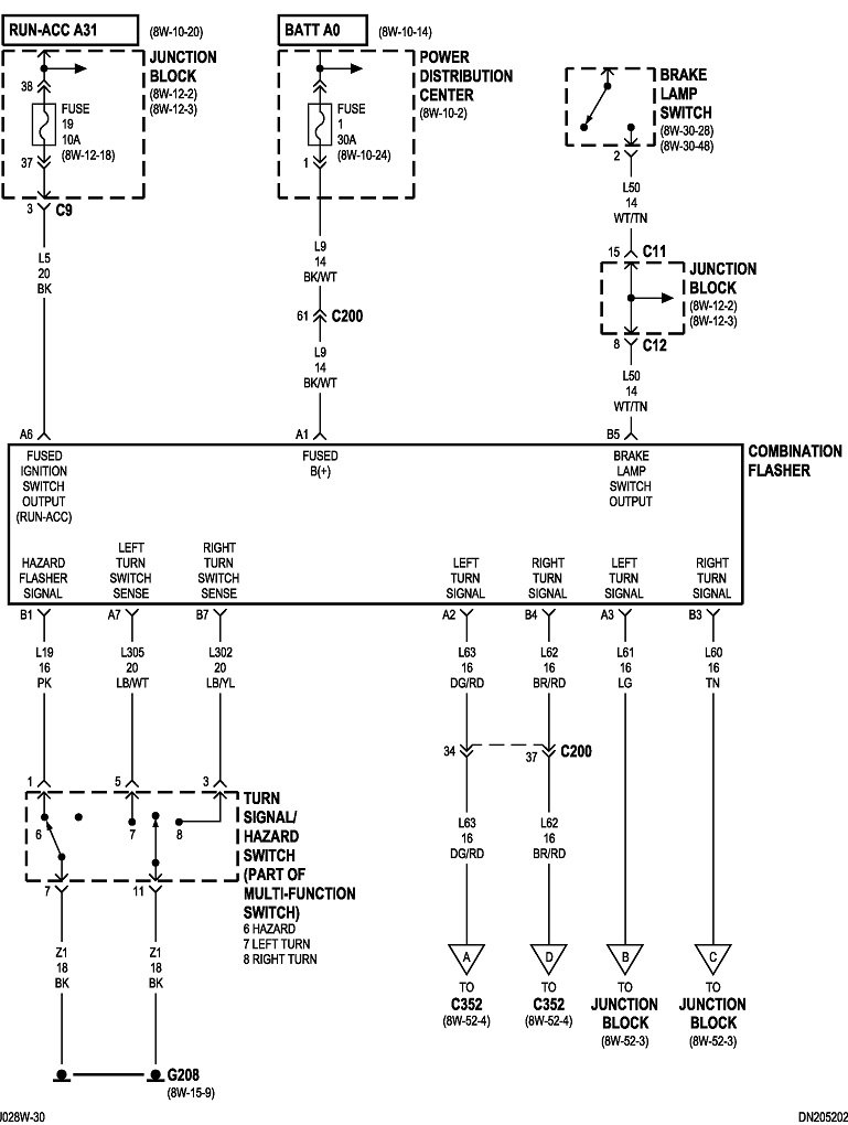
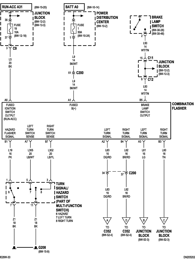
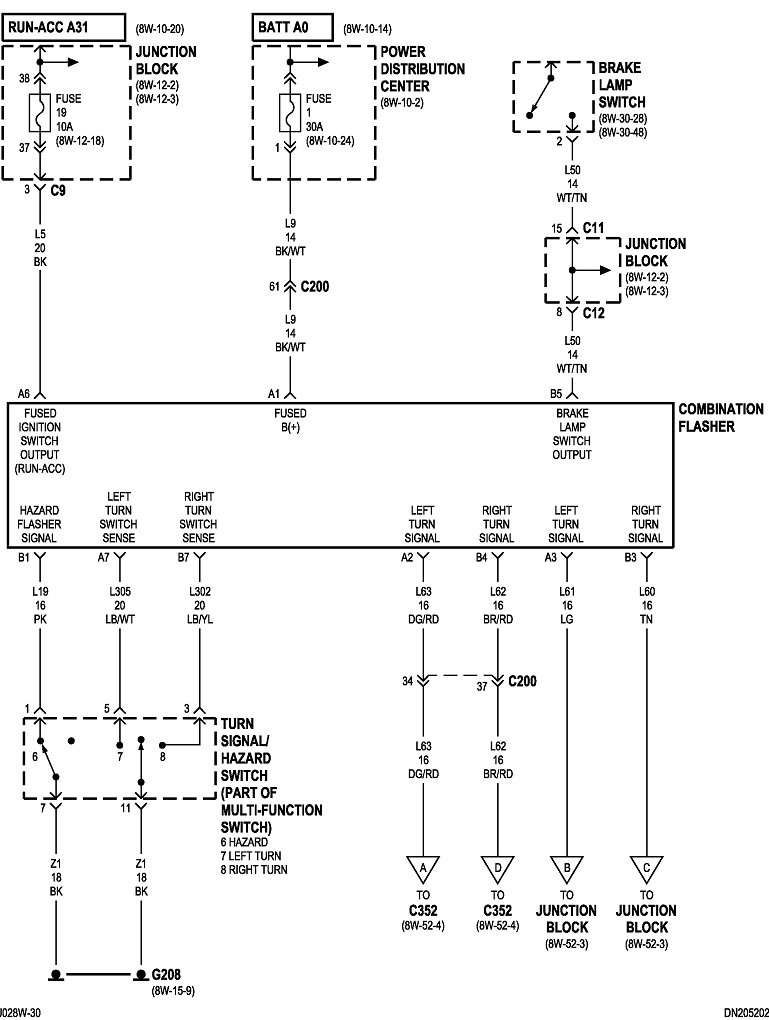
Since you already know which fuse is involved, you're way ahead in the diagnosis. A trick that may help is to replace that fuse with a small 12-volt light bulb. These drawings might help explain this procedure. I use it also to power up a circuit with a dead short. The bulb limits current to a safe value, and the brightness of the bulb tells me when I did something to make the short go away or occur.

In this case, it sounds like the fuse isn't blowing, so you don't have a short. You just have something that isn't turning off. In this case, the bulb won't be very bright, but I suspect it will be bright enough to see. Now you can go through the system and unplug things to see what stops that current flow. When you do, the bulb will go off.

I posted the turn signal diagrams that might help you follow this problem. The last two drawings are for the junction block, (inside fuse box), and the two before that are for the power distribution center, (under-hood fuse box). If we need to dig further into this, please identify which fuses you're working with.
Was this
answer
helpful?
Yes
No
Saturday, February 13th, 2021 AT 5:55 PM

Please login or register to post a reply.