Thursday, April 18th, 2013 AT 8:08 AM
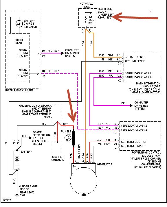
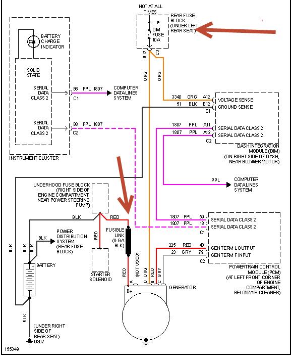
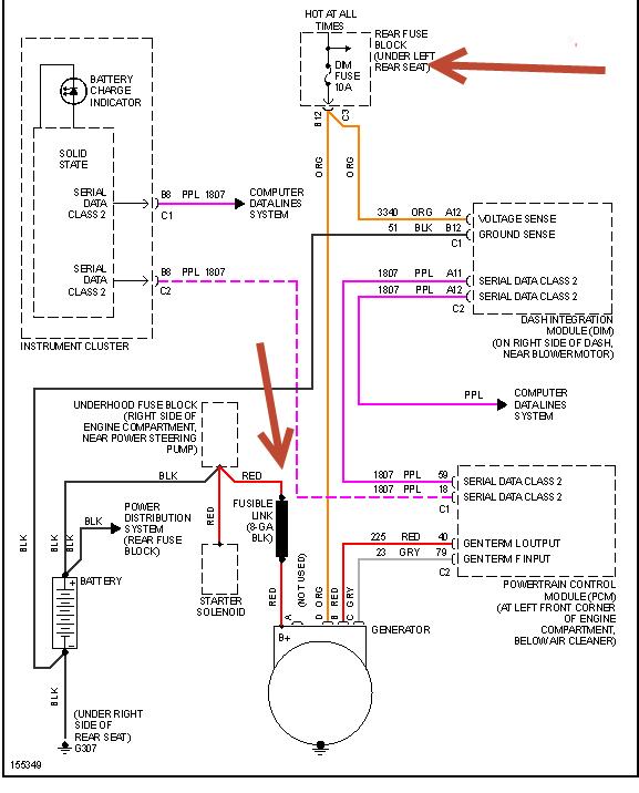
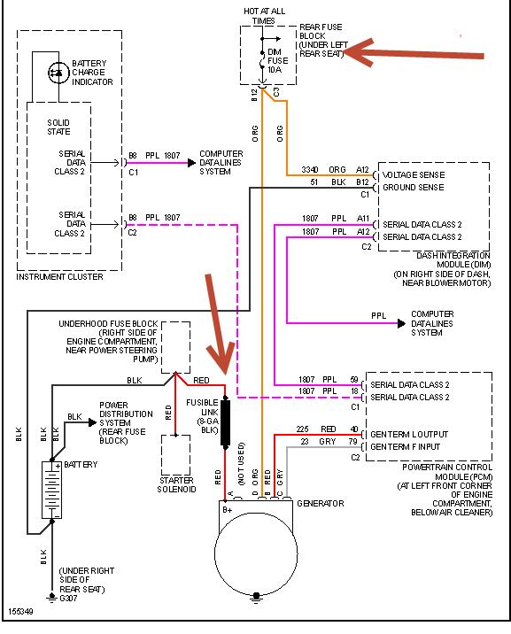
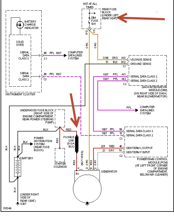
Replaced with proper battery. Then alt light came on and stoped charging dash read bat not charging drop to 117 usually reads between 146and 15 and battery light came on now I just spent 3hours replacing the alternator and still not charging checked all lead pos and negative the alt was working till new battery was installed is the a fuse or is it in the ignition my wife and I share this car with 3 jobs and have lost a week of work over 300. Bucks and still unable to fix issue please some one help us I am a cert motorcycle tech and have exhumed all knowledge and frustration I sure miss my gs 1200 BMW now Ive try other sits with no luck we cant afford a dealership. Any solutions would be truly grateful.


