Why did the Battery Dash light turn on?

Tiny
STEVE620
  • MEMBER
  • 2007 GMC ENVOY
  • 4.2L
  • 6 CYL
  • 4WD
  • AUTOMATIC
  • 112,629 MILES
Started my truck this morning and noticed the Battery Light was on. The gauges on the dash show the battery is good, and the alternator is charging. Any ideas what could be doing this?
thanks
Wednesday, August 10th, 2022 AT 7:41 AM

3 Replies

Tiny
JACOBANDNICKOLAS
  • MECHANIC
  • 110,194 POSTS
Hi:

Chances are the alternator is failing. What I need you to do is check the alternator output. All you need is a voltmeter or multimeter. Follow the directions in this link and let me know the results.

https://www.2carpros.com/articles/how-to-check-a-car-alternator

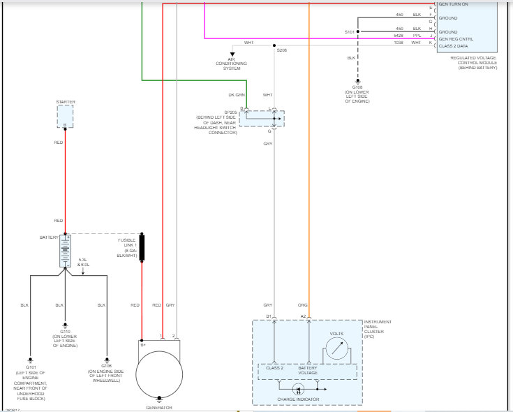
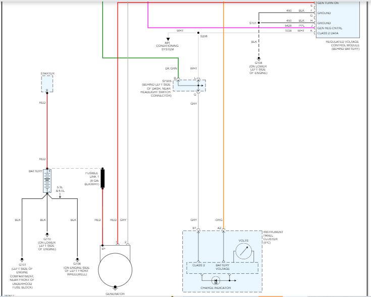
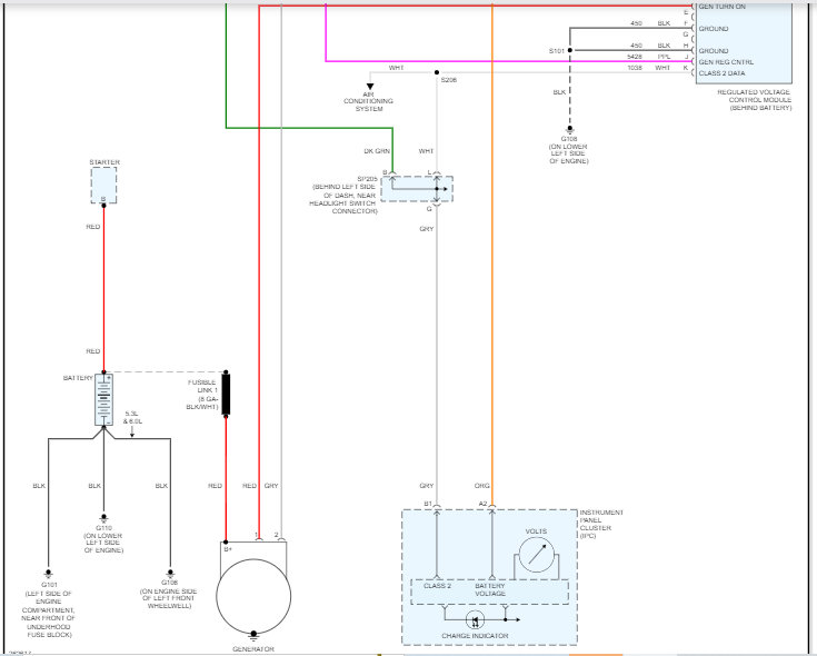
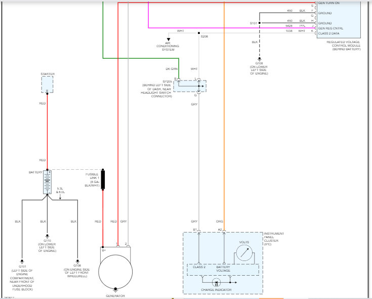
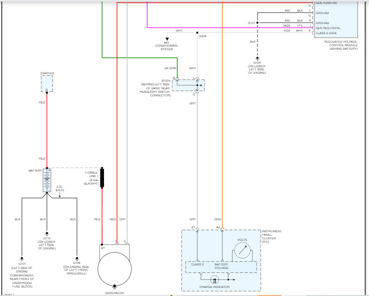
I attached the wiring schematic below for the charging circuit so you have a reference. Perform the above test and let me know the results.

Take care,

Joe

See pics below. Note: I had to cut the pic in half to make it readable for you. I did overlap them so you can follow from one to the next.
Was this
answer
helpful?
Yes
No
Wednesday, August 10th, 2022 AT 11:58 AM
Tiny
STEVE620
  • MEMBER
  • 71 POSTS
Thank you for the reply, I found the problem, it turns out that this truck has a Battery Module (i think that's what it called) on the Negative battery cable, don't know what it does but it was taped on the cable, it was very loose I put zip ties around it and removed connector and re-connected it. Light went out.
Was this
answer
helpful?
Yes
No
Wednesday, August 10th, 2022 AT 4:31 PM
Tiny
JACOBANDNICKOLAS
  • MECHANIC
  • 110,194 POSTS
Hi,

Thank you for the update. And yes, that is exactly what it is called. I'm glad you found it.

Take care and please feel free to come back anytime in the future.

Joe
Was this
answer
helpful?
Yes
No
+1
Wednesday, August 10th, 2022 AT 10:14 PM

Please login or register to post a reply.