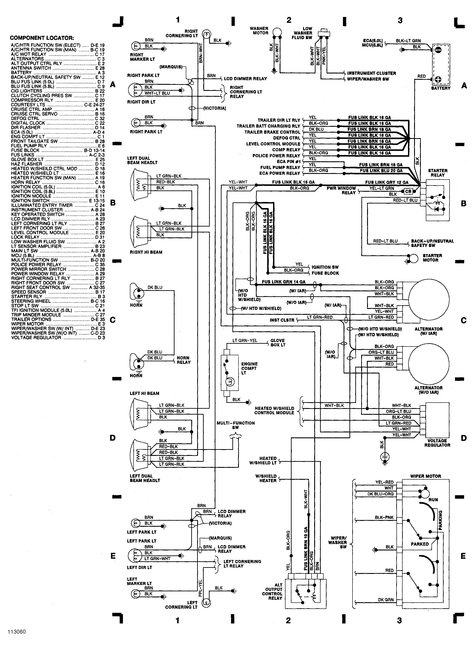
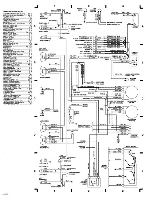
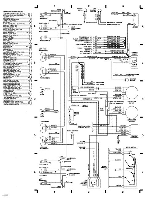
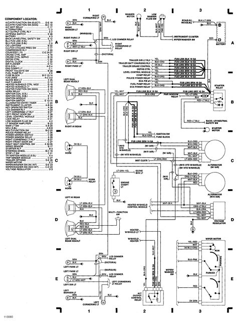
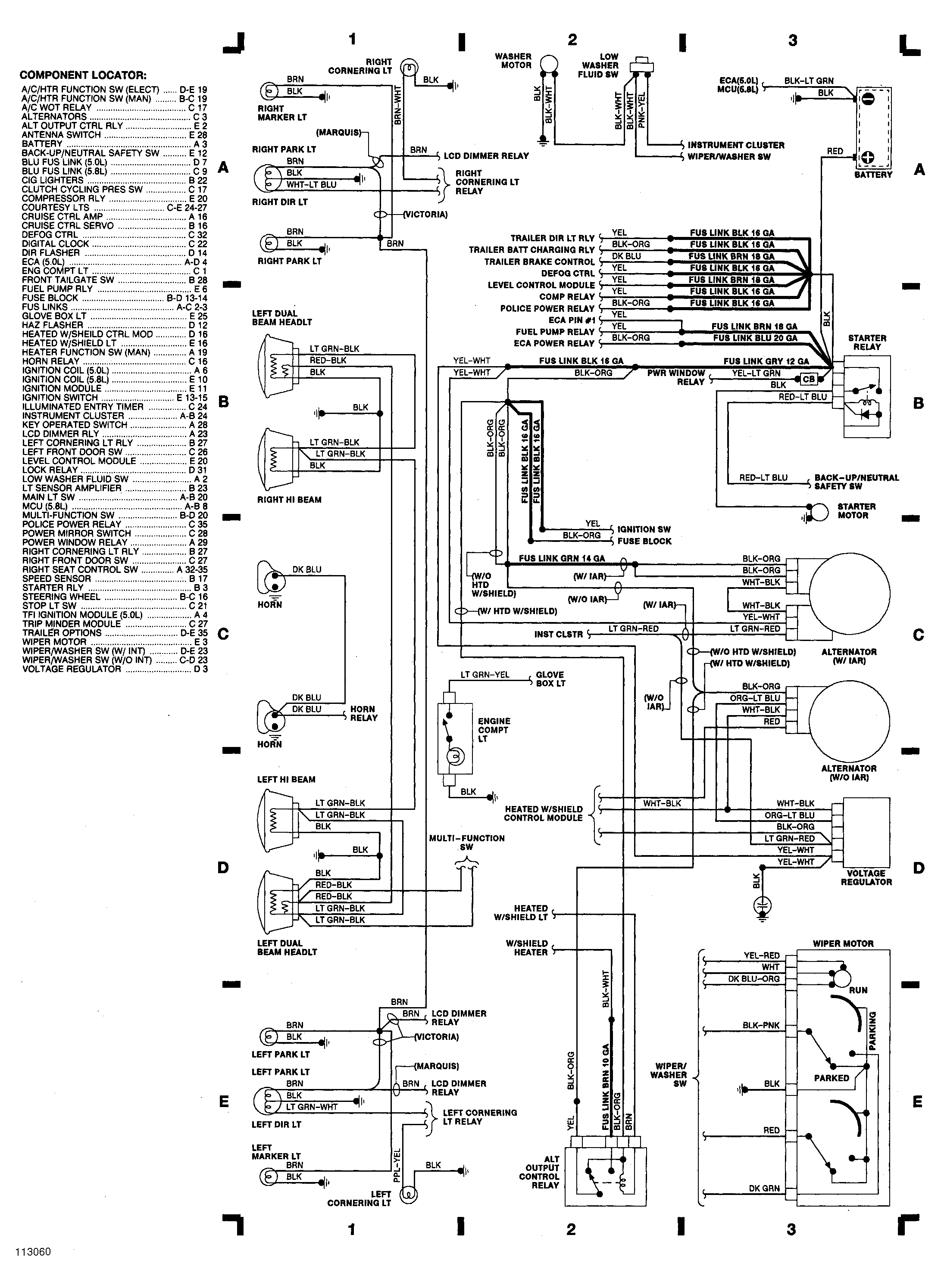
I really need to know what other wires go connected to battery terminals. Negative goes to post on starter at the bottom of the car then a smaller wire coming from negative to ground. What other wire goes to positive terminal other than connected to starter solenoid?
Monday, January 29th, 2018 AT 3:23 AM







