Will not start

Tiny
LEANDER JACKSON
  • MEMBER
  • 2000 PLYMOUTH NEON
  • 2.0L
  • 2WD
  • AUTOMATIC
  • 67,000 MILES
Had battery and starter checked, both are good, but car will not start. No sound at all coming from starter. All lights, horn are working.
Friday, September 11th, 2020 AT 5:09 PM

1 Reply

Tiny
KASEKENNY
  • MECHANIC
  • 18,907 POSTS
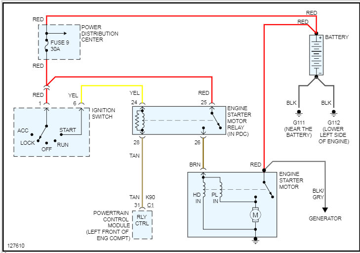
We need to assume at this point that the starter is okay so we need to check voltage at the starter. I attached the wiring diagram.

You should have 12 volts all the time on the red wire but you should have 12 volts on the brown wire only when you are cranking the engine. If you do then I suspect the starter is failed. If not, then the relay or something else is the issue.

https://www.2carpros.com/articles/starter-not-working-repair

Let us know what you find with this and we can go from there. Thanks
Was this
answer
helpful?
Yes
No
Friday, September 11th, 2020 AT 5:56 PM

Please login or register to post a reply.