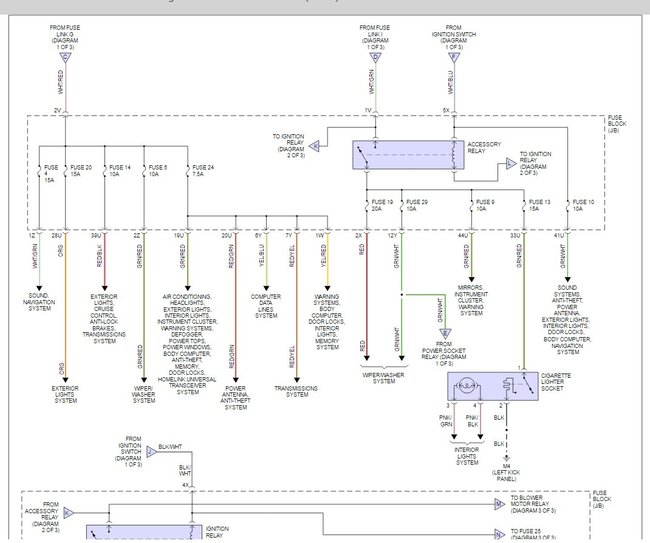
Sunday, January 22nd, 2017 AT 11:52 PM
I have changed alternator and battery and when I put it in drive my battery light and my e-brake light and A/T temperature comes on the dash then either lose power.




