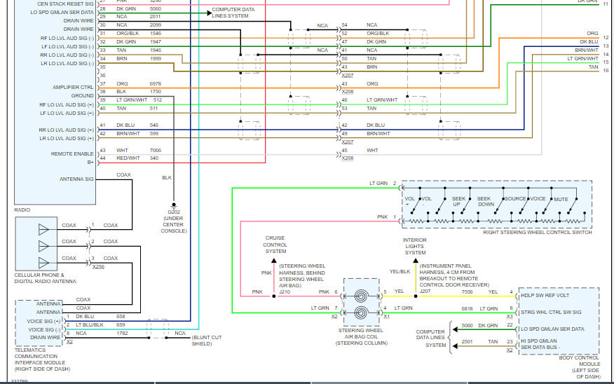
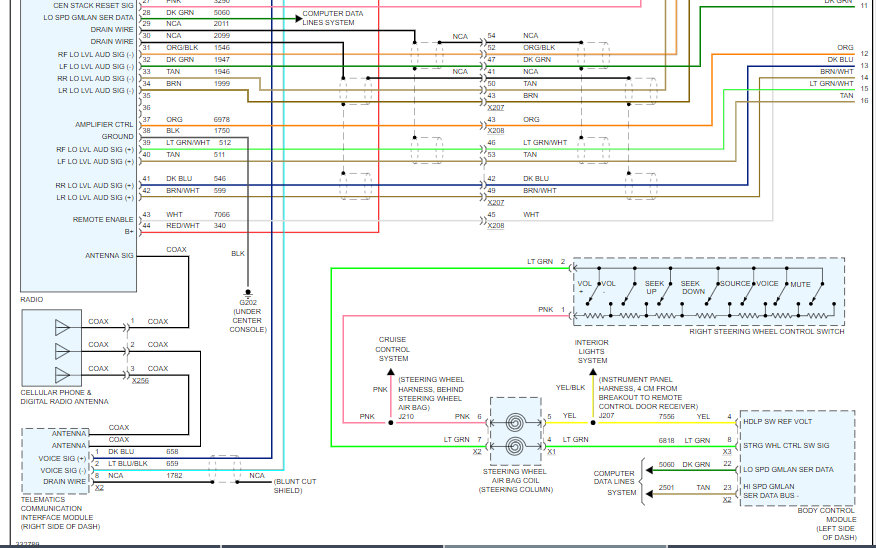
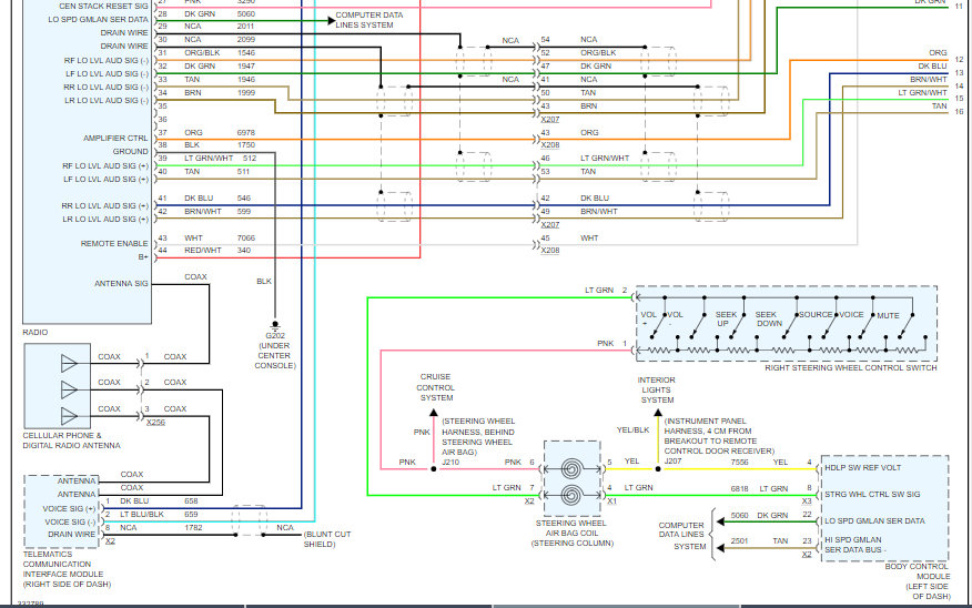
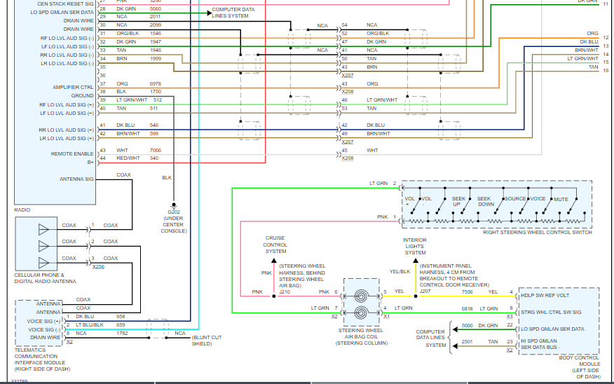
Is it possible to set balance control on the radio? I need the radio wiring diagrams please.
Jul 25, 2020 at 10:53 AM
Repair Safety Notice:
This information is for general instructional purposes only. Vehicle repair can be dangerous.
Verify all information, follow manufacturer service procedures, use proper tools and safety equipment,
and consult a qualified repair shop when needed.
Advertisement
DANNY L
CAR REPAIR CONTRIBUTOR
5,648 POSTS
Hello, I'm Danny.
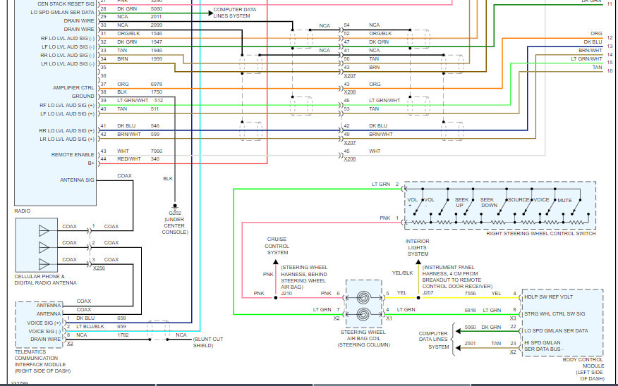
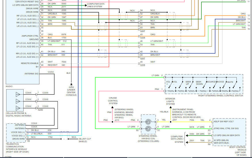
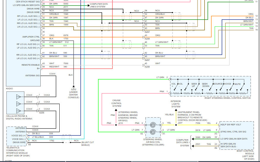
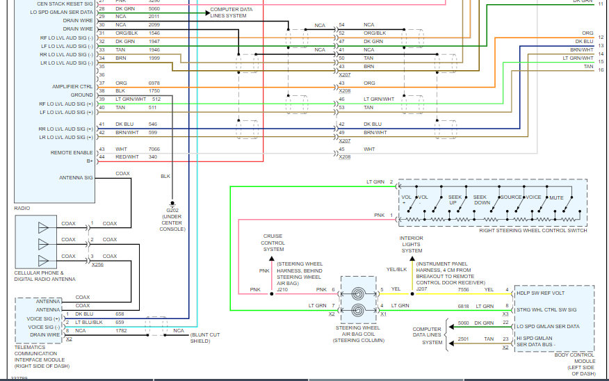
I've attached the radio diagrams you requested below for your car. I've cut the diagrams in half so you can view larger. The first 4 pictures are for the base audio system and the last 4 pictures are for the premium audio system. Hope this helps and thanks for using 2CarPros.