Sunday, July 8th, 2018 AT 3:26 PM
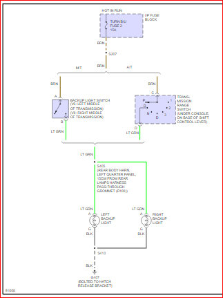
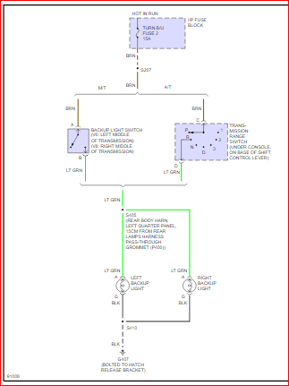
Hello, I have the car listed above with manual five speed transmission. I bought a reverse back up camera for my car and I have to wire it to my reverse lights in order for it to work. I wanted to know if anyone has the reverse light wiring diagram for either driver or passenger reverse lights so that I know what color wires to hook the camera up to. So I would know which light wires to look for and quick is positive and which is negative.


