Back passenger tire is froze stiff

Tiny
BOB AKIN
  • MEMBER
  • 2005 CHEVROLET IMPALA
  • 3.8L
  • 6 CYL
  • 2WD
  • AUTOMATIC
  • 142,000 MILES
My back passenger wheel is frozen/stuck. I cannot get the rotor off the listed above and it has disc brakes. I have a 2004 also I compared the e-brakes and my 2005 is not working all the way. I am thinking the e brake pad is seized inside the rotor. How do I fix this?
Thursday, May 24th, 2018 AT 4:57 PM

1 Reply

Tiny
JACOBANDNICKOLAS
  • MECHANIC
  • 110,192 POSTS
Hi and thanks for using 2CarPros. Com. These things can be a real pain. Here are directions specific to replacing the parking brake shoes. Hopefully they will help you. If you still cannot remove the rotor, you may need a puller or a good hammer to tap on it. It will eventually come off. However, keep in mind you may have a stuck cable which will not release the shoes.

Here are the directions as well as pictures which correlate to the directions:

Park Brake Shoe Replacement
Removal Procedure
Raise and support the vehicle. Refer to Vehicle Lifting.
Remove the rear tire and wheel assemblies.
Relieve the park brake system tension at the equalizer assembly.
Remove the rear caliper bracket.
Remove the rear rotor.
Disconnect and remove the rear park brake cable from the bracket at the rear wheel.
Disconnect the park brake cable return spring from the park brake actuator and bracket at the rear wheel.
Remove the rear hub. The rear hub, backing plate, park brake cable bracket, and park brake actuator will be removed as an assembly.
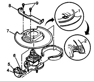
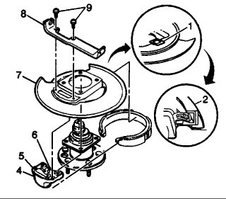
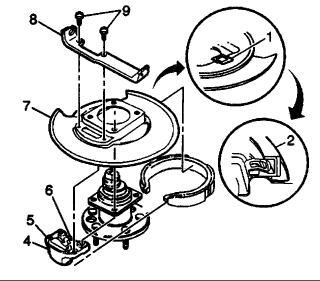
Remove the 2 retainers (9) and the park brake cable bracket (8) from the park brake actuator (4). Position the rear hub aside.
Remove the park brake shoe and actuator (4) from the backing plate (7).
Separate the park brake shoe from the actuator.
Installation Procedure
Assemble the park brake shoe to the actuator (4).
Install the park brake shoe and actuator (4) onto the backing plate (7).
Position the park brake shoe, actuator (4), and backing plate (7) over the rear hub.
Install the park brake cable bracket (8) and the two retainers (9).
Tighten the bracket retainers to 10 Nm (89 inch lbs.).
Install the rear hub. The rear hub, backing plate, park brake cable bracket, and park brake actuator will be installed as an assembly.
Install and connect the rear park brake cable to the bracket at the rear wheel.
Connect the park brake cable return spring to the park brake actuator and bracket at the rear wheel.
Install the rear rotor.
Install the rear caliper bracket.
Install the rear tire and wheel assemblies.
Adjust the park brake system.
Lower the vehicle.

I hope this helps. Let me know how things go or if you have other questions.

Take care,
Joe
Was this
answer
helpful?
Yes
No
Thursday, May 24th, 2018 AT 8:48 PM

Please login or register to post a reply.