Back break lights will not work

Tiny
ARMASON
  • MEMBER
  • 2006 CHEVROLET TRAILBLAZER
  • 165,000 MILES
Bought new switch board and bought new bulbs but can't find the reason the main break lights will not come on at all. But the top one is working also the lights over my car tag isn't working. Please
help keep getting tickets.
Sunday, July 21st, 2013 AT 6:24 AM

1 Reply

Tiny
JDL
  • MECHANIC
  • 16,098 POSTS
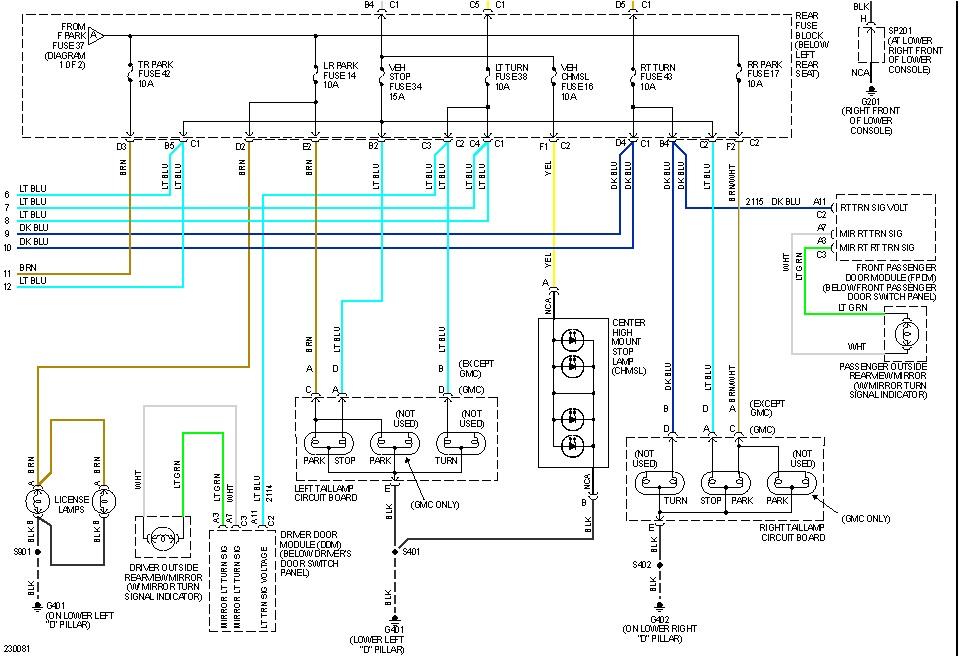
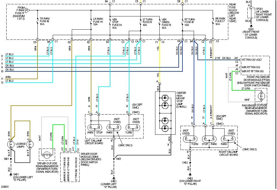
The lite blue wire is voltage for lower stop lamps, Check for voltage with brakes applied. If no voltage, check vehicle stop fuse. Not only check the fuse, check for voltage on the fuse circuit, You can use a testlite.

Note the diagram for the stop and tag lites. For the tag lites, top wire is voltage, black wire is ground. There could be a problem with voltage wiring circuit? The applicable fuses are under the rear seat.
Was this
answer
helpful?
Yes
No
Saturday, February 27th, 2021 AT 12:33 PM

Please login or register to post a reply.