Monday, January 1st, 2024 AT 5:51 PM
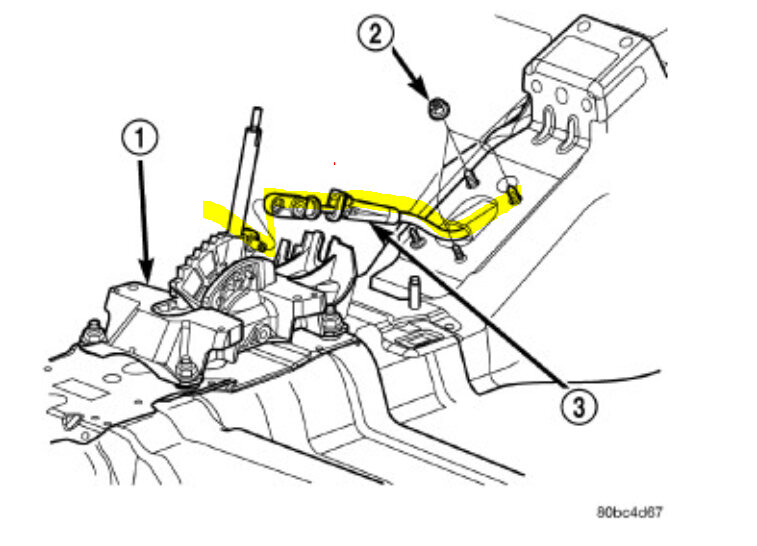
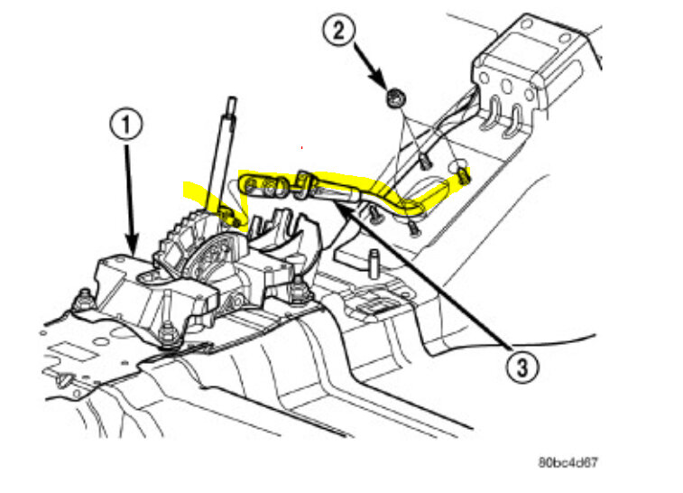
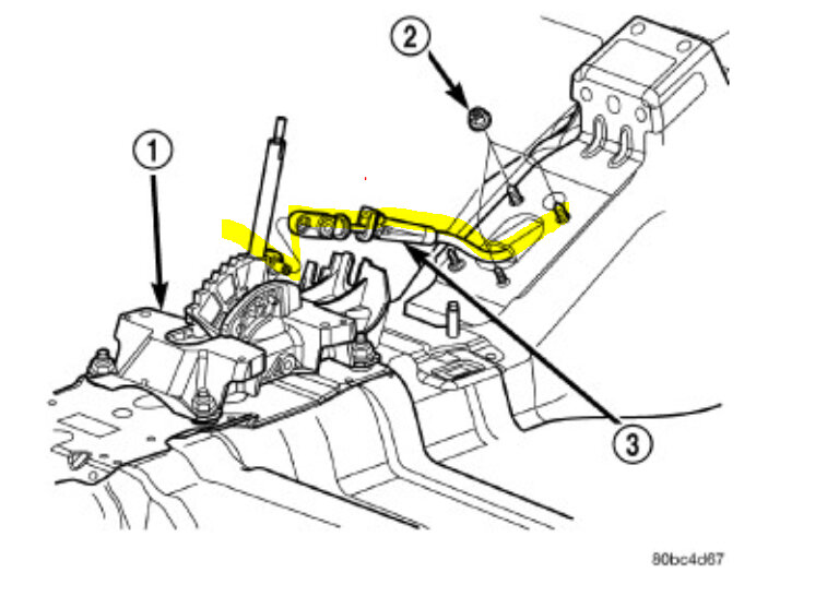
A couple weeks ago, my shifter began to shift hard. I checked fluid levels etc, everything was fine. One night after shopping the shifter went completely loose. The car was started, but I wasn't going anywhere! A gentleman came out and looked under the consul and saw that something had come loose, and it was an easy fix, but it would still be a hard shift. Well, a couple nights ago it did it again! Thank goodness I was at my home and not stranded. A mobile mechanic came out and said I needed a brand new floor shifter, and someone else said it could be as simple as a bushing. AHHHHHHH When it did go loose, I heard a pop or a crack like something was stuck, and I learned words in every language known to man.







