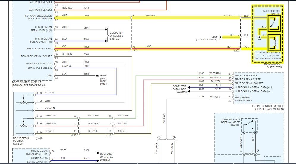
Saturday, May 16th, 2020 AT 11:38 PM
Makes a weird sound on the gear shift like if I was to be pressing and releasing the button. While doing so the back light turns on and off. It only happens on park when the light is on. If I press the brake it stops. See video.

