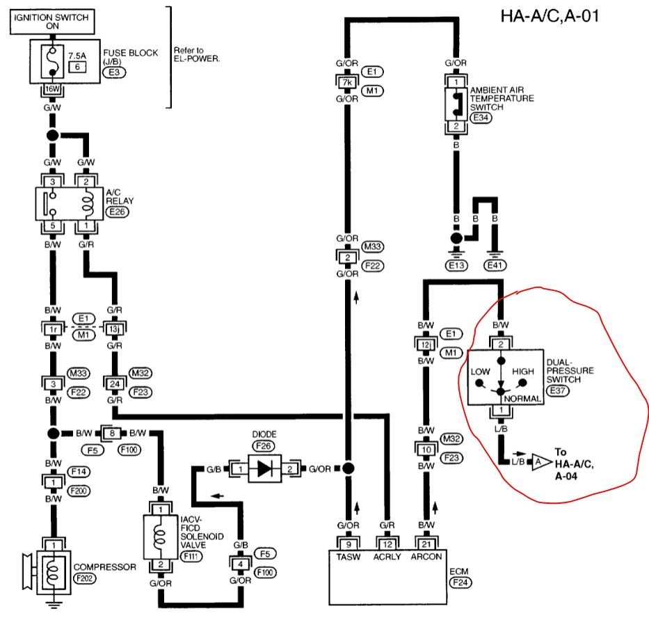
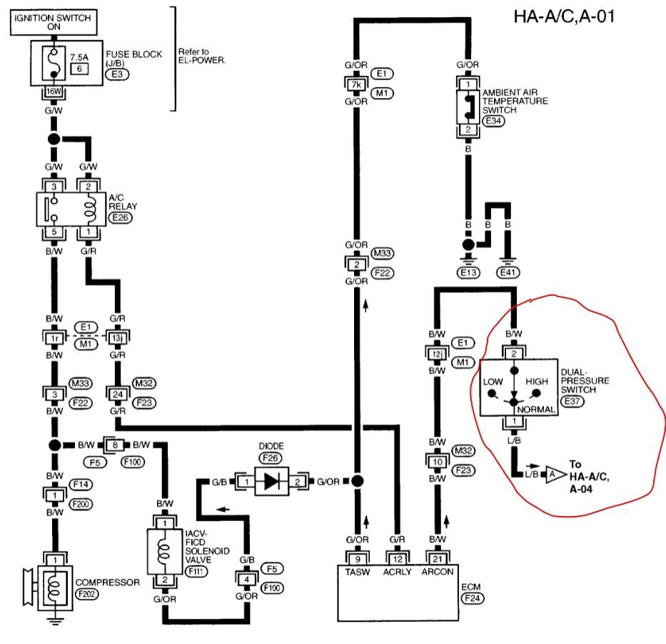
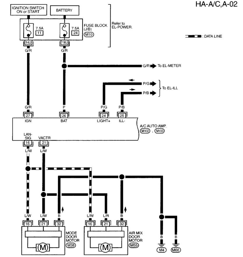
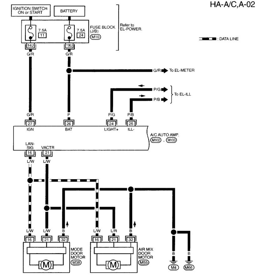
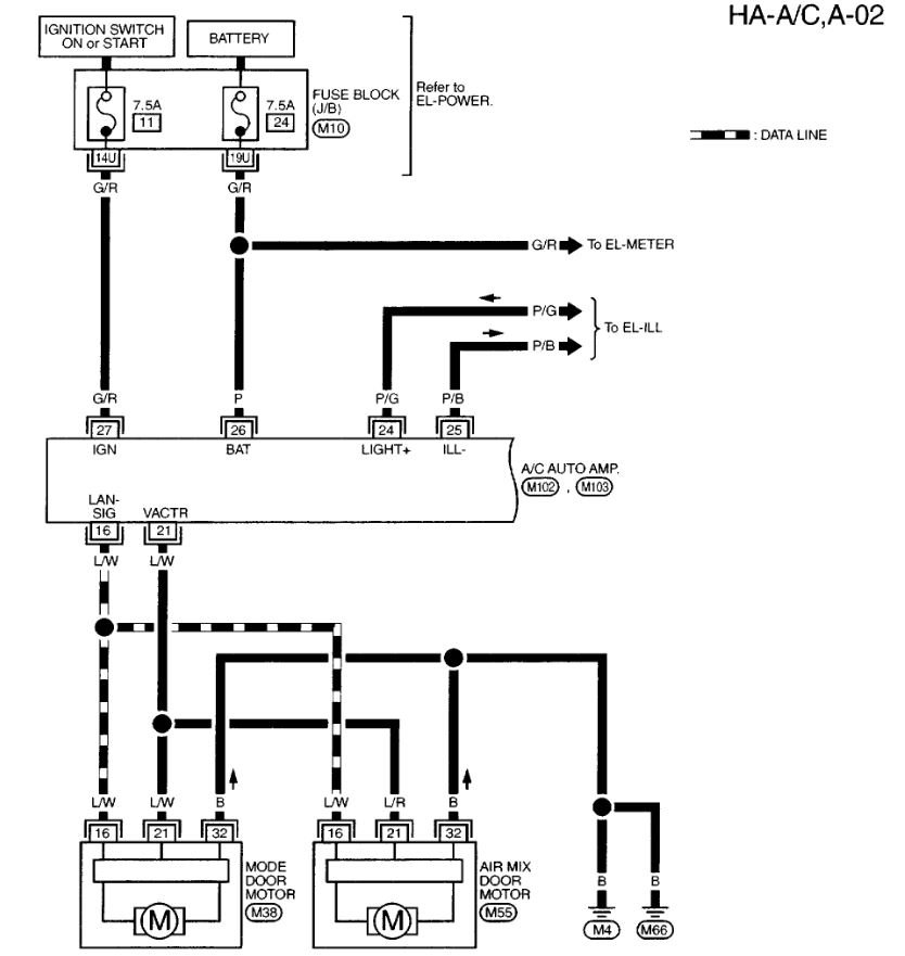
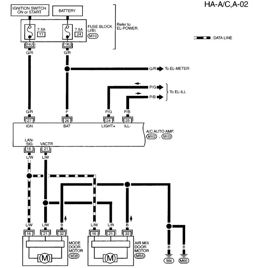
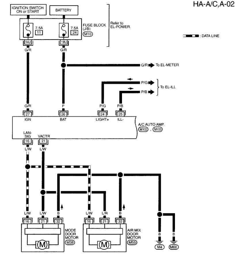
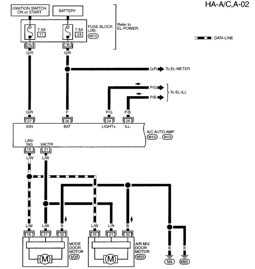
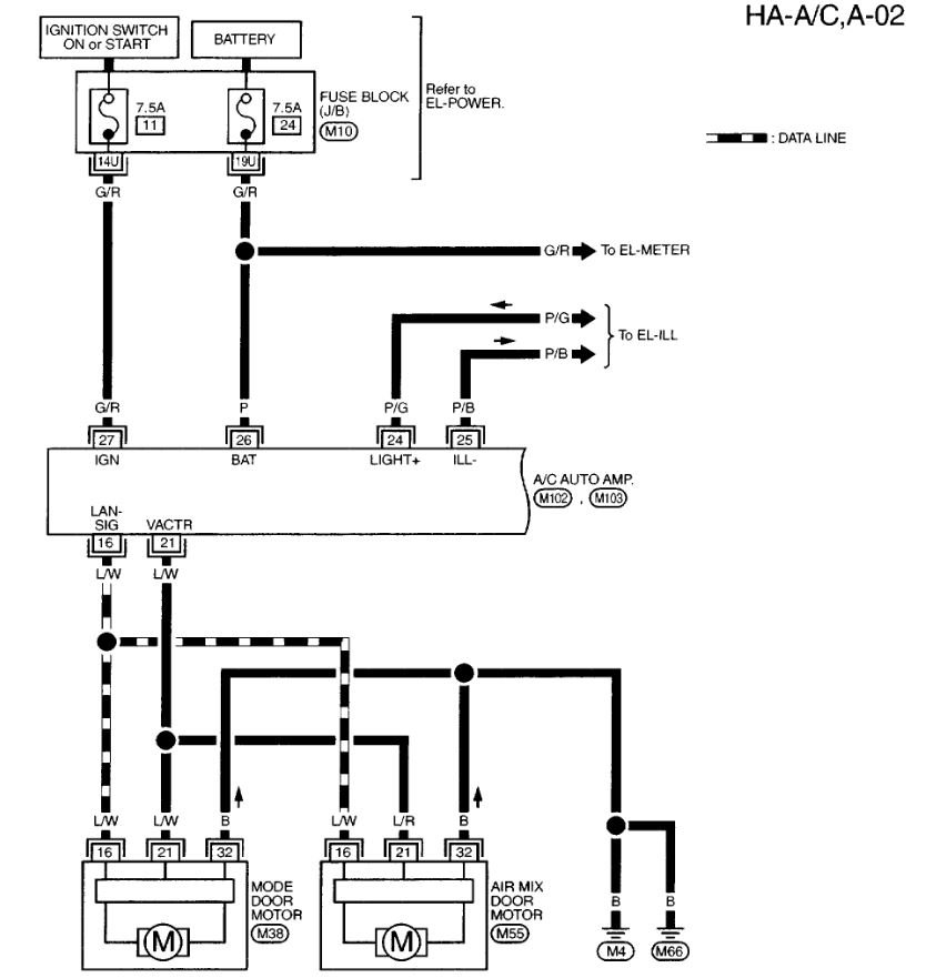
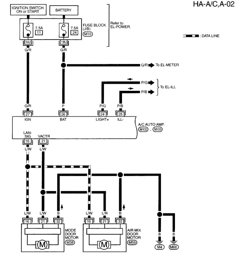
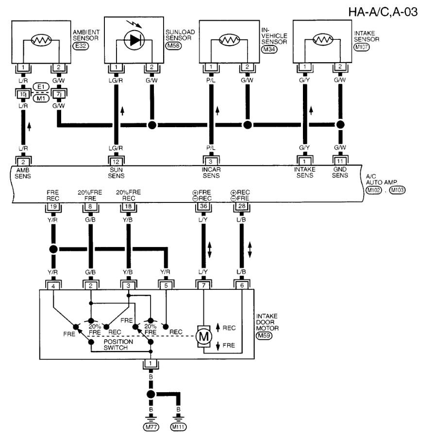
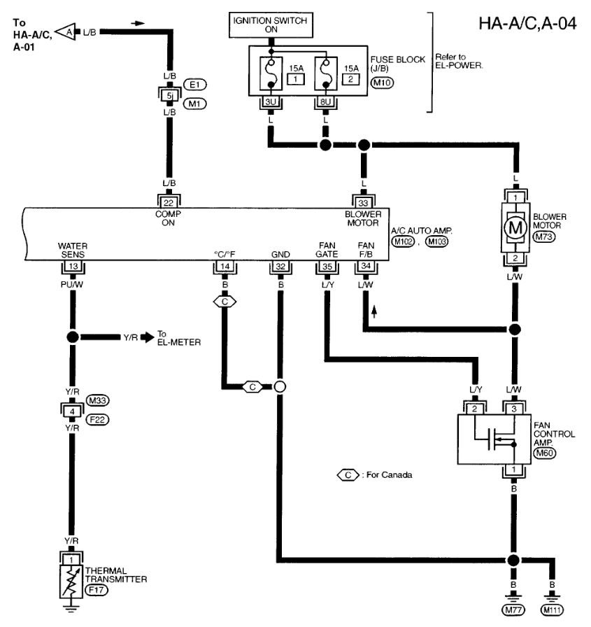
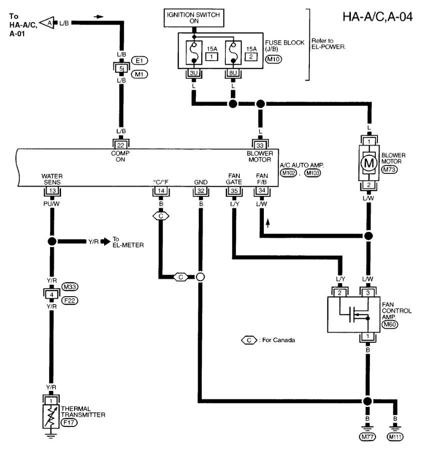
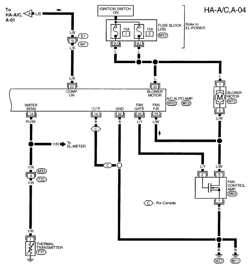
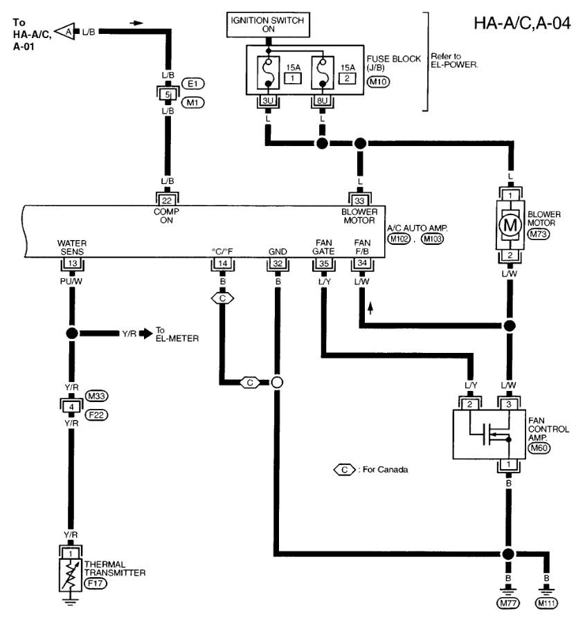
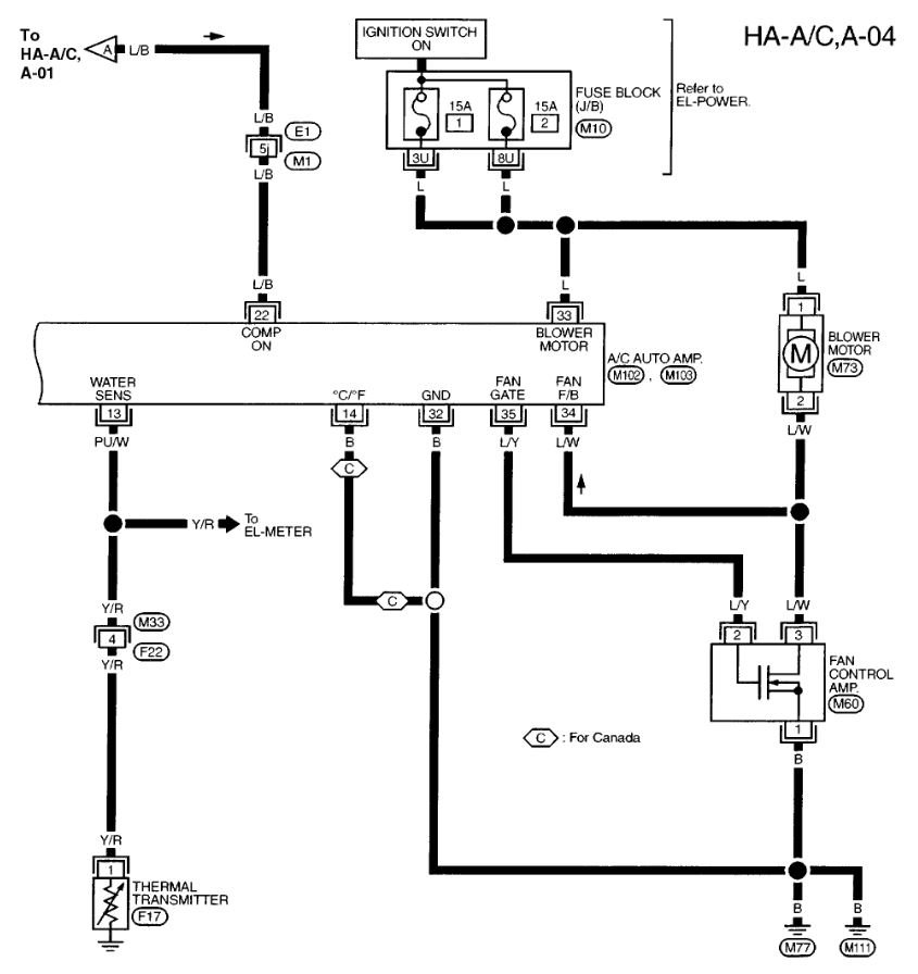
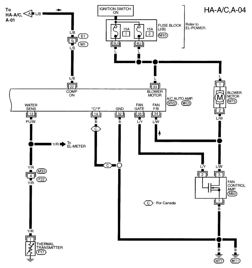
When switching on the "Auto" button to activate the A/C, the A/C clutch
of the A/C compressor was continuously engaged with the compressor pulley even though the actual temperature inside the vehicle has reached its intended setting (already cold). What could be the problem that cause the A/C clutch not to disengage from the compressor pulley?
Tuesday, July 27th, 2021 AT 4:58 AM





