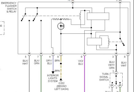
The signals work intermitently, often times they have to be done just by manually moving the control. I understand there is a relay problem with this model car related to that.
Recently the signal light will come on in the rear - but doesn't blink - without the signal being engaged. It only seems to happen on one side (the driver's side), but I'm tired of being pulled over for a missing taillight, as that is what it looks like. Its also an intermittent happening. Could this problem be related to that signal relay issue?
Friday, March 12th, 2010 AT 6:16 AM
