Wednesday, April 22nd, 2009 AT 5:55 PM
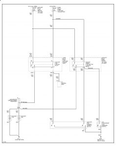
My radiator fans will not work I replaced both relays #3 and #11 but still nothing. Sense nobody can diagnose the problem with a computer diagnostic im not sure what to do. The fans will come on if I hot wire it to the panel under neath the driver side head light but then it will burn out the wire so that wont work to much power for the fan I figure.I was hoping to do a engine fault blink test but cant find the info on how to read what its giving off or where to read what its telling me.I was thinking maybe the radiator switch "the black little three wire thing on the right side of the radiator" the temp gauge doesnt really work either. Anyway if anyone could help I would be greatly thank full
