1993 Audi 90 radiator fan runs continuously

Tiny
LATCHKEY
  • MEMBER
  • 1993 AUDI 90
  • 6 CYL
  • FWD
  • AUTOMATIC
  • 65,922 MILES
My radiator fan recently started running after engine shut off. Today, it started running and now runs until thel battery is dead. When hooking up jumper cables, the fan starts up again before engine is started. I had the fan switch replaced about 4 months ago after the car overheated. It has recently started getting colder outside so perhaps coolant related?
Thanks,
Scott
Friday, October 31st, 2008 AT 11:00 PM

13 Replies

Tiny
RASMATAZ
  • MECHANIC
  • 75,992 POSTS
Check the cooling fan relay could be sticking closed -switch side
Was this
answer
helpful?
Yes
No
Saturday, November 1st, 2008 AT 11:01 AM
Tiny
LATCHKEY
  • MEMBER
  • 7 POSTS
Ok - this may sound stupid but when I opened the relay box, it appears to be missing some of the relays - and specifically some of those relating to the cooling fan. I don't think anyone removed them recently either. Is it normal to have open spots? And when you say switch sides - can you be more specific? Thanks much.
Was this
answer
helpful?
Yes
No
Saturday, November 1st, 2008 AT 2:07 PM
Tiny
RASMATAZ
  • MECHANIC
  • 75,992 POSTS
Switch sides-means the switch side of the relay


https://www.2carpros.com/forum/automotive_pictures/12900_fan_relay_4.jpg

Was this
answer
helpful?
Yes
No
Saturday, November 1st, 2008 AT 2:20 PM
Tiny
LATCHKEY
  • MEMBER
  • 7 POSTS
Ok - so Ive located that panel. How would I know if the switch is stuck? #2 and #11 are empty. Or am I looking for another one on or near the radiator? I am a bit of a novice as you can see. :-)
Was this
answer
helpful?
Yes
No
Sunday, November 2nd, 2008 AT 8:19 PM
Tiny
RASMATAZ
  • MECHANIC
  • 75,992 POSTS
Remove the no.3 and 6 and see what happens
Was this
answer
helpful?
Yes
No
Sunday, November 2nd, 2008 AT 9:28 PM
Tiny
LATCHKEY
  • MEMBER
  • 7 POSTS
So I pulled each one of them when the car was being jumped and kept coming back and forth testing different combinations, but the fan continued even when both the 3 and 6 were pulled - together and separate. I would have expected the fan to stop altogether at some point - with the switch removed yes?
Was this
answer
helpful?
Yes
No
Monday, November 3rd, 2008 AT 9:08 PM
Tiny
RASMATAZ
  • MECHANIC
  • 75,992 POSTS
The cooling fan circuit is shorted somewhere to a power source
Was this
answer
helpful?
Yes
No
Monday, November 3rd, 2008 AT 10:50 PM
Tiny
LATCHKEY
  • MEMBER
  • 7 POSTS
Ok - so any idea how a novice would be able to fix that? Or should I bring it to a service center? Also, what should be the approximate cost to do so? Thanks for all your help.
Was this
answer
helpful?
Yes
No
Tuesday, November 4th, 2008 AT 2:48 PM
Tiny
RASMATAZ
  • MECHANIC
  • 75,992 POSTS
Sir-my adivse is bring her in to the pros this problem can be complicated for a DIY. As for the cost the flat rate labor varies with location could be $70.00-$130.00 per hr.
Was this
answer
helpful?
Yes
No
Tuesday, November 4th, 2008 AT 2:54 PM
Tiny
LATCHKEY
  • MEMBER
  • 7 POSTS
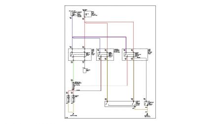
Do you happen to have the wiring diagram for this model that I could see on this site? Also, is it possible that the run on fan switch needs replacing? Is there a way to test that?
Was this
answer
helpful?
Yes
No
Thursday, November 6th, 2008 AT 9:53 AM
Tiny
RASMATAZ
  • MECHANIC
  • 75,992 POSTS


https://www.2carpros.com/forum/automotive_pictures/12900_1993_Audi_90_cooling_fan_1.jpg

Was this
answer
helpful?
Yes
No
Thursday, November 6th, 2008 AT 11:14 AM
Tiny
LATCHKEY
  • MEMBER
  • 7 POSTS
So I fixed the problem - was actually a different relay than the originial one suspected. It was the run-on fan switch relay which was stuck. This relay is found in the relay box under the driver side dash.

There is one other small issue I would like to bounce off of you though if possible. When the climate control is turned on, there is no air flow when the fan is switched on at 1 or 2. When turned to 3 or 4, however, the fan does run and blows at the appropriate speed. Any ideas?
Was this
answer
helpful?
Yes
No
Thursday, November 20th, 2008 AT 1:20 PM
Tiny
RASMATAZ
  • MECHANIC
  • 75,992 POSTS
Test the blower motor resistor pack.
Was this
answer
helpful?
Yes
No
Thursday, November 20th, 2008 AT 1:28 PM

Please login or register to post a reply.