Monday, January 2nd, 2017 AT 10:41 AM
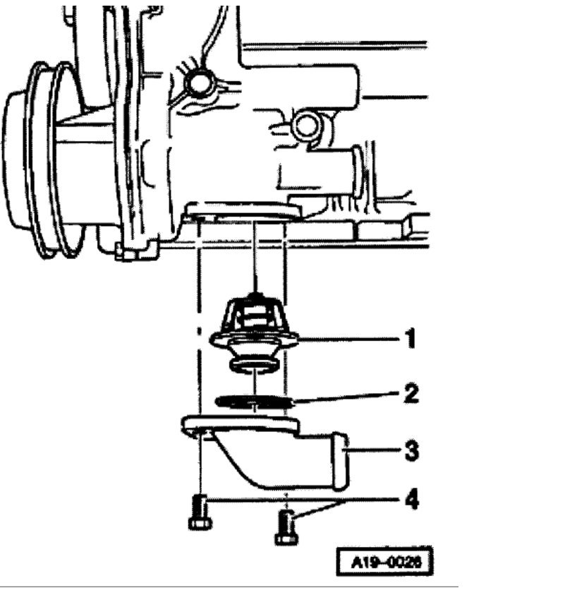
Engine overheats after a short drive of less than five km. Put new head gasket on engine. Head went for skimming, but not pressure testing. Car has closed circuit cooling system.




