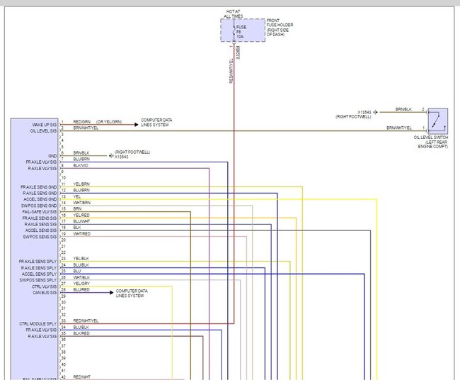
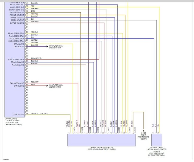
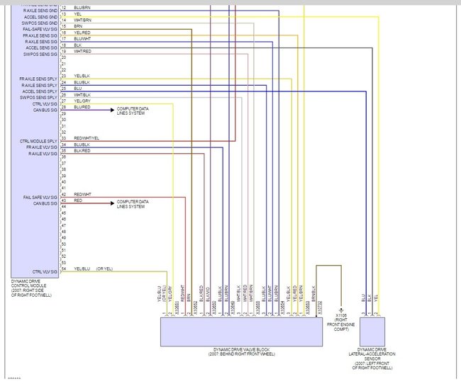
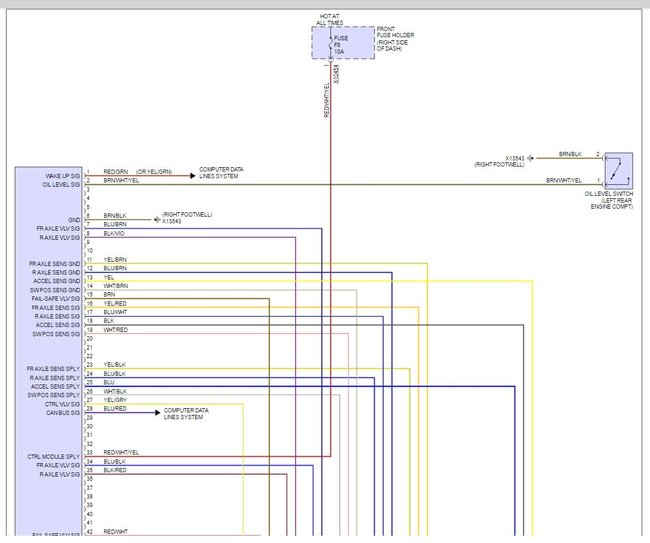
ARS 7 errors (Active Roll Stabilization)
5D50 E4• Pressure Sensor Front Axle
5D51 E4• Pressure Sensor Rear Axle
5D52 E4• Supply Setting Switch Sensor
5D4C A4• ARS Safety Valve
5D4D A4• ARS Direction Valve
5D4E A4• Pressure Control Valve Front Axle
5D4F A4• Pressure Control Valve Rear Axle
Sunday, January 15th, 2017 AT 4:31 PM




