Anti Theft problem, engine will not start

Tiny
BUZZERD
  • MEMBER
  • 1997 CADILLAC DEVILLE
  • 4.6L
  • V8
  • 1,628,750 MILES
Engine will not start.
Thursday, January 14th, 2021 AT 6:27 PM

1 Reply

Tiny
KASEKENNY
  • MECHANIC
  • 18,907 POSTS
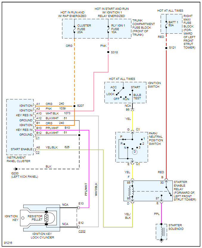
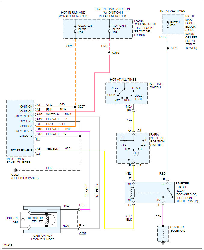
More than likely this is due to the resistor in the key has failed and it not deactivating the system.

When you insert a key in the ignition, it needs to have the proper sized resistor on it so that it changes the voltage that is passed through the key to the proper level so that cluster recognizes it as the correct key. Then it allows the start of the vehicle.

Take a look at the is wiring diagram below which will show how this works.

Let us know what you have done so far and we can walk through this if the key is not the issue. Thanks
Was this
answer
helpful?
Yes
No
Saturday, January 16th, 2021 AT 8:50 AM

Please login or register to post a reply.