Thursday, September 10th, 2020 AT 4:37 AM
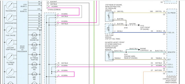
Car won't start, security light on, no fob. Getting spark and sometimes fuel pump kicks in but only when dash lights works and gauges. If pump don't kick in no gauges. Turn ignition to on 3 times fast and wait few seconds, no bus on odometer, security light, check engine, ABS, gas pump and low wash on. Now, I turned key back off then on again, still no pump, but lights mentioned earlier. Clicking noise as they disappear and odometer flashes 3 times with no bus and same lights reappear to dinging noise like door. However, I now have done this switch on and off round 5 times total and left in on position for few minutes and fuel pump decides to kick in, millage back on and only check engine light is on. Now cranked up and running but like really badly. Heavy vibrating and will only idle if gas pedal is held with acute squeak from engine (like wet or lose alternator belt) very possible belt is now and wasn't doing that before when all this started. So not an issue don't think. Help me please! I have given you the whole story I believe, lol.




