The alternator does not charge the battery?

Tiny
WISHFB
  • MEMBER
  • 2002 FORD TAURUS
  • 3.0L
  • 6 CYL
  • 2WD
  • AUTOMATIC
  • 112,000 MILES
The alternator does not charge the battery unless I unplug the connector that runs to the PCM.
Saturday, July 8th, 2023 AT 7:59 PM

7 Replies

Tiny
JACOBANDNICKOLAS
  • MECHANIC
  • 110,192 POSTS
Hi,

That is odd. The PCM simply uses the info to control the idle speed.

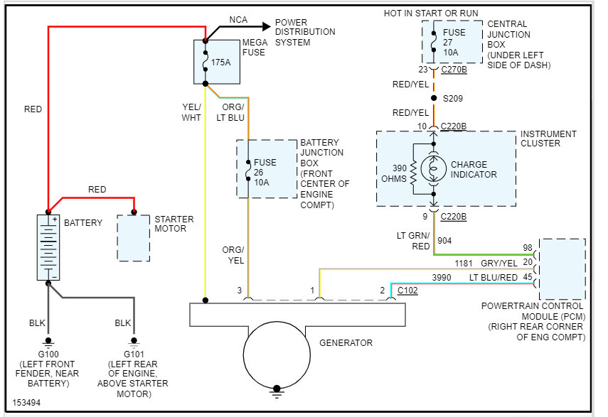
The Generator Load Input (GLI) circuit is used by the PCM to determine the generator load on the engine. As generator load increases the PCM will adjust idle speed accordingly. This strategy helps reduce idle surges due to switching high current loads. The GLI signal is sent to the PCM from the voltage regulator/generator.

When you say it's charging, how was it checked? Do me a favor, let me know the voltages at the battery with the engine off and then the engine running.

Here is a link that explains what to do:

https://www.2carpros.com/articles/how-to-check-a-car-alternator

Let me know.

Take care,

Joe

Was this
answer
helpful?
Yes
No
Sunday, July 9th, 2023 AT 9:01 PM
Tiny
WISHFB
  • MEMBER
  • 4 POSTS
I used a multi-meter with the battery on and alternator plugged in it reads 12.4 and when I unplugged the connector it jumps to 13.8 with the car off 12.4.
Was this
answer
helpful?
Yes
No
Monday, July 10th, 2023 AT 6:26 AM
Tiny
JACOBANDNICKOLAS
  • MECHANIC
  • 110,192 POSTS
Is there any damage to the connector pins at the PCM? If there isn't, it sounds like the PCM may have an internal short.

I've attached the diagnostics related to the GLI. Take a look through them and let me know if you are comfortable performing them.

Take care,

Joe

See pics below.
Was this
answer
helpful?
Yes
No
Monday, July 10th, 2023 AT 9:36 PM
Tiny
WISHFB
  • MEMBER
  • 4 POSTS
That last step FH5 is that checked on the middle pin (59).
Was this
answer
helpful?
Yes
No
Thursday, July 13th, 2023 AT 5:59 PM
Tiny
JACOBANDNICKOLAS
  • MECHANIC
  • 110,192 POSTS
Hi,

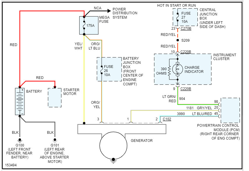
I attached the wiring schematic below, so you have a reference. If I am reading things correctly, it will be the center pin (3-pin connector) and the wire color will be light blue with a red tracer.

Let me know if this helps.

Joe
Was this
answer
helpful?
Yes
No
+1
Thursday, July 13th, 2023 AT 9:45 PM
Tiny
WISHFB
  • MEMBER
  • 4 POSTS
It turned out to be a bad PCM. Thank you for all the help.
Was this
answer
helpful?
Yes
No
Saturday, July 15th, 2023 AT 5:09 PM
Tiny
JACOBANDNICKOLAS
  • MECHANIC
  • 110,192 POSTS
Hi,

Thanks for the update. It's appreciated. I'm glad you found the problem and were able to resolve the issue.

Take care and feel free to come back anytime in the future.

Joe
Was this
answer
helpful?
Yes
No
+1
Saturday, July 15th, 2023 AT 10:18 PM

Please login or register to post a reply.