Alternator wiring?

Tiny
CORTLAN BASIL HICKS
  • MEMBER
  • 1999 MERCURY MARQUIS
  • 170,000 MILES
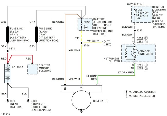
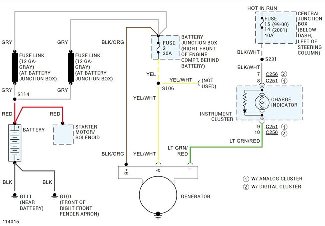
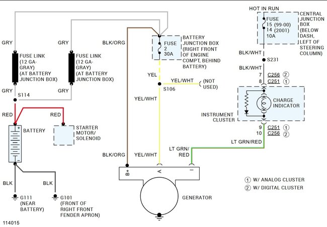
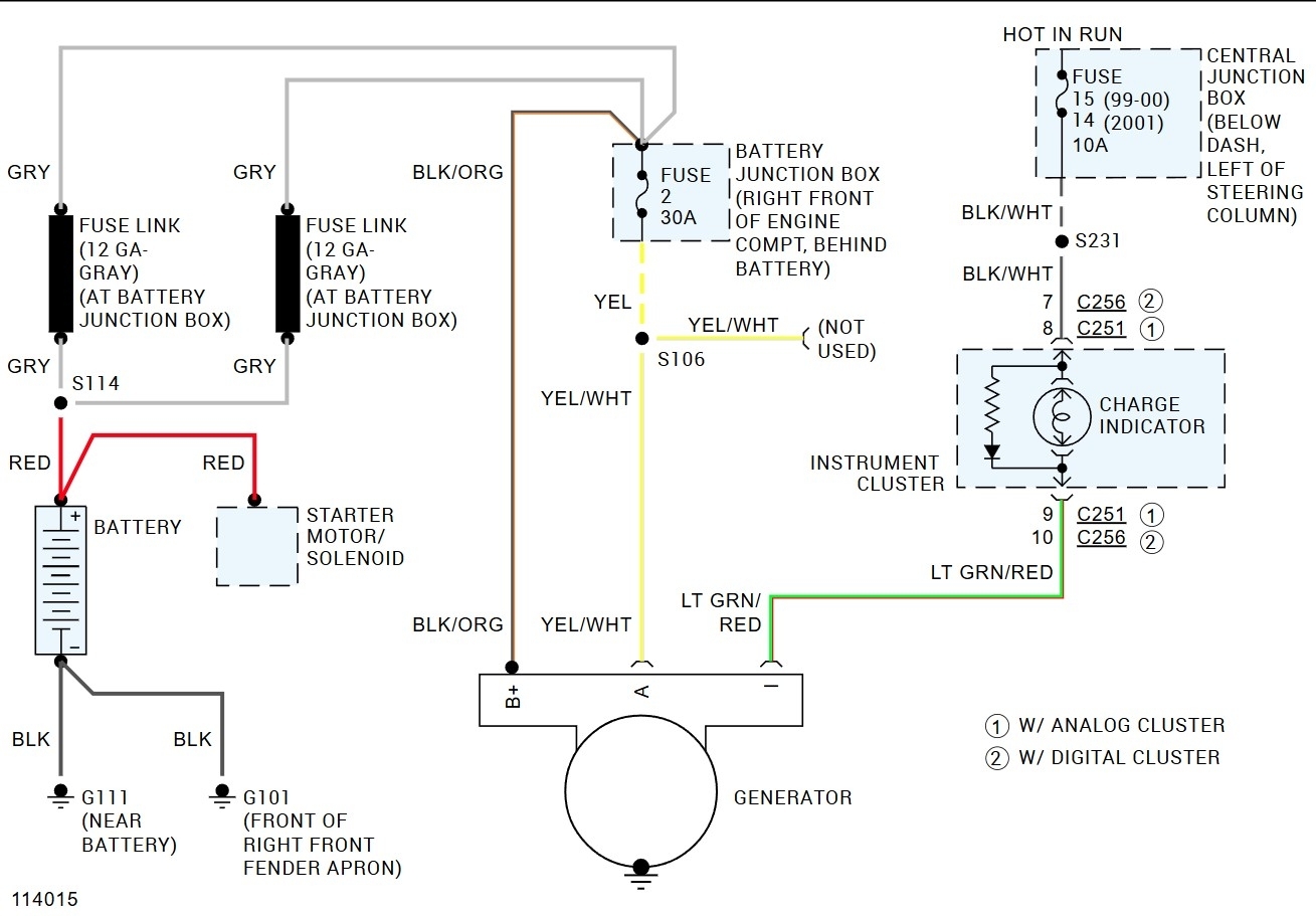
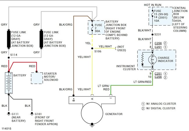
On the 3-pin connector is there supposed to be two wires or 3 I only have two am I missing a wire or is it correct?
Sunday, April 13th, 2025 AT 2:37 PM

1 Reply

Tiny
STEVE W.
  • MECHANIC
  • 15,658 POSTS
There should be one heavy wire on a stud that goes to the battery, then a connector with two wires a light green with red that goes to the charge light on the dash and a yellow with white that goes to the battery junction box and acts as the sense wire to tell the alternator to charge.
Was this
answer
helpful?
Yes
No
Sunday, April 13th, 2025 AT 2:45 PM

Please login or register to post a reply.