Sunday, November 21st, 2021 AT 3:02 PM
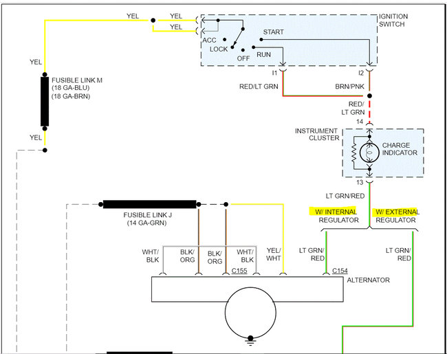
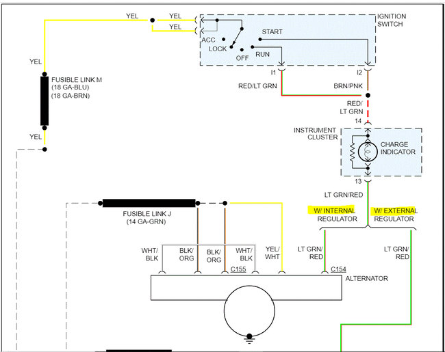
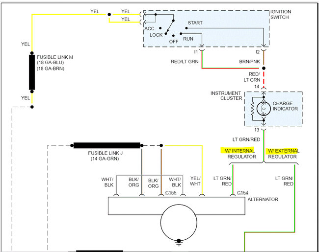
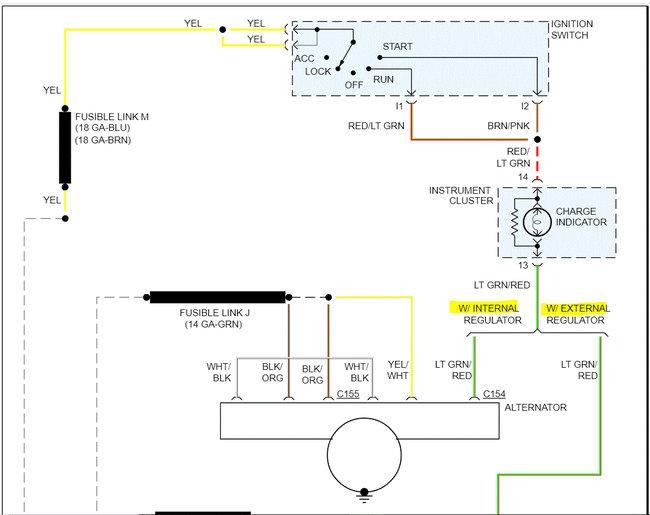
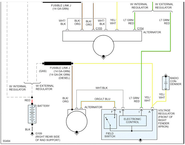
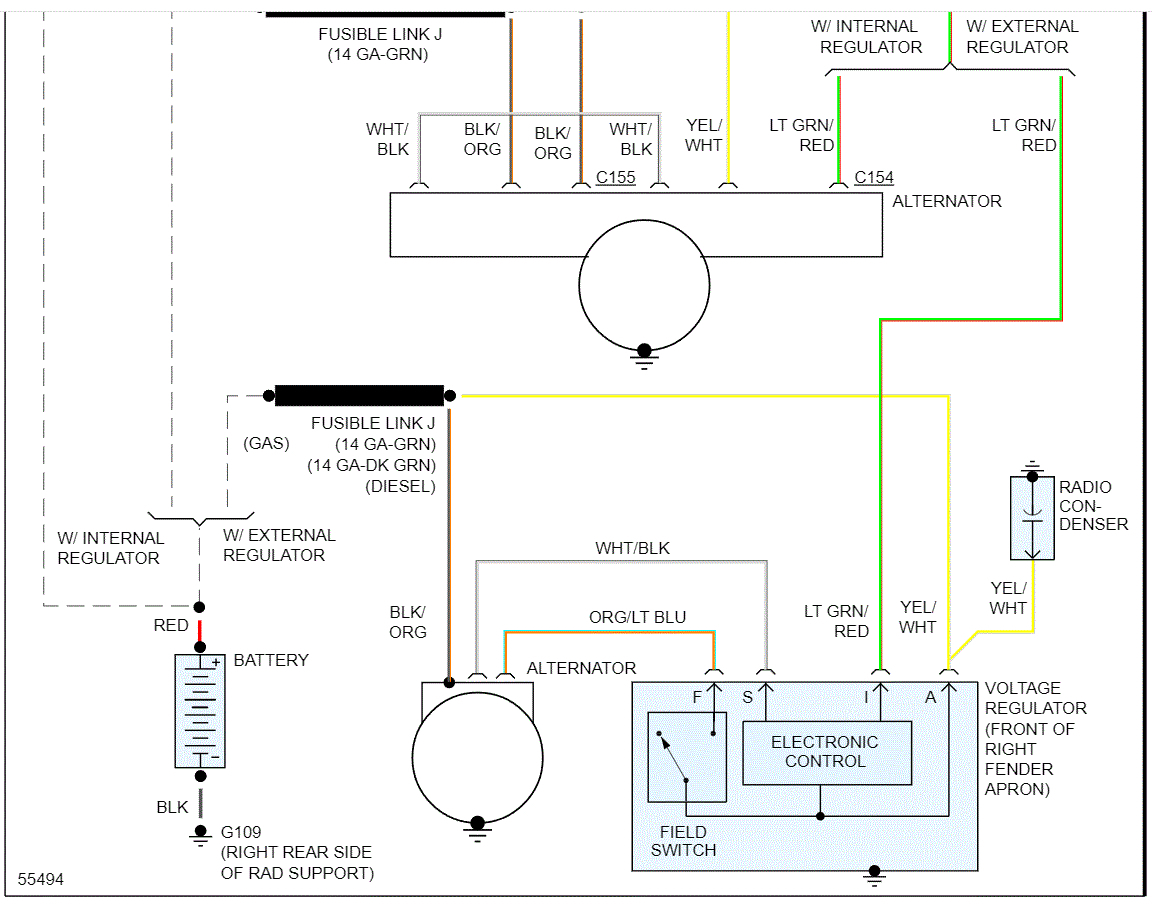
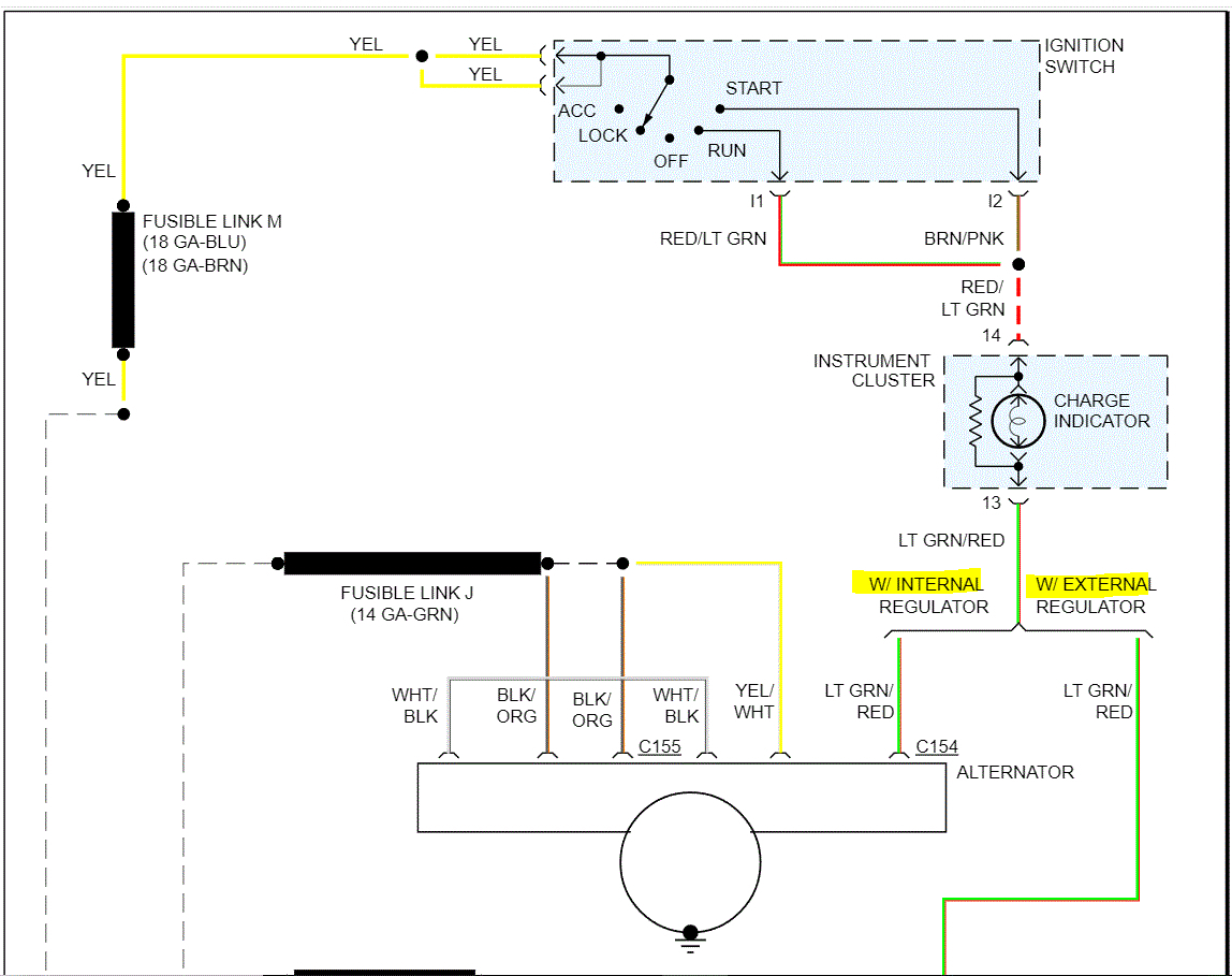
I have a new alternator to install, it has one small white wire two larger black wires, and one plug in, the black wires are the same. On my truck I have two black wires with white stripes, which black goes where or does it matter?




