Sunday, November 24th, 2019 AT 3:09 PM
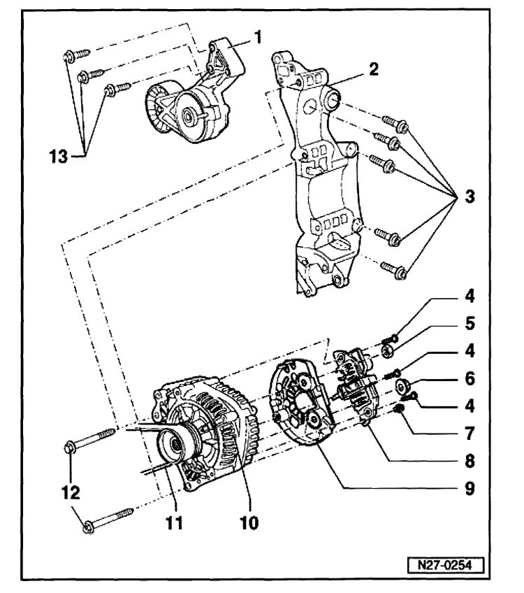
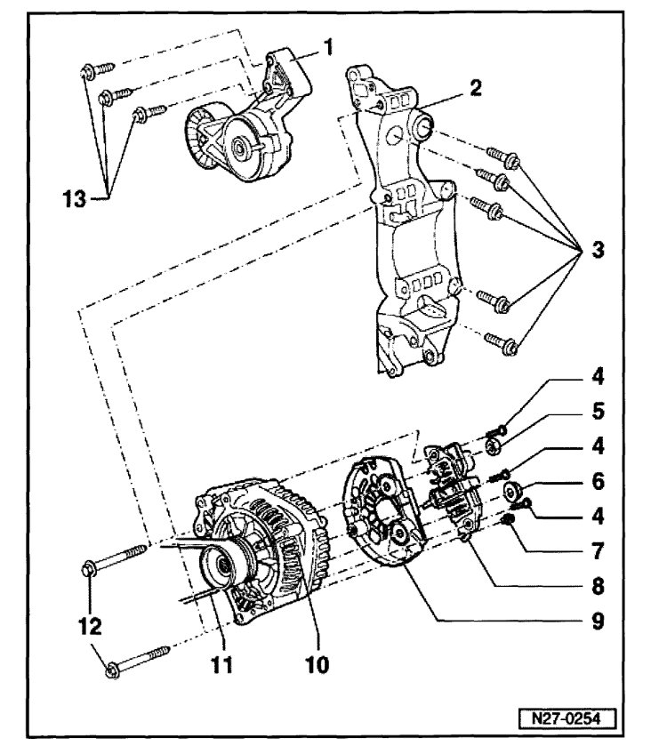
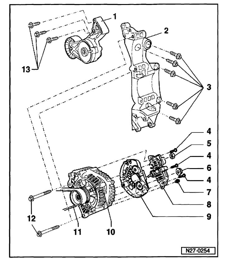
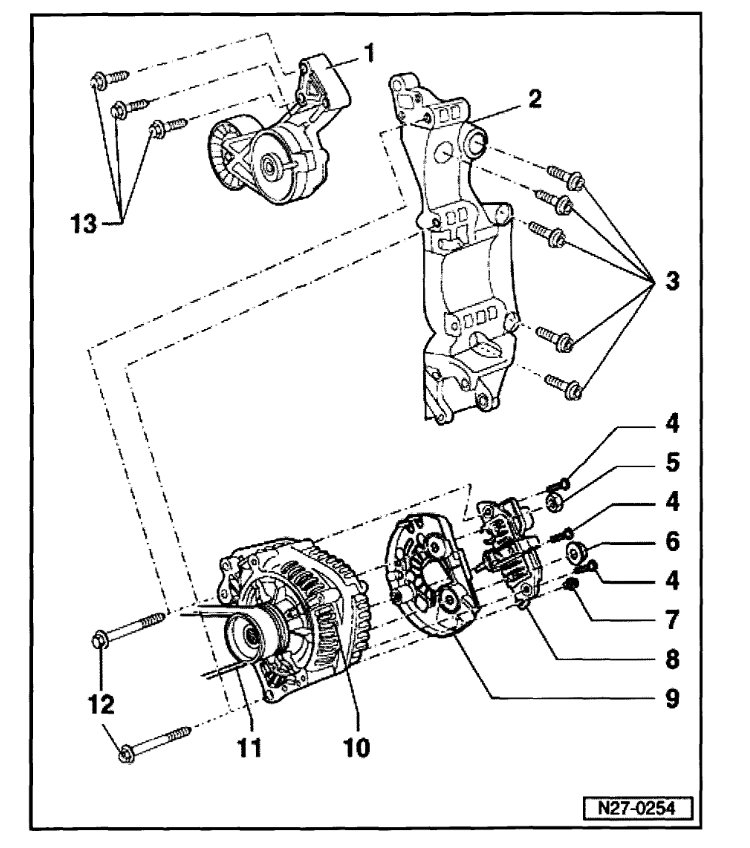
I need to replace my voltage regulator on the alternator. Will I have to remove the whole alternator to do so? It is mounted on the outside. If I remove the alternator how do I make sure I get the tension right in the belt? Thank you.




