Alternator replacement

Tiny
CADDY_NOVICE
  • MEMBER
  • 2002 CADILLAC SLS
  • V8
  • AUTOMATIC
  • 160,789 MILES
I am having trouble finding and removing the alternator from my car listed above. Help me please.
Sunday, August 26th, 2018 AT 6:19 AM

1 Reply

Tiny
ASEMASTER6371
  • MECHANIC
  • 52,796 POSTS
Good morning.

Below is the procedure for the alternator and pictures.

Roy

REMOVAL PROCEDURE
The Denso SC1 (KG9) generator is serviced as a complete unit only.

ImageZoom/Print

1. Disconnect the battery negative cable.
2. Remove the drive belt.
3. Remove the engine cooling fans.
4. Disconnect the wiring harness connector from the generator.
5. Reposition the protective boot from the generator output BAT terminal for access.
6. Remove the generator output BAT terminal nut and disconnect the positive lead from the generator.

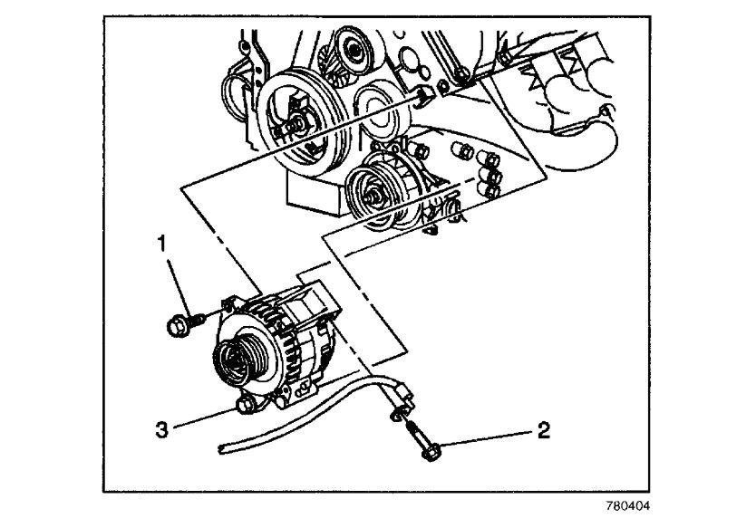
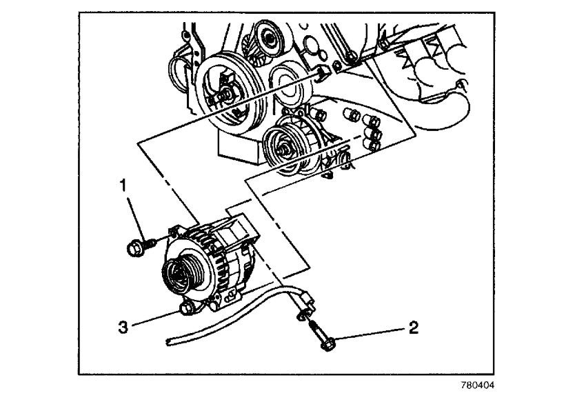
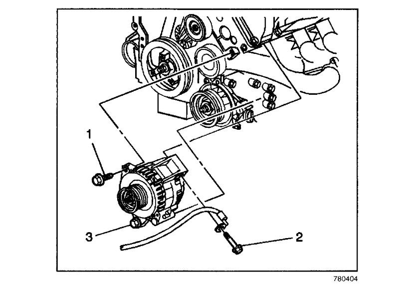
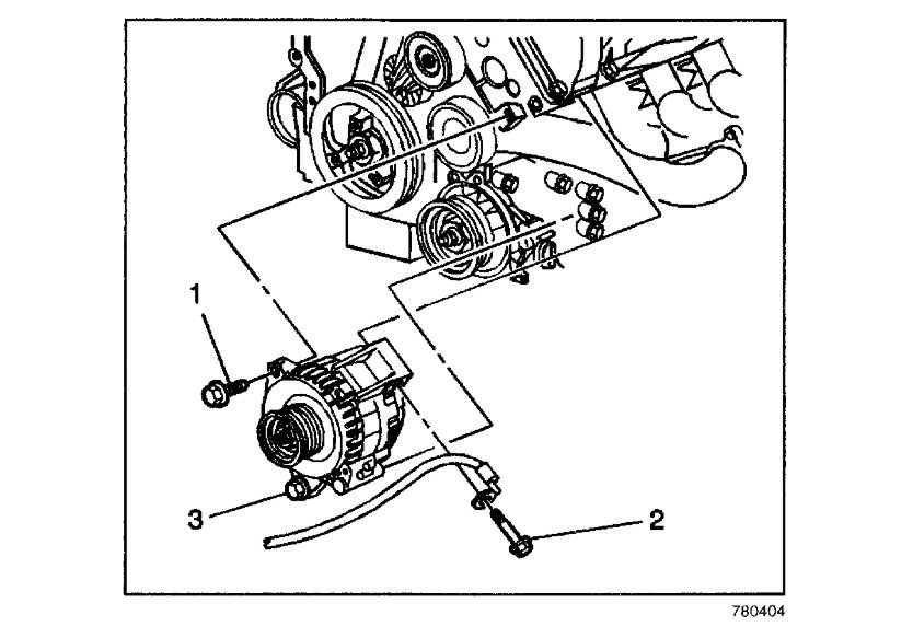
ImageZoom/Print

7. Loosen the lower generator bolt (3).
8. Remove the generator bolts (1, 2) from the generator.
9. Remove the generator from the vehicle.
Was this
answer
helpful?
Yes
No
Sunday, August 26th, 2018 AT 7:00 AM

Please login or register to post a reply.