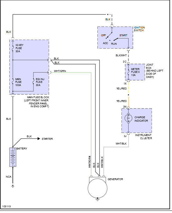
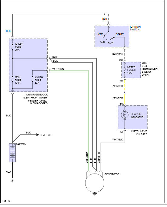
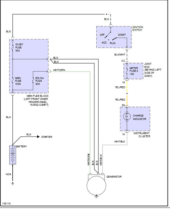
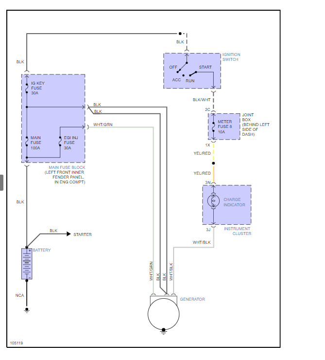
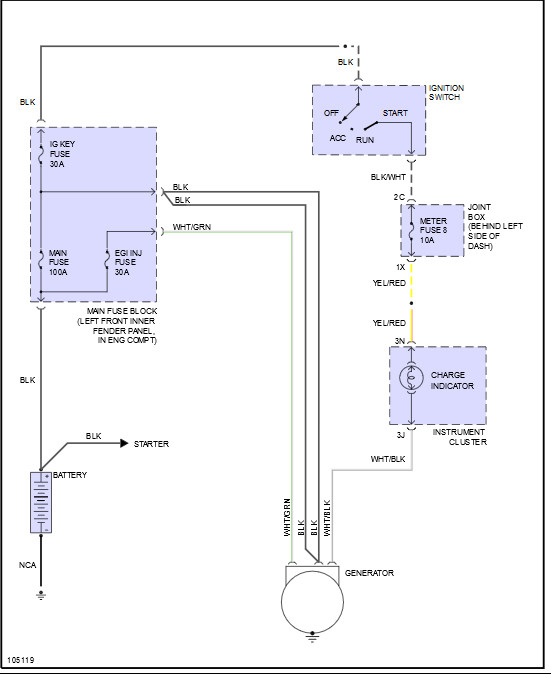
I have the sedan model. It has an issue with charging the battery.
The car always starts very easy however the alternator is not charging the battery right from the start.
Have this problem for more than a year and here is more precisely what is happening:
When I start the engine (cold engine not started for more than three hours) alternator does not start charging the battery immediately but after twenty to forty minutes and afterwords everything works fine so the alternator charges the battery as normally as it should. It does that for an unlimited time as long as the engine works or it has not been turned of for more than two hours.
However, after turning of the engine and letting it cool down for more than two hours the symptom occurs again (again alternator takes a lot of time until starts charging the battery).
Just to mention that within the period of about less than two hours after turning of the engine, the car can be started easy and the alternator charges the battery as normal as it should (right from the time of starting the engine).
The other thing I have noticed is that If I drive a relatively cold engine on a freeway alternator starts charging the battery even later, maybe after fifty minutes probably depending of how cold the weather is.
Have this problem for more than a year.
Visited several auto mechanics, tested the battery and alternator, both are good.
I hope you know what is the problem with the car and might give me an advice what should be done.
Thank you
Saturday, September 2nd, 2017 AT 6:58 PM




