Saturday, October 20th, 2018 AT 4:37 PM
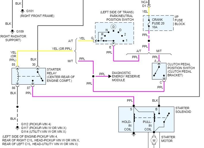
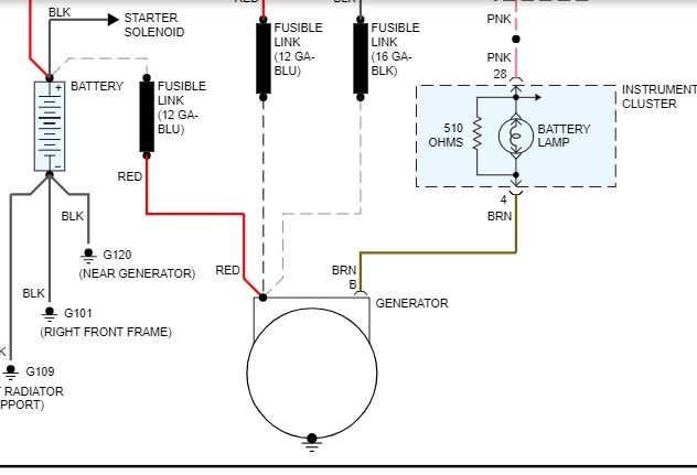
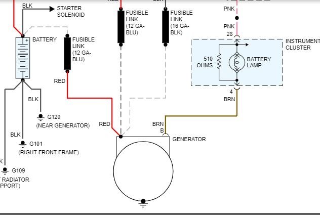
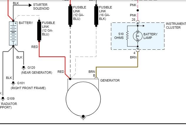
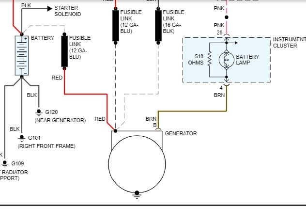
My vehicle has been through two alternators and two batteries. My alternator just will not kick on. I just did a motor swap (same engine 4.3l) everything runs good just alternator. My battery light does not come on either. Over heard that could be the problem in the past but I do not know. I need some help.






