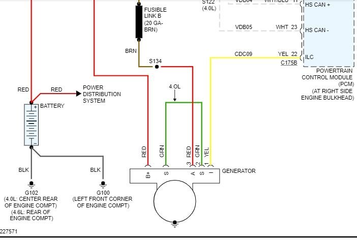
Saturday, October 6th, 2018 AT 2:51 PM
I have replaced the alternator and battery (both new), but found the alternator is still not charging the battery. Looking for advice on where to check next (possible fuses, fusible lines, grounding issues, etc. ). Or if there are any particular issues with that year/model. Electrical components on vehicles are not my strong suit.




