Alternator not charging

Tiny
MILEHIGHJUNK
  • MEMBER
  • 2008 LINCOLN NAVIGATOR
  • 5.4L
  • V8
  • 4WD
  • AUTOMATIC
  • 180,000 MILES
I replaced my battery and alternator, still not charging!
Saturday, March 12th, 2022 AT 4:04 PM

1 Reply

Tiny
SQM
  • MECHANIC
  • 6,383 POSTS
Hello,

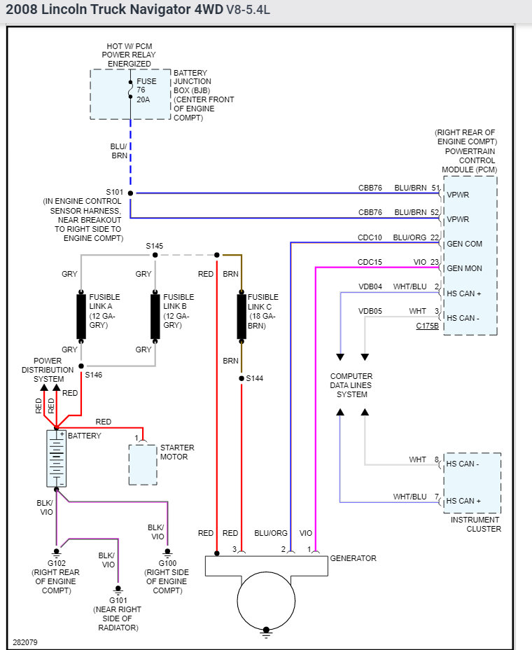
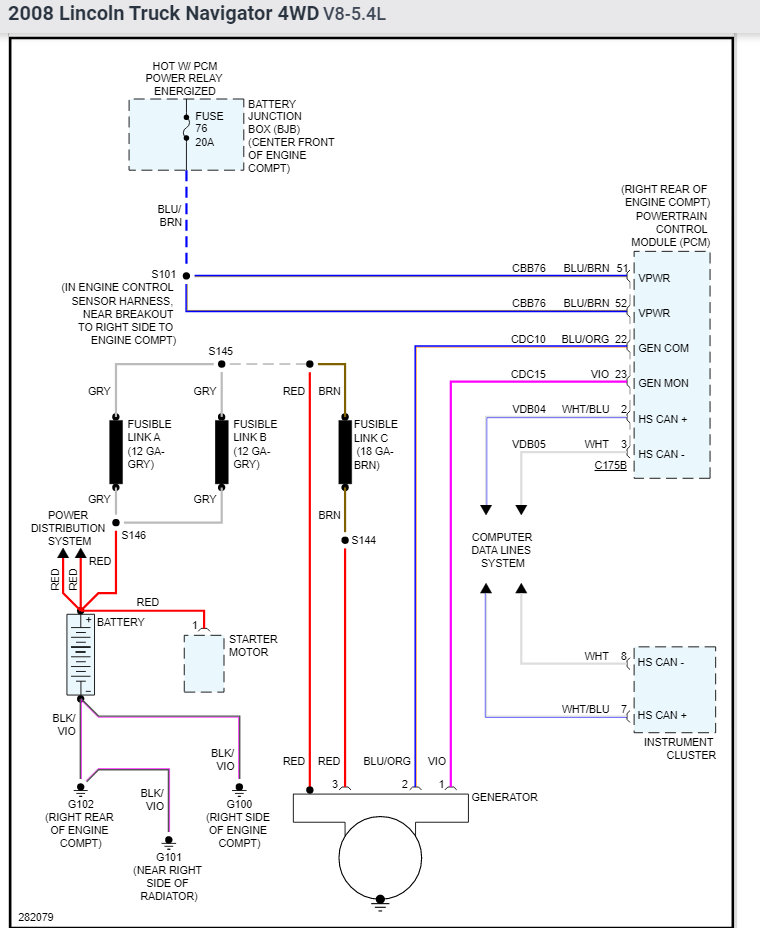
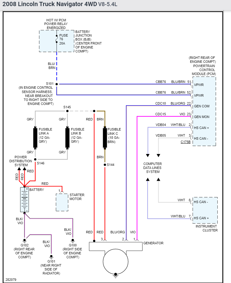
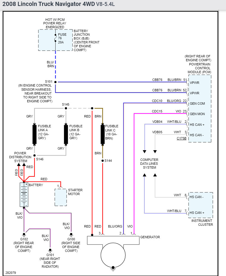
The issue could be bad fusible link for the alternator. This vehicle has few fusible links for the charging system. They are located under the hood on the right side of the engine compartment.

I have attached the wiring schematics below.

Please let me know of any questions.
Was this
answer
helpful?
Yes
No
+1
Saturday, March 12th, 2022 AT 9:48 PM

Please login or register to post a reply.