Alternator hookup

Tiny
DWAYNE HARRINGTON
  • MEMBER
  • 2005 MERCEDES BENZ C230
  • 1,000,000 MILES
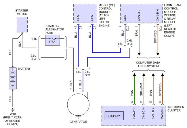
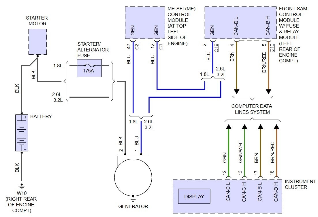
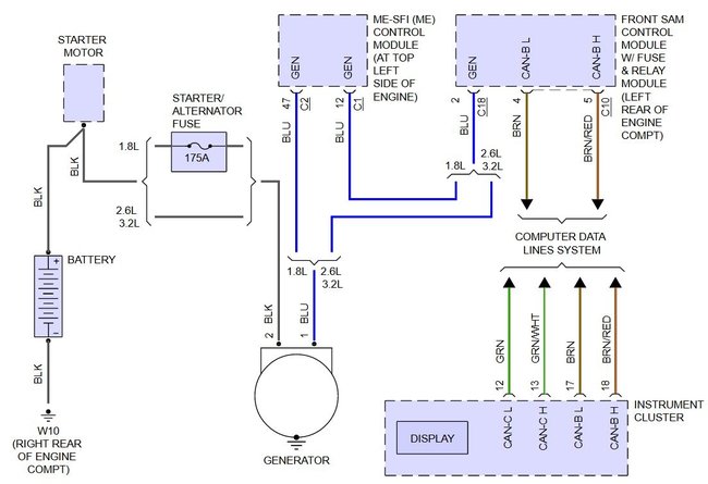
Trying to find out which terminal. Does the starter wire hook to b- or b+ on alternator?
Saturday, July 22nd, 2017 AT 6:11 PM

2 Replies

Tiny
STEVE W.
  • MECHANIC
  • 15,648 POSTS
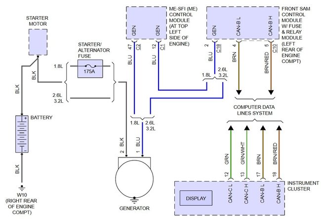
There should be a black wire that connects from the alternator to the battery terminal on the starter on terminal two. And a blue wire that connects to terminal one.
Was this
answer
helpful?
Yes
No
Sunday, July 23rd, 2017 AT 6:39 PM
Tiny
STEVE W.
  • MECHANIC
  • 15,648 POSTS
Image for above.
Was this
answer
helpful?
Yes
No
Sunday, July 23rd, 2017 AT 6:42 PM

Please login or register to post a reply.