My battery warning light has been coming on seemingly at random, with "Check Charging System" message and beep. However, battery voltage almost always stays at 14V. Light goes off after several seconds to several minutes.
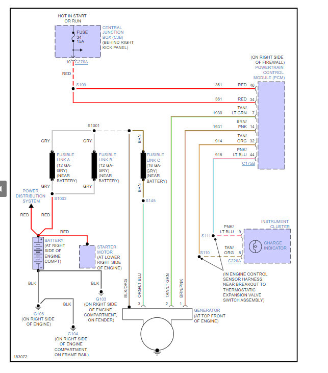
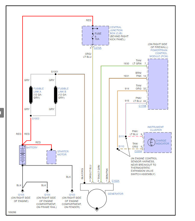
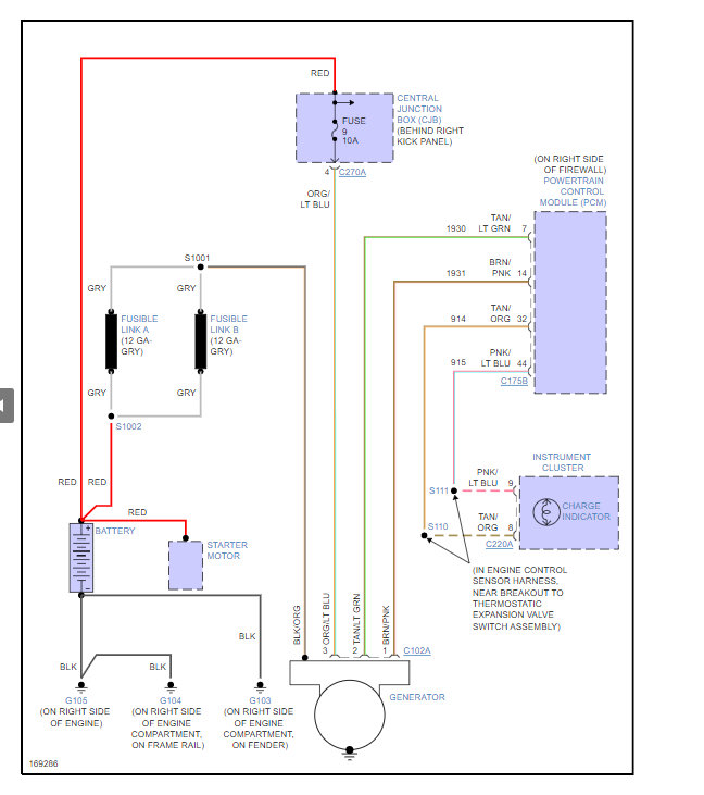
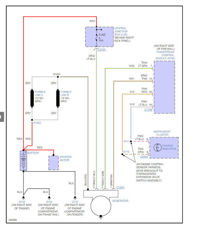
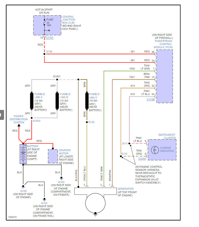
Alternator and PCM are new (rebuilds), battery and alternator check out okay. The scan code is P0620. Scope shows GEMCOM 170 HZ square wave at ~60% duty cycle, GENMON voltage 8-9V. I finally checked the fuses and was shocked to find fuse #9 (10A) missing. I bought a replacement fuse, but when I try to insert it, it will not grab. It appears as if the metal contacts inside the fuse box are missing or damaged. I do not recall ever removing or replacing any fuses in the 9 years I have owned it.
Could this missing fuse be the source of my problems? If so, is there any way to repair the fuse box, or will it have to be replaced?
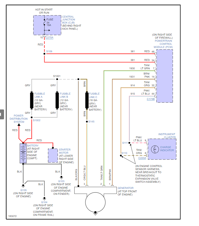
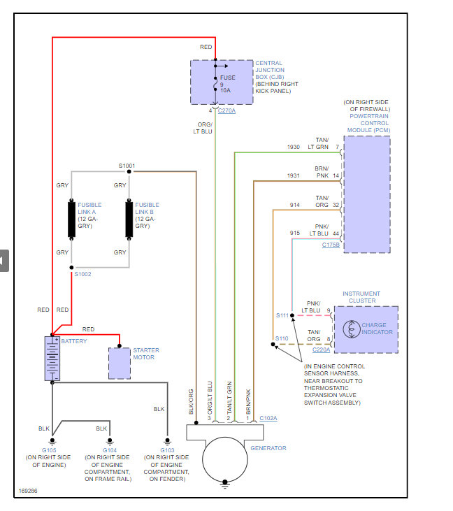
Alternator and PCM are new (rebuilds), battery and alternator check out okay. The scan code is P0620. Scope shows GEMCOM 170 HZ square wave at ~60% duty cycle, GENMON voltage 8-9V. I finally checked the fuses and was shocked to find fuse #9 (10A) missing. I bought a replacement fuse, but when I try to insert it, it will not grab. It appears as if the metal contacts inside the fuse box are missing or damaged. I do not recall ever removing or replacing any fuses in the 9 years I have owned it.
Could this missing fuse be the source of my problems? If so, is there any way to repair the fuse box, or will it have to be replaced?
Aug 19, 2022 at 6:19 PM



