Alternator changed three times and the battery is still on?

Tiny
NICKLOVE
  • MEMBER
  • 2003 FORD EXPLORER SPORT TRAC
  • 4.6L
  • 6 CYL
  • 2WD
  • AUTOMATIC
  • 200,000 MILES
Battery light won't go out alternator has been changed 3 times but the battery light is still on.
Tuesday, June 1st, 2021 AT 2:42 PM

1 Reply

Tiny
KASEKENNY
  • MECHANIC
  • 18,907 POSTS
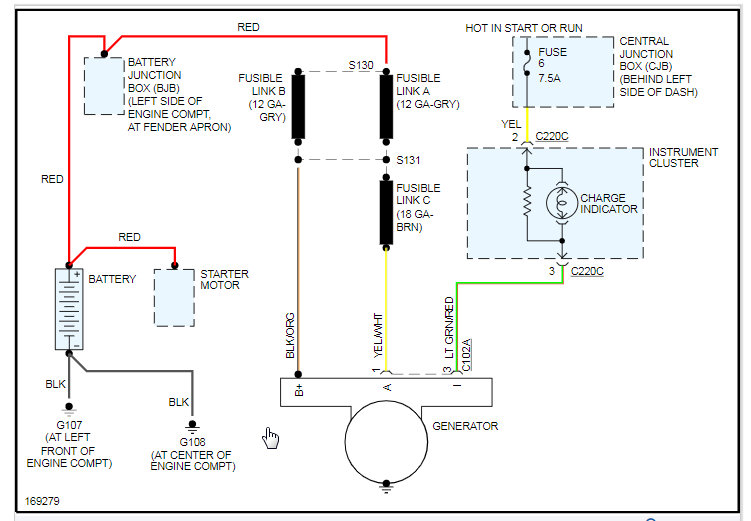
There are a number of things that can cause this. So we need to start with checking the voltage at each of the wires of the generator with the engine running.

https://www.2carpros.com/articles/how-to-check-wiring

Once we know what the voltage is on each of these wires we will have a better idea.

However, we may just have a wiring issue from the generator to the charge indicator. So let's make sure the voltage at the generator is correct.

Below is the wiring diagram that will help with this. Let us know if you have questions on this and we can go from there. Thanks
Was this
answer
helpful?
Yes
No
Tuesday, June 1st, 2021 AT 5:03 PM

Please login or register to post a reply.