Monday, August 14th, 2023 AT 1:09 PM
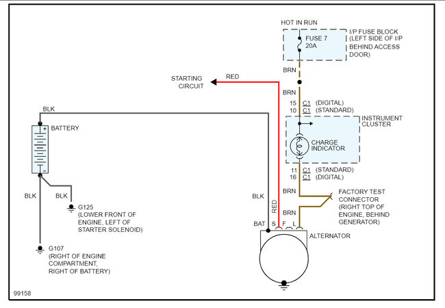
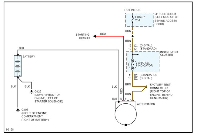
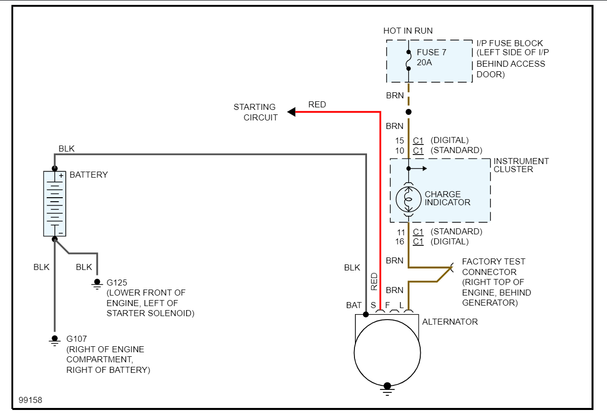
My car listed above alternator started on fire, so we replaced the alternator and alternator plug, tested all the wires that are hooked up to the alternator and battery and all tested okay. I was looking at the dash while starting it and noticed the battery light is gone on the speedometer, we went looking around to try to find the base to the battery light in the dash and couldn’t find it anywhere. I just want to know where you might find one or what our problem could potentially be?



