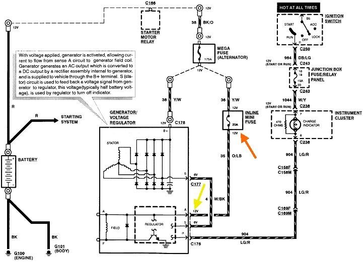
Wednesday, May 22nd, 2019 AT 3:37 AM
I was driving on the freeway one night and all of a sudden all gauges were red on my dash, the oil, water, and battery lights so I pull over and a friend helped me and we put water in the truck and then all the gauges were normal except for my battery light. The next day I notice it was still on and later that day the battery gauge went all the way down and my truck shut off. After that I took out the battery and put in a new one but my light was still on. The next day I replaced the alternator but the light was still on and I noticed that the gauge kept going down until my truck shut off again. So I went ahead and bought a brand new battery and put it in but the light was still on! Then today while driving I noticed that the gauge started going down again til finally my truck shut off again! My uncle told me I need to replace alternator elec cn, I do not know what it is but it looks like a plug with three wires coming out of it white green and yellow wires. Is that what I need to fix? I have no idea about cars.






