Saturday, December 28th, 2024 AT 3:25 AM
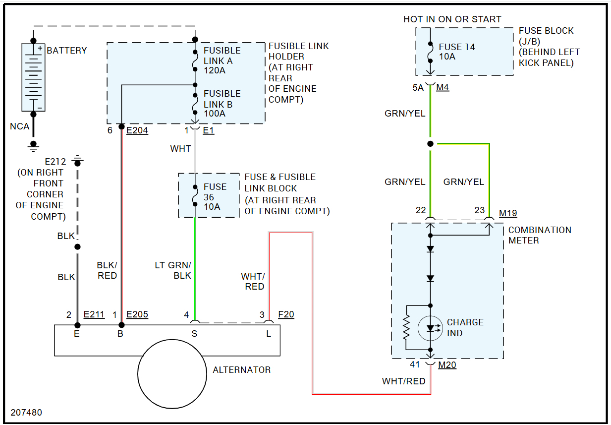
I have replaced my alternator now 4 times in the past year and the newest 1 a month ago and I already have to switch charged batteries at least twice a day to drive and I can't drive that far. My battery light comes on and the idle drops way low I have to keep revving to be able to drive I don't know what is ruining the alternators so quickly my batteries are both new. And since the new one was installed my abs and vdc lights automatically come on now and vdc button doesn't work when that happens and when I turn car off the box keeps running have had many more issues.

