Is my alternator considered to be a two wire or three wire alternator?

Tiny
CADE BROWN
  • MEMBER
  • 1992 NISSAN HARDBODY
  • 2.4L
  • 4 CYL
  • 2WD
  • MANUAL
  • 999,999 MILES
Which wire is the exciter wire, and which is the voltage sensing?
Wednesday, August 2nd, 2023 AT 9:35 PM

4 Replies

Tiny
KEN L
  • MASTER CERTIFIED MECHANIC
  • 55,499 POSTS
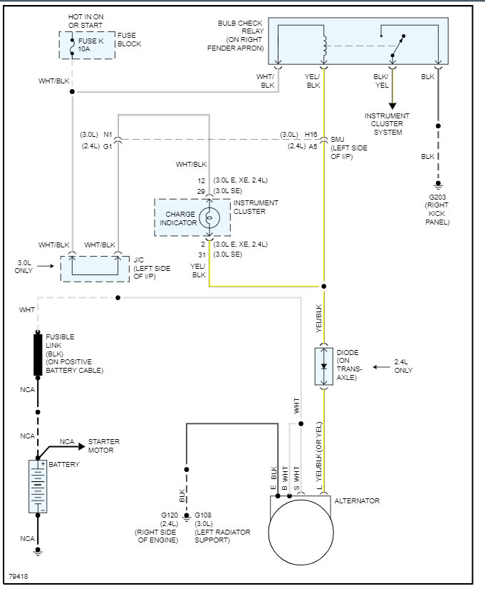
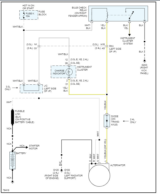
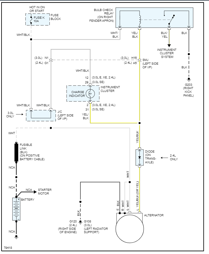
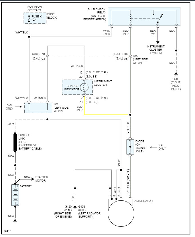
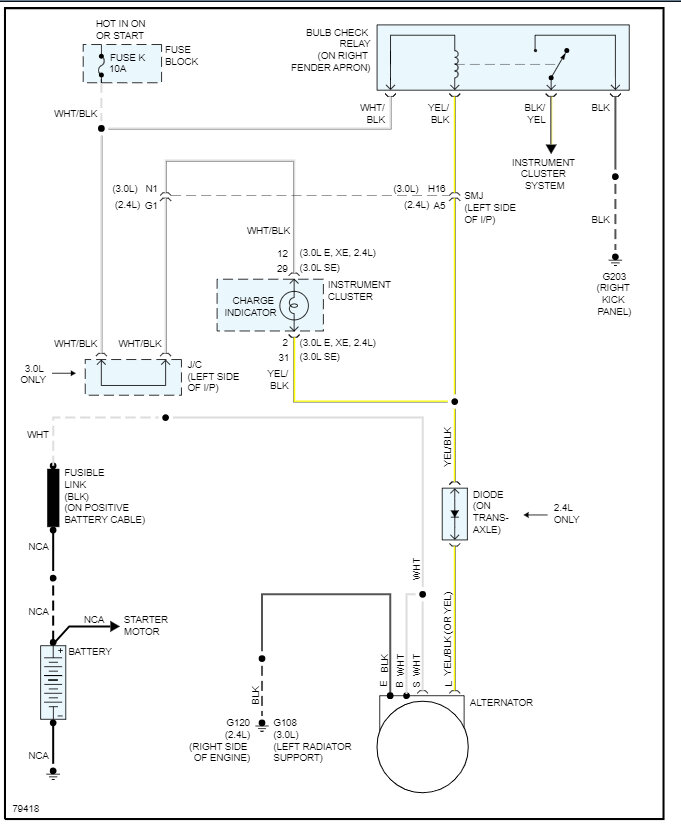
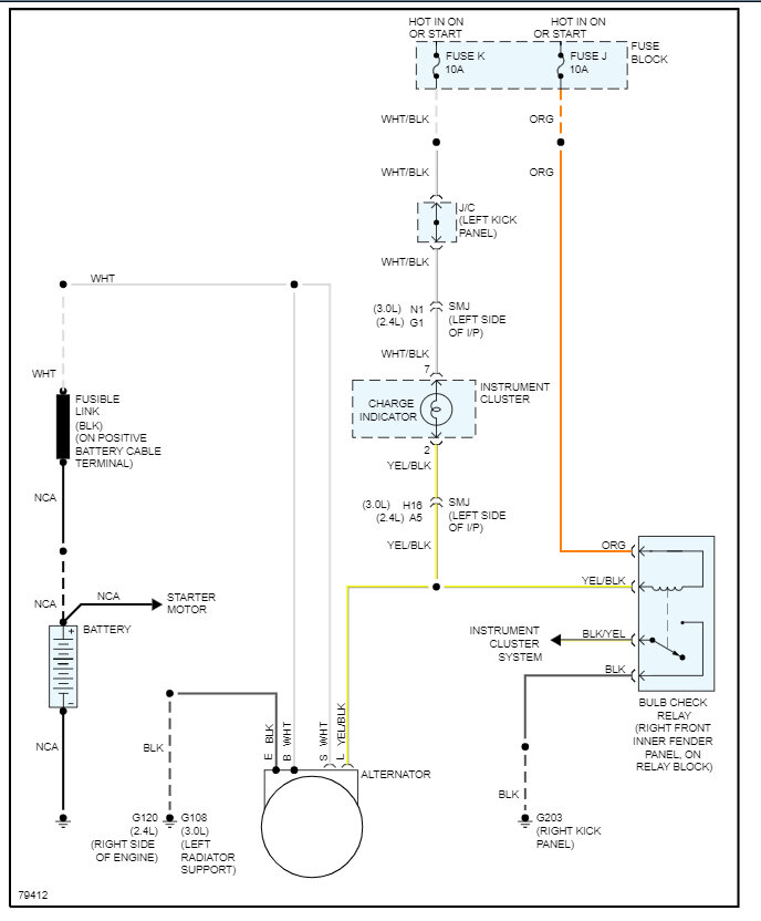
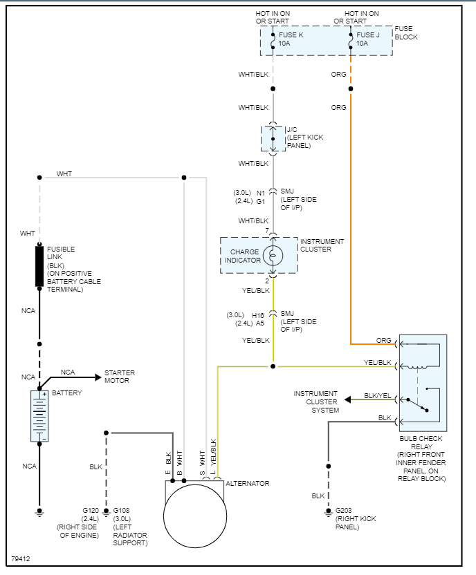
The yel/blk wire is the sensing wire here is the alternator wiring diagrams so you can see how the system works. Yours is a three wire sensor. Check out the images (below). Please let us know what happens.
Was this
answer
helpful?
Yes
No
Thursday, August 3rd, 2023 AT 12:16 PM
Tiny
CADE BROWN
  • MEMBER
  • 2 POSTS
This isn't how my alternator is set up, mine has the wire that goes to the battery and a plug with two wires ran out of it. I need to know what each wire that comes from the plug are one is the sensing and the other is the exciter on the diagram shown the exciter is the ground wire.
Was this
answer
helpful?
Yes
No
Thursday, August 3rd, 2023 AT 12:24 PM
Tiny
KEN L
  • MASTER CERTIFIED MECHANIC
  • 55,499 POSTS
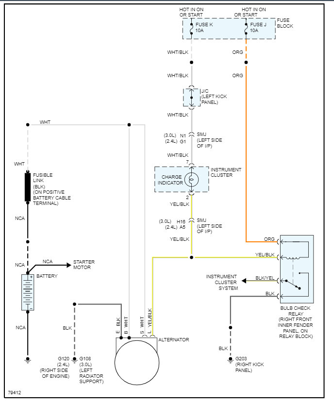
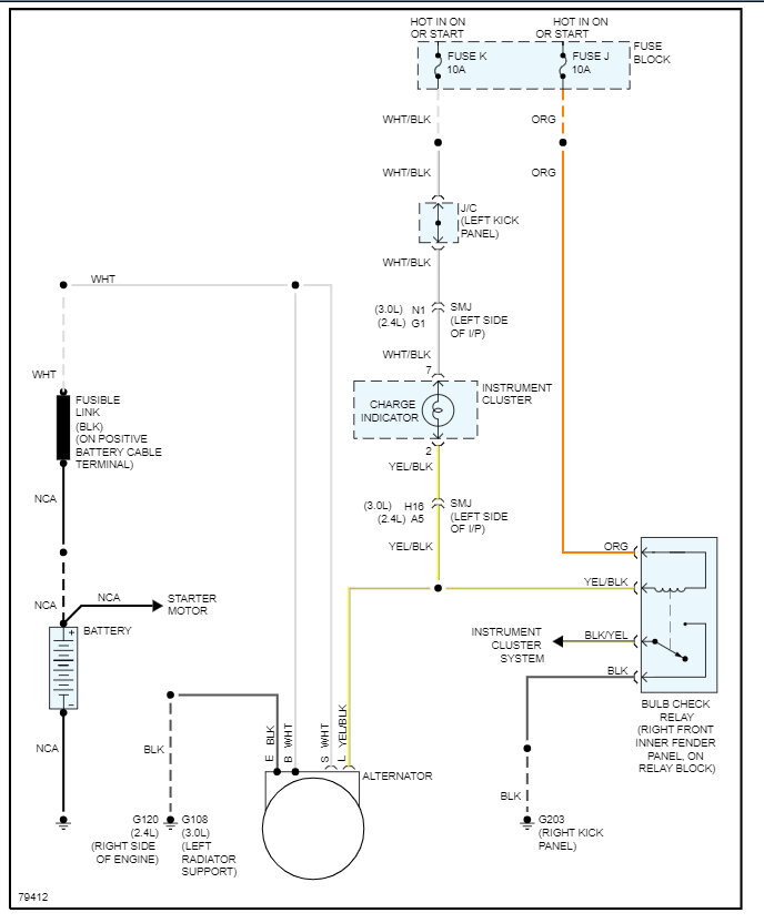
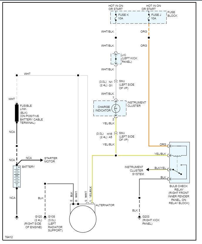
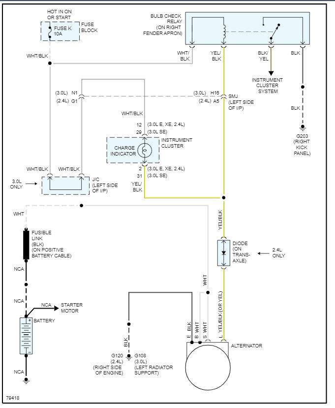
I found this wiring diagrams it might be better. There is the sensing wire is the charge indicator wire.
Was this
answer
helpful?
Yes
No
Friday, August 4th, 2023 AT 10:13 AM
Tiny
KEN L
  • MASTER CERTIFIED MECHANIC
  • 55,499 POSTS
Anything?
Was this
answer
helpful?
Yes
No
Monday, May 6th, 2024 AT 12:01 PM

Please login or register to post a reply.